Клапки управления ПК для серийных гидравлических цепей



ВCSBF TYPE морской ручной пропорциональный клапан соединения направления потокаявляется идеальным клапаном для контроля пропорциональности потока и защиты безопасности. Этот трехпозиционный, четырехсторонний клапан оснащен компенсацией давления и надежным регулированием скорости обратного движения,а также позволяет долгосрочное использование и безотлагательную работу.
Этот клапан чаще всего используется в гидравлических системах гибридных машин на судах, но достаточно универсален для широкого спектра применений машин.Его компактные размеры и прочная конструкция делают его идеальным для узких помещений или суровой среды.
Морской клапан CSBF TYPE с пропорциональным направлением потока оказался надежным и повышает производительность благодаря своим эффективным функциям регулирования.Это идеальный выбор для широкого спектра морских и промышленных приложений.

Эти клапаны ручного управлениянаиболее широко используются для работы клапанов лебедки с компенсатором давления для серийных гидравлических цепей. Угол поворота рычага пропорционален потоку, проходящему через клапан,и не подвергается воздействию изменений нагрузки или различного потока вводаЭтот клапан также имеет стабильный контроль скорости потока (скорости) и позволяет регулировать максимальный поток в портах А и В.Размер установки фланца соответствует JIS B2291 и встроен предохранительный клапанРучной рычаг может быть расположен на каждые 90 градусов, while P and T ports are specifically designed to be in parallel with the mounting surface–installation with JIS LSA type flanges enables a downwards piping arrangement for efficient use in limited spaces.
Этот многофункциональный, компактный клапан управленияможет использоваться вместе с тормозным клапаном, противобалансовым клапаном и другими аксессуарами.с минимальным ударом и легкой силой для перемещения рычагаПрисоединение труб к портам P и T облегчается с добавлением блока манипулятора. Кроме того, основные части, такие как болты, изготовлены из нержавеющей стали для долговечности.
Дополнительные характеристикивключает в себя возможность ручной, гидравлической или электрической работы, чувствительный, независимый от нагрузки элемент управления, клапан снижения давления для защиты системы,и важных деталей аксессуара, таких как винты, из нержавеющей стали или покрытые защитой от ржавчиныКроме того, все монтажные поверхности покрыты герметическим материалом для повышенной защиты от коррозии.

| Параметр | Стоимость |
|---|---|
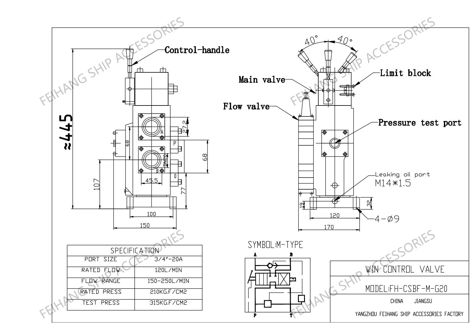
| Размер порта ввода/вывода | 3/4"DN20 |
| Активатор клапана | Учебное пособие |
| Материал корпуса клапана | Литовое железо |
| СТАНДАРТЫ проектирования | CB |
| Номинальный поток | 120 л/мин |
| Цвет краски | Зеленый |
| Наименование продукта | Клапан управления лебедкой |
| Модель | CSBF-G20 |
| Номинальное давление | 21MPA |
| Диапазон регулирования давления клапана безопасности | 5-25 МПа |


FEIHANG Winch Control Valve - это ручной пропорциональный композитный клапан, используемый для управления ветровым приводом.и его краска зеленая.. Имеет номинальное давление 21MPA и размер порта ввода / вывода 3/4 "- DN20. Продукт сертифицирован с сертификатом фабрики, отчетом о испытаниях, отчетом о материалах.и его цена может быть обсуждена личноПродукт упакован в экспортную упаковку и имеет время доставки 1-2 дня.FEIHANG Винч управления клапан является идеальным выбором для управления ветровой.

Марка: FEIHANG
Номер модели: CSBF
Место происхождения: Янчжоу, Цзянсу, Китай
Сертификация: заводской сертификат, отчет об испытаниях, отчет о материалах
Минимальное количество заказа: 1 шт.
Цена: обсуждать лично
Подробная информация о упаковке: упаковка для экспорта
Время доставки: 1-2 дня
Условия оплаты: 100% предоплата
Способность к поставкам: 100 шт/день
Наименование изделия: клапан управления лебедкой
СТАНДАРТЫ проектирования: CB
Направление клапана: ручное
Номинальный поток: 120 л/мин
Модель: CSBF-G20
FEIHANG Winch Control Valve - это ручный пропорциональный блок управления потоком для судов, клапаны управления ПК для серийных гидравлических схем.Он предназначен для применения на лебедке и обеспечивает надежное и точное управление. Он оснащен регулировкой потока с компенсацией давления для обеспечения постоянного потока жидкости. клапан оснащен ручной кнопкой отмены для аварийной остановки.Клапан предназначен для простой установки и обслуживанияОн сертифицирован в соответствии с новейшими стандартами и правилами.

Мы предлагаем широкий спектр технической поддержки и услуг для наших продуктов клапанов управления винтами. Наша команда технической поддержки доступна 24/7 для оказания помощи и ответов на любые ваши вопросы.
Мы предоставляем различные услуги, включая установку, устранение неполадок, обслуживание и гарантийные услуги..
Наши сотрудники технической поддержки знают и имеют опыт в использовании продуктов клапанов управления винтами и могут предоставить вам необходимую помощь и советы.Они готовы ответить на любые ваши вопросы., а также оказывать помощь в установке, устранении неполадок и обслуживании Вашего клапана управления лебедкой.
Если у вас есть какие-либо вопросы или вам нужна помощь, пожалуйста, не стесняйтесь связаться с нами.


Мы квалифицированный производитель (Ключ управления винтом) в Китае, а наши продукты экспортировались клиентам по всему миру, таким как Сингапур, Дубай, Гамбург, Объединенные Арабские Эмираты, Нидерланды, Южная Корея, Мексика, Таиланд, Индонезия, Вьетнам,Филиппины, Соединенное Королевство и т.д.
Если у вас есть какие-либо потребности, пожалуйста, не стесняйтесь связаться с нами в любое время!
Упаковка и транспортировка клапана управления лебедкой:
Кран управления винтом упаковывается в картонную коробку с пеноподобным вставкой для защиты клапана во время доставки.Все заказы отправляются через USPS, FedEx или UPS, в зависимости от размера и веса пакета.