Наш ряд переходников ЛК имеет рукави выравнивания высокой точности для улучшенной надежности и лучшего реконнектабилиты. Переходники ЛК приходят с керамическими рукавами как для однорежимного, так и для мультимодного. Снабжение жилищем доступно в других цветах с вариантами для фланца или флангелесс тела и металла или встроенных зажимов.
Оптически переходник развит для того чтобы соединить и сопрячь 2 идентичных или 2 различных (гибридных) штепсельной вилки соединителя. Снабжение жилищем переходников последнего поколения имеет ключ ссылки для правого соединения положения и рукава зирконя или фосфора разделенного бронзой для высокого выравнивания.
ОМК смогло поставить стандартные типы переходников, как гибрид ФК, СК, ЛК, СТ, МУ, МТРДЖ, МПО/МТП етк. также доступно.
Переходники ОМК конструируют, материал и процесс производства уверяют длинную жизнь и высокую повторимость оптически проведений даже для различный сопрягать соединителей бренда.
Представление спецификаций:
| Тип соединителя | ЛК-ЛК | Польский тип | УПК |
| Отсчеты волокна | Дуплекс | Режим волокна | Однорежимный |
| Вносимая потеря | ≤0.2дБ | Стойкость | ≤0.1дБ |
| Тариф воспламеняемости | УЛ94-В0 | Работая температура | -25~70°К |
Применение:

Применение:
1. Пульты временных соединительных кабелей, ОДФ и другие оптически соединения.
2. Оптически демаркация сетей и пункт контроля
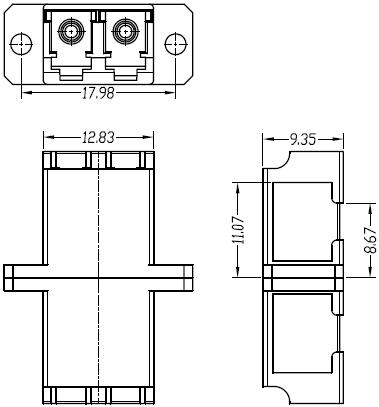
Рисовать:

Несколько соединяют в одной пластиковой коробке,
Несколько коробок после этого упакованных в коробке коробки 54*39*35 бумажной
Другая коробка размера доступна тоже.
