Волоконно-оптический изолятор
Изолятор оптического волокна представляет собой двухпортовое невзаимное оптическое пассивное устройство.Он может очень мало ослаблять оптический сигнал, передаваемый в прямом направлении, и очень сильно ослаблять оптический сигнал, передаваемый в противоположном направлении, образуя односторонний путь света.Когда лазер и передающее волокно косвенно вставлены в оптический изолятор, отраженный свет, генерируемый от дальнего конца волокна и интерфейса оптоволоконного соединителя в линии, может быть эффективно подавлен, чтобы вернуться к лазеру, чтобы обеспечить стабильность рабочего состояния лазера и уменьшить шум, вызванный отраженным светом в системе.Это более важно для высокоскоростной оптоволоконной связи когерентной системы оптоволоконной связи.Существует много видов оптических изоляторов.Shenzhen Xingbo Technology может предоставить вам различные типы оптических изоляторов, в основном блочные оптические изоляторы, цельноволоконные оптические изоляторы, оптические изоляторы со встроенным оптическим волноводом и оптические изоляторы, не зависящие от поляризации, и т. д. Его функция заключается в предотвращении обратного пропускания света в оптическом диапазоне. путь из-за различных причин на систему источника света и оптического пути, вызванную плохим влиянием
| Параметр | Изолятор 980 нм | |
| Центральная длина волны (нм) | 980 | |
| Полоса пропускания (нм) | ±10 | |
| Пиковая изоляция (дБ) | 32 | |
| Изоляция при 23 ℃ (дБ) | ≥25 | |
| Вносимые потери при 23 ℃ (дБ) | ≤1,0 тип. 0,6 | |
|
ER (дБ) |
Тип 1 (быстрая ось заблокирована) | ≥22 |
| Тип 2 (работают обе оси) | ≥20 | |
| Возвратные потери (вход/выход) (дБ) | ≥50/50 | |
| Допустимая мощность (мВт) | ≤1000 | |
| Тип волокна | 980 вечера | |
| Рабочая температура (℃) | ~5 ~ +50 | |
| Температура хранения (℃) | -20 ~ +75 | |
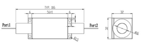
| Пакет (мм) | 56х32х32 | |
