Амортизатор VOA оптически амортизатора волокна встроенный оптически переменный
◇Спецификации:
| Параметр | Блок | Специфики | |||||
| Работая длина волны | nm | 1310/1550 | 1064 | 980 | 850 | 780 | 633 |
| Диапазон длины волны | nm | ±40dB | ±20dB | ±20dB | ±20dB | ±20dB | ±20dB |
| Ряд амортизации | dB | 0~60dB (вручную runed переменная) | |||||
| Точность амортизации | dB | ≤0.2dB | |||||
| Ввод Losse | dB | ≤0.8 | ≤0.8 | ≤0.8 | ≤0.8 | ≤0.8 | ≤0.8 |
| Потеря возвращения | dB | dB ≥55 | |||||
| PDL | dB | ≤0.15 | |||||
| Тип волокна | SMF28e/HI1060 или определить | ||||||
| Оптически сила | mW | ≤1000 mW | |||||
| Рабочая температура | ℃ | -20~+70 | |||||
| Температура магазина | ℃ | -45~+85 | |||||
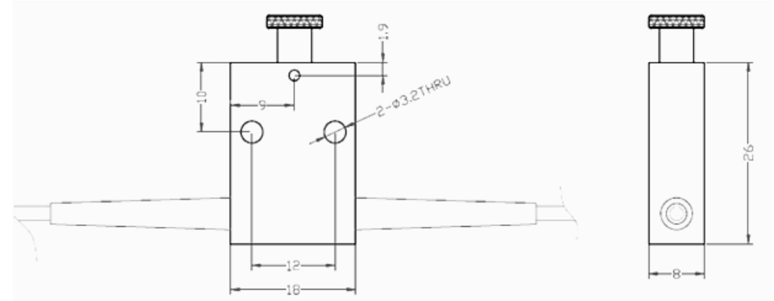
| Dimesion | mm | 26x18x8 или определить | |||||
Амортизатор встроенного волокна оптически использует сплавленное волокно для того чтобы достигнуть амортизации. Каждый шнур заказной для того чтобы приспособить до 10 метров кабеля и стили соединителей вашего выбора, каждый амортизатор поставлены со своим листом показателя индивидуального теста.
◇Особенности:
вносимая потеря низкая & низкий PDL
потребление низкой мощности
дизайн &Compact низкий WDL
нечувствительное сотрясти и вибрация
надежность и стабильность высокие
◇Применение:
оптическое волокно CATV
управление Увеличени-наклона в EDFAS
предохранение от приемника
направляет включено-выключено переключение

| MOVA | Длина волны | Материал раковины | Размер | Отрезок провода | Тип волокна | Длина отрезка провода | Connecor |
| 1064nm 1310nm 1550nm 980nm 850nm X=specify |
Алюминиевый сплав Нержавеющая сталь Cuprum X=Specify |
1=28x18x8mm 2=26x18x8mm 3=15x18x8mm X=specify |
Волокно B= обнаженное свободная трубка 1=900um трубка 2=2mm свободная трубка 3=3mm свободная X=specify |
1=SMF-28e 2=H11060 3=50/125 4=62.5/125 x=Specify |
1=1M 2=1.5 3=2M 4=3M x=specify |
NE-никакие FA-FC/APC SC-SC/UP LC=LC/UPC xx=Other |