Переключатель механический nm 850 волокна TZ-FSW- 1x4 оптически/1310
Особенности
·Бесподобная низкая цена
·Низкая вносимая потеря
·Высокая изоляция канала
·Высокая стабильность, высокая надежность
·свободный от Эпоксидн на оптически пути
·Запирать на задвижку и Не-запирать на задвижку
Применения
·Оптически предохранение от/восстановление сети
·Трасса оптически сигнала
·Конфигурируемые оптически добавляют/падение
·Предохранение от передатчика и приемника
·Испытательные системы сети
·Инструментирование
Спецификации
| Параметры | Блок | TZ-FSW-1×4 | ||
| Диапазон длины волны | nm | 850±40/1310±40 | 850±40 или 1310±40 |
1260~1650 |
| Длина волны теста | nm | 850 / 1310 | 1310/1550,1260~1360,1510~1610 | |
| Вносимая потеря 1, 2 | dB | Макс: 1,4 | ||
| Возвратите потерю 1, 2 | dB | ≥ 35 MM ≥ 55 SM | ||
| Помеха 1 | dB | ≥ 35 MM ≥ 55 SM | ||
| PDL | dB | ≤0.1 | ||
| WDL | dB | ≤0.30 | ||
| Повторимость | dB | ≤±0.02 | ||
| Рабочий потенциал | V | 3,0 или 5,0 | ||
| Стойкость | Циклы | ≥ 10 миллионов | ||
| Переключая время | госпожа | ≤10 | ||
| Оптически сила | mW | ≤500 | ||
| Рабочая температура | ℃ | 0 | +70 | ||
| Температура хранения | ℃ | -40 | +85 | ||
| Относительная влажность | % | 5 | 95 | ||
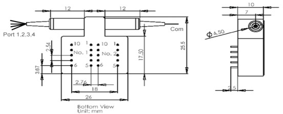
| Размер | mm | (L) 26.0× (w) 25.5× (h) 10,3 или дизайн клиента | ||
| Примечание: 1 в пределах рабочей температуры и SOP. 2 исключая соединителя. |
||||
Конфигурации Pin
| Тип | Государство | Электрический привод | Датчик состояния | ||||||
| 1×4 | Pin 1 | Pin 5 | Pin 6 | Pin 10 | Pin 2-3 | Pin 3-4 | Pin 7-8 | Pin 8-9 | |
| Запирать на задвижку | 0 (возврат) | GND | GND | GND | V+ | Конец | Раскройте | Раскройте | Конец |
| 1 (набор) | V+ | GND | GND | GND | Раскройте | Конец | Конец | Раскройте | |
| Не- запирать на задвижку |
0 (возврат) | --- | --- | --- | --- | Конец | Раскройте | Раскройте | Конец |
| 1 (набор) | V+ | --- | --- | GND | Раскройте | Конец | Конец | Раскройте | |
Оптически маршрут
| Реле нет. | 1 реле | Реле 2 | Состояние переключателя |
| Состояние реле | 0 | 0 | Com-Port1 |
| 1 | 0 | Com-Port2 | |
| 0 | 1 | Com-Port3 | |
| 1 | 1 | Com-Port4 |

Упорядочение информации
| Тип волокна | Напряжение тока | Тип переключателя | Длина волны теста | TubeType | Длина волокна | Соединитель |
| SM: SM, 9/125 | 3:3V | L: Запирать на задвижку | 850:850nm | 25:250um | 05:0.5m±5cm | FP: FC/PC, FA: FC/APC |
| M5: MM, 50/125 | 1310:1310nm | 90:90 um | 10:1.0m±5cm | SP: SC/PC, SA: SC/APC | ||
| M6: MM, 62.5/125 | 5:5V | N: Не-запирать на задвижку | 13/15:1310/1550nm | X: Другие | 15:1.5m±5cm | LP: LC/PC, ЛА: LC/APC |
| X: Другие | X: Другие | X: Другие | OO: Никакие, x: Другие |
