| Цель клетки сжимающей нагрузки спицы, по мере того как имя предлагает, случай где ячейка загрузки главным образом использована для весить и измерять силу. Например, родственное веся оборудование как масштабы пола и масштабы платформы. Она также использована для растяжимых машин, пресс, и другой аппаратуры обнаружения силы. - Всеобщая материальная испытывая машина
- инжекционный метод литья зажимая применения силы
- Утяжеление системы для танков, сосудов и хопперов
|
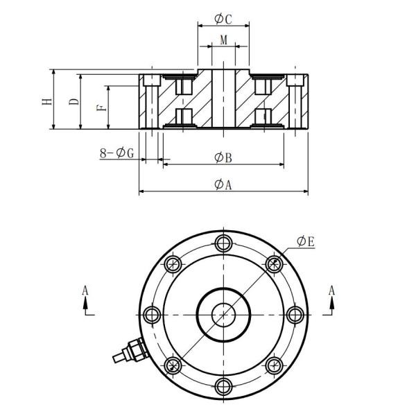
| Спецификации | Метод | | Емкость | 0,1, 0,2, 1,2,3,5,10,15,20,25,30t | | Требуемая производительность | 2.0±1%mV/V (0,1, 0.2kN), 3.0±1%mV/V (1~30kN) | | Нул балансов | ±1% F.S. | | Нелинейность | 0.03%F.S. | | Гистерезис | 0.03%F.S. | | Повторимость | 0.03%F.S. | | Ползучесть (30min) | 0.03%F.S. | | Temp.effect на выходе | 0.02%F.S./10℃ | | Temp.effect на нул | 0.02%F.S./10℃ | | Входное комплексное сопротивление | 780±10Ω | | Импеданс выхода | 700±5Ω | | Изоляция | ≥5000MΩ/100VDC | | Порекомендованное возбуждение | 5~15V | | Максимальное возбуждение | 20V | | Компенсированный ряд temp | -10~40℃ | | Ряд temp деятельности | -10~70℃ | | Безопасная перегрузка | 150%F.S. | | Окончательная перегрузка | 200%F.S. | | Размер кабеля | φ5×6000mm | | | | |  | | Команда ядра Fibos имеет 20 лет опыта в дизайне и продукции предварительных датчиков в Германии. Мы непрерывно превращаемся и производимся: датчики точности микро- и небольшие силы, одноточечные ячейки загрузки, динамика и статические датчики вращающего момента, 6-габаритная сила, трехмерная сила, многомерные датчики силы, ячейки загрузки, изготовленные на заказ датчики силы кольца, датчики силы потока, датчики силы поджатия потока, датчики для роботов, серия напряжения и различные нештатные датчики силы, etc. компания производят датчики силы давления: точное измерение, низкая высота, небольшая деформация, высокая точность, хорошая стабильность, быстрая реакция, легкая установка, длинная жизнь, полные спецификации и размеры, не только для метров нажима и тяги, масштабов хоппера, разнообразие промышленных веся систем, автомобильного собрания прессы, автоматизированного собрания, испытания продукта 3C; также использованный в новом собрании продукта энергии, медицинском испытании, тканях, робототехнике, собрании прессформы, энергии ветра, ядерной энергии и кораблях, etc. частота динамической характеристики продукта высока, также может признавать изготовленные на заказ спецификации. В применении высокочастотное громкого, прочность усталости после теста, польза жизни до 100 миллионов времена, соответствующие для всех видов воздушных судн, автомобильных испытывая случаев. |  |  |  |  | | вопросы и ответы Q1: Как могу я получить цитату? Пожалуйста отправьте ваше дознание в нас. Нажмите на „значок поставщика контакта“ который на левостороннем или напишите вниз ваше требование на дне этой страницы. Q2: Какая детальная информация мне нужно для того чтобы обеспечить если я хочу делать заказ заказ? Нам нужно знать следующую информацию: Емкость, использование и другие родственные параметры вам. Q3: Вы имеете скидку? Да, мы принимаем оптовый заказ, если вы покупаете большой QTY, то пожалуйста отправляем нами дознание, мы можем обсудить цену. Q4: Могу я получить образцы? Да, если вы имеете заказы следующего, то мы смогли предложить образцы или свободные образцы для вас. Q5: Как о качестве продуктов? Мы имеем аттестацию CE и RoHs, также мы поставщик Alibaba подтверженный, вы не должны потревожиться об этом. Q6: Когда вы аранжируете продукцию? Мы аранжируем продукцию немедленно после получать вашу оплату. Q7: Смогли вы обеспечить мне самое короткое время выполнения? Мы имеем материалы в нашем запасе, если вам действительно, то позволяем нам обсудить и мы попробуем наше самое лучшее для того чтобы удовлетворять вы. | |