нержавеющая сталь 1-100kN IP67 веся модуль
1. Описания
нержавеющую сталь 1-100kN IP67 веся модуль FA804 модель нашего бренда FIBOS FA8-Series, веся модуль FA804 можно использовать для того чтобы измерить нагрузку 1kN, 2kN, 5kN, 10kN, 20kN, 50kN, 75kN и емкость 100kN, свой нул рядов баланса ±0.03mV/V, своя ползучесть (30min) ≤0.05%F.S., своя нелинейность ≤0.2%F.S., свой гистерезис и повторимость оба ≤0.1%F.S.
2. Спецификации
| Название продукта | Весить модуль | 
| Емкость | 1,2,5,10,20,50,75,100kN | 
| Требуемая производительность | 1.5±10%mV/V | 
| Нул балансов | ±0.03mV/V | 
| Ползучесть (30min) | ≤0.05%F.S. | 
| Нелинейность | ≤0.2%F.S. | 
| Гистерезис | ≤0.1%F.S. | 
| Повторимость | ≤0.1%F.S. | 
| Сопротивление входа | 780±20Ω | 
| Сопротивление выхода | 700±10Ω | 
| Temp.effect на выходе | ℃ 0.05%F.S./10 | 
| Temp.effect на нул | ℃ 0.05%F.S./10 | 
| Сопротивление изоляции | ≥5000MΩ/100V (DC) | 
| Порекомендованное возбуждение | 5~15V | 
| Максимальное возбуждение | 20V | 
| Компенсированный ряд Temp | -10~60 ℃ | 
| Работая ряд Temp | -20~80 ℃ | 
| Безопасная перегрузка | 150%F.S. | 
| Окончательная перегрузка | 200%F.S. | 
| Размер кабеля | ⌀4x4000mm | 
| Материал | Нержавеющая сталь | 
| Класс IP | IP67 | 
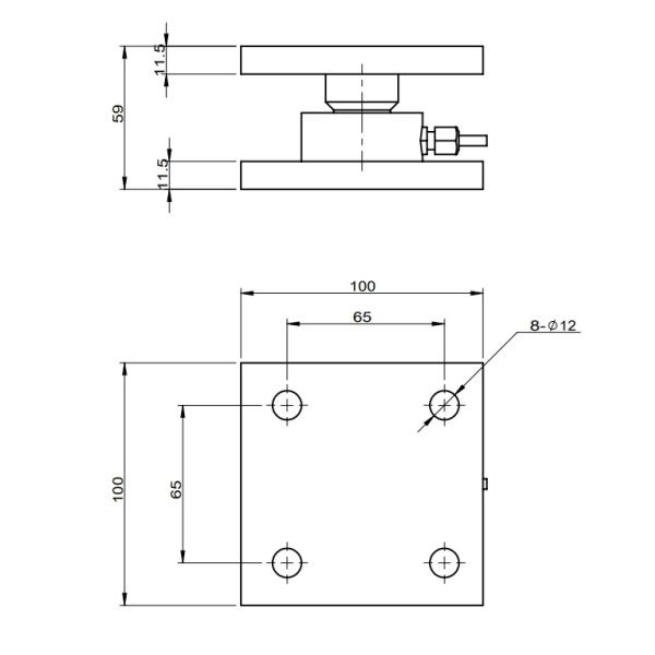
3. Размер



4. Применение
нержавеющая сталь 1-100kN IP67 веся модуль FA804 смогла быть использована в спекая печах в цементной промышленности.
5.FAQ
Q1: Что ваши сроки поставок?
: EXW, ОБМАНЫВАЮТ, CFR и CIF.
Q2: Можете вы произвести согласно образцам?
: Да, мы можем произвести согласно вашим образцам или техническим чертежам.
Q3: Что ваша политика образца?
: Мы можем поставить образец со скидкой если мы имеем готовые части в запасе, и клиенты оплачивают цену курьера.
Q4: Что ваша политика качественной гарантии?
: Качественная гарантия: 12 месяца.
Если продукт имеет качественную проблему не позднее 12 месяца, то пожалуйста возвратите ее в нас, мы отремонтирует ее, если мы не можем отремонтировать ее успешно, то мы передаст вам новый один; но будут исключены искусственное повреждение, неправильная деятельность и принудить majeure.
И вы оплатите грузя цену возвращающ в нас, мы оплатите грузя цену поставлять к вам.