тип ячейка загрузки спицы 100-250t
1. Описания
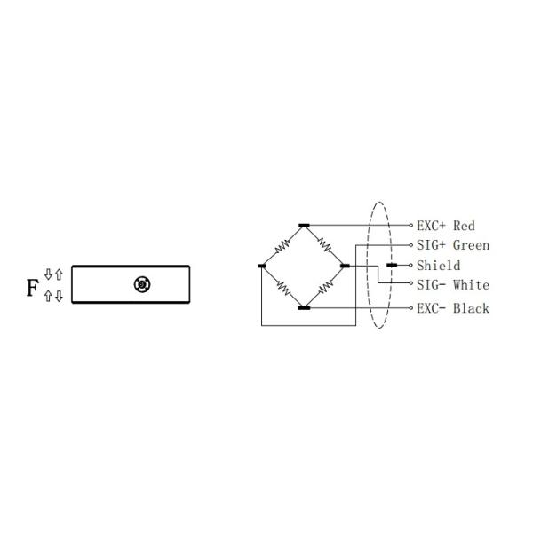
100-250t поговорило тип ячейку загрузки FA120D принадлежит FA120 которое в типе категории спицы ячейки загрузки нашего бренда FIBOS FA1-Series, FA120D можно использовать для того чтобы измерить емкость 100t, 150t, 200t и 250t нагрузки, свой ряд входного комплексного сопротивления 780±20Ω и свой ряд импеданса выхода 700±10Ω, свой нул рядов баланса ±1%F.S.
2. Спецификации
| Название продукта | Тип ячейка загрузки спицы |
| Емкость | 100,150,200,250t |
| Требуемая производительность | 2.0±1%mV/V |
| Нул балансов | ±1%F.S. |
| Ползучесть (30min) | ≤0.1%F.S. |
| Нелинейность | ≤0.1%F.S. |
| Гистерезис | ≤0.1%F.S. |
| Повторимость | ≤0.05%F.S. |
| Входное комплексное сопротивление | 780±20Ω |
| Импеданс выхода | 700±10Ω |
| Temp.effect на выходе | ℃ 0.05%F.S./10 |
| Temp.effect на нул | ℃ 0.05%F.S./10 |
| Сопротивление изоляции | ≥5000MΩ/100V (DC) |
| Порекомендованное возбуждение | 5~15V |
| Максимальное возбуждение | 20V |
| Компенсированный ряд Temp | -10~40 ℃ |
| Работая ряд Temp | -10~70 ℃ |
| Безопасная перегрузка | 150%F.S. |
| Окончательная перегрузка | 200%F.S. |
| Размер кабеля | Штепсельная вилка ⌀6x5m авиации |
3. Размер


4. Применение
100-250t поговорило тип ячейку загрузки FA120D можно использовать для различных электронных масштабов.
5.FAQ
Q1: Что ваши сроки поставок?
: EXW, ОБМАНЫВАЮТ, CFR и CIF.
Q2: Можете вы произвести согласно образцам?
: Да, мы можем произвести согласно вашим образцам или техническим чертежам.
Q3: Что ваша политика образца?
: Мы можем поставить образец со скидкой если мы имеем готовые части в запасе, и клиенты оплачивают цену курьера.
Q4: Что ваша политика качественной гарантии?
: Качественная гарантия: 12 месяца.
Если продукт имеет качественную проблему не позднее 12 месяца, то пожалуйста возвратите ее в нас, мы отремонтирует ее, если мы не можем отремонтировать ее успешно, то мы передаст вам новый один; но будут исключены искусственное повреждение, неправильная деятельность и принудить majeure.
И вы оплатите грузя цену возвращающ в нас, мы оплатите грузя цену поставлять к вам.