клетка нагрузки на пучки легированной стали s 25-500kg 0.75-10t
1. Описания
клетку FA307 нагрузки на пучки легированной стали s 25-500kg 0.75-10t от категории клетки нагрузки на пучки s нашего бренда FIBOS FA3-Series, FA307 можно использовать для того чтобы измерить нагруженные области от 25kg до 500kg и ряды от 0.75t до емкости 10t, своей нелинейности, гистерезиса и повторимости всего ≤0.03%F.S., своя ползучесть (30min) ≤0.024%F.S.
2. Спецификации
| Название продукта | Клетка нагрузки на пучки s | 
| Емкость | 25,50,100,200,250,500kg/0,75, 1,1.5, 2,2.5, 5,10t | 
| Требуемая производительность | 2.0/3.0±1%mV/V | 
| Нул балансов | ±0.03mV/V | 
| Ползучесть (30min) | ≤0.024%F.S. | 
| Нелинейность | ≤0.03%F.S. | 
| Гистерезис | ≤0.03%F.S. | 
| Повторимость | ≤0.03%F.S. | 
| Входное комплексное сопротивление | 385±10Ω | 
| Импеданс выхода | 350±5Ω | 
| Temp.effect на выходе | ℃ 0.05%F.S./10 | 
| Temp.effect на нул | ℃ 0.05%F.S./10 | 
| Сопротивление изоляции | ≥5000MΩ/100V (DC) | 
| Порекомендованное возбуждение | 5~15V | 
| Максимальное возбуждение | 20V | 
| Компенсированный ряд Temp | -10~40 ℃ | 
| Работая ряд Temp | -30~70 ℃ | 
| Безопасная перегрузка | 150%F.S. | 
| Окончательная перегрузка | 200%F.S. | 
| Размер кабеля | ⌀5x3000mm | 
| Вес | - | 
| Материал | Легированная сталь | 
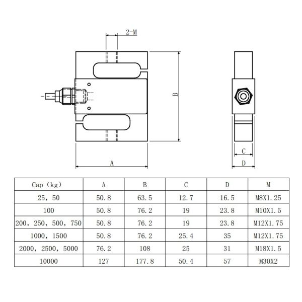
3. Размер


4. Применение
клетку FA307 нагрузки на пучки легированной стали s 25-500kg 0.75-10t можно использовать для масштабов крана.
5.FAQ
Q1: Что ваши сроки поставок?
: EXW, ОБМАНЫВАЮТ, CFR и CIF.
Q2: Можете вы произвести согласно образцам?
: Да, мы можем произвести согласно вашим образцам или техническим чертежам.
Q3: Что ваша политика образца?
: Мы можем поставить образец со скидкой если мы имеем готовые части в запасе, и клиенты оплачивают цену курьера.
Q4: Что ваша политика качественной гарантии?
: Качественная гарантия: 12 месяца.
Если продукт имеет качественную проблему не позднее 12 месяца, то пожалуйста возвратите ее в нас, мы отремонтирует ее, если мы не можем отремонтировать ее успешно, то мы передаст вам новый один; но будут исключены искусственное повреждение, неправильная деятельность и принудить majeure.
И вы оплатите грузя цену возвращающ в нас, мы оплатите грузя цену поставлять к вам.