Mx Fx Fy Fz 100N мой датчик силы оси алюминиевого сплава 6 Mz 4Nm трудный
1. Описания
Mx Fx Fy Fz 100N мой Mz 4Nm трудный датчик FARS62B силы оси алюминиевого сплава 6 модель 6 датчиков силы оси, его принадлежит FARS62 в наших FARS-сериях бренда FIBOS, FARS62B можно использовать для того чтобы измерить нагрузку Fx мульти-оси, Fy, Fz 100N, Mx, мой, Mz такое же 4Nm, свой вес 0.14kg, свое возникновение очень подобен с FARS62.
2. Спецификации
| Название продукта | 6 датчиков силы оси | ||||
| Модель | FARS62B | ||||
| Fx, Fy [n] | 100 | ||||
| Fz [n] | 100 | ||||
| Mx, мой [Nm] | 4 | ||||
| Mz [Nm] | 4 | ||||
| Диаметр [mm] | 62 | ||||
| Высота [mm] | 18 | ||||
| Материал | Трудный алюминиевый сплав | ||||
| Уровень перегрузки [%F.S.] | 300 | ||||
| Точность [%F.S.] | 0,1 | ||||
| Точность [%F.S.] | 0,5 | ||||
| Вес [kg] | 0,14 | ||||
| Подача напряжения [VDC] | 9-24 | ||||
| Работая температура [℃] | 0-80 | ||||
| Пробующ разрешение [бит] | 24 | ||||
| Дискретная частота [Hz] | 1000 | ||||
| Уровень защиты | IP64 | ||||
| Метод связи | RS422/RS485/MODBUS/CAN/EtherCAT/EtherNET/USB/Analog | ||||
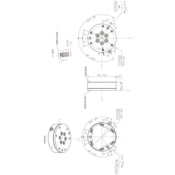
3. Размер

4. Применение
Mx Fx Fy Fz 100N мой датчик FARS62B силы оси алюминиевого сплава 6 Mz 4Nm трудный также главным образом приложен на робототехническом оружии в робототехнической индустрии.
5.FAQ
Q1: Что ваши сроки поставок?
: EXW, ОБМАНЫВАЮТ, CFR и CIF.
Q2: Можете вы произвести согласно образцам?
: Да, мы можем произвести согласно вашим образцам или техническим чертежам.
Q3: Что ваша политика образца?
: Мы можем поставить образец со скидкой если мы имеем готовые части в запасе, и клиенты оплачивают цену курьера.
Q4: Что ваша политика качественной гарантии?
: Качественная гарантия: 12 месяца.
Если продукт имеет качественную проблему не позднее 12 месяца, то пожалуйста возвратите ее в нас, мы отремонтирует ее, если мы не можем отремонтировать ее успешно, то мы передаст вам новый один; но будут исключены искусственное повреждение, неправильная деятельность и принудить majeure.
И вы оплатите грузя цену возвращающ в нас, мы оплатите грузя цену поставлять к вам.