Стерильные вентиляционные мембранные фильтры из ПТФЕ с опциональной поддержкой
ПТФЕ мембраны используются в различных медицинских приложениях, таких как вентиляция в IV фильтрах, вентиляции шипов и защитные устройства преобразователей, защита медицинских устройств,оборудование и датчики из жидкостей , водные аэрозоли и загрязнение.
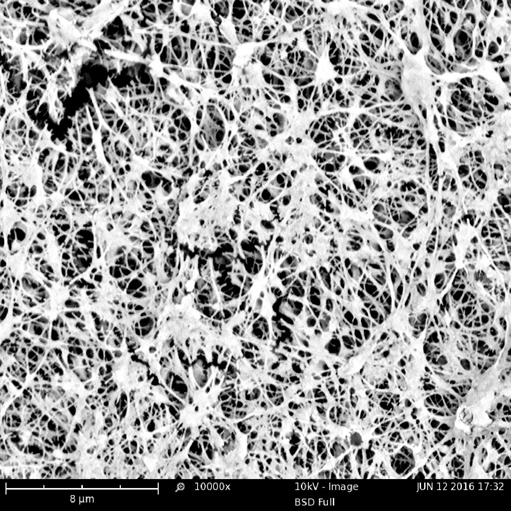
ПТФЕ-мембраны являются естественно гидрофобными с отличной химической устойчивостью, что делает их идеальным выбором для стерильной вентиляции воздуха и газов, неводных растворителей, кислот и агрессивных жидкостей.В биотехнологической и фармацевтической промышленностиПТФЕ-мембраны используются для фильтрации сильных кислот и агрессивных растворов, вентиляции газов.к которому другие типы фильтров не устойчивы из-за его отличной химической совместимости с pH-толерантностью от 1 до 14.
Мы предлагаем мембраны из ПТФЕ без опоры, которые обладают превосходной теплостойкостью, спецификации следующие,
| ПТФЕ без опоры | 00,10 мкм | 00,22 мкм | 00,45 мкм | 00,80 мкм | 10,0 мкм | 30,0 мкм |
| Скорость потока (воздух) (л/мин/см2) | 0.5 | 2 | 3 | 5 | 6 | 25 |
| Пузырь | > 17,4 psi | > 13,2 psi | > 9,1 psi | > 5,7 psi | > 4,5 п.с. | >1,9 пс |
| Толщина | 90 мкм | 90 мкм | 90 мкм | 75 мкм | 75 мкм | 75 мкм |
| Максимальная рабочая температура | 260°С | 260°С | 260°С | 260°С | 260°С | 260°С |
Мы также производим мембраны из ПТФЕ с опциональной поддержкой для улучшения обработки.
| ПТФЕ с поддержкой | 00,10 мкм | 00,20 мкм | 00,45 мкм | 10,0 мкм |
| Скорость потока (воздух) (л/мин/см2) | 2.5 | 4.5 | 7.5 | 17 |
| Пузырь | > 20,3 psi | > 14,1 psi | > 8,5 psi | > 4,3 psi |
| Толщина | 130 мкм | 130 мкм | 120 мкм | 90 мкм |
| Максимальная рабочая температура | 130°С | 130°С | 130°С | 130°С |
Особенности
Заявления
ПТФЕ мембрана имеет разнообразный спектр применений и обычно используются в
