Характер продукции
Пеногонный огнетушитель вагонетки, портативный блок пены, портативный пеногонный огнетушитель, портативный монитор пены, вагонетка пены, огнетушитель Пен-агента серии PY Полу-фиксированный (портативный).
Этот вид огнетушителя состоит из создателя пены (оружия пены), пенится proportioner (пена соблюдая пропорции блок), пожарный рукав, бак для хранения concnetrate пены, монитор пены, сопло и вагонетка. Мобильно, гибко и легко двинуть, работать, поэтому оно широко было использовано в нефтедобывающих промышленностях, музеях, аэропортах, мастерских автобуса и железнодорожных вокзалов, складах так же, как других местах где имейте опасность пожара.
Технические параметры
| Модель | Емкость танка (l) | Давление деятельности (MPa) | Подача решения | Время брызг решения пены 3% (минута) | |||
| PQR4 | PQ8 | PQR4 | PQ8 | PQ4&PQ8 | |||
| PY/50 | 50 | 0.5~1.2 | 4 | 8 | 7 | 3,5 | 2,3 |
| PY/100 | 100 | 14 | 7 | 4,5 | |||
| PY/200 | 200 | 28 | 14 | 9 | |||
| PY/300 | 300 | 41,5 | 20,5 | 13,5 | |||
| PY/400 | 400 | 55,5 | 27,5 | 18 | |||
| PY/500 | 500 | 69,5 | 34,5 | 23 | |||


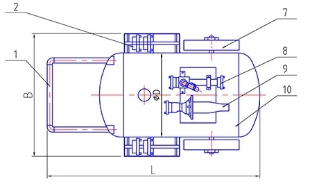
| НЕТ. | ИМЯ ДЕТАЛЯ | НЕТ. | ИМЯ ДЕТАЛЯ |
| 1 | Ручка | 6 | Всасывающая труба |
| 2 | Пожарный рукав | 7 | Заднее колесо |
| 3 | Руль | 8 | Индуктор пены |
| 4 | Вход питания | 9 | Сопло пены |
| 5 | Шариковый клапан | 10 | Тело |
| ЛИТРЫ ЕМКОСТИ | L mm |
B mm |
H mm |
D mm |
| 100 | 1100 | 750 | 900 | 450 |
| 200 | 1450 | 800 | 950 | 500 |
| 300 | 1520 | 900 | 1050 | 600 |
| 400 | 1850 | 900 | 1050 | 600 |
| 500 | 1750 | 1100 | 1250 | 800 |
Принцип деятельности
Эта система содержит блоки танка пены, типа porportioner вакуума (встроенного индуктора), пожарного рукава, оружия пены и модулирующих ламп. Надутая вода пропустит через узкую часть когда она пропустит в proportioner. Труба на узкой части которая была соединена с танком пены. Для скорости подачи на узкой части больше чем другие части что свое давление получает более небольшим чем стандартная атмосфера, приводящ в вакууме на выходе. Таким образом концентрат пены был поглощен вне и был транспортирован к генератору пены. Танк имеет 2 выхода, который нужно выбрать от или использованный в то же время.
AFFF: a.3% b.6%
Части: монитор сопла шланга W/foam, латунный клапан, манометр, вагонетка, цилиндр в красный paiting, etc.


Информация о компании:
С историей больше чем 20 лет, CO. Ltd. индустриального развития Шэньчжэня Winan профессиональные изготовитель и экспортер которое фокусирует на конструировать, начинать и изготовлять все виды противопожарного оборудования. Компания теперь имеет обширный район промышленных мастерских больше чем 10000 квадратных метров, расположенных в Шэньчжэне, Китай, с удобным доступом транспорта.
Весь из наших продуктов исполняют с международными стандартами качества и значительно оценены в разнообразие различных рынках по всему миру. Наши хорошо оборудованные объекты и превосходная проверка качества повсеместно во все этапы продукции позволяют мы гарантировать полное удолетворение потребностей клиента. В результате наших изделий высокого качества и выдающего обслуживания клиента, мы приобретали глобальную сеть продаж по всему миру.
Сертификаты:
Весь из наших продуктов исполняют с международными стандартами качества и значительно оценены в разнообразие различных рынках по всему миру. Наши хорошо оборудованные объекты и превосходная проверка качества повсеместно во все этапы продукции позволяют мы гарантировать полное удолетворение потребностей клиента. В результате наших изделий высокого качества и выдающего обслуживания клиента, мы приобретали глобальную сеть продаж по всему миру.
вопросы и ответы:
1. Вы предлагаете свободный образец для ваших клиентов?
Да, мы можем предложить вам свободный образец.
2. Что MOQ ваших продуктов?
MOQ ОДИН ПК/набор.
3. Вы изготовитель с вашей собственной фабрикой?
Да, мы изготовитель на больше чем 20 лет
4. Что ваше? условия оплаты?
Мы признаваем T/T, L/C, западное соединение, PayPal, etc.
5. Сколько времени? срок поставки?
Обычно около 15 через дни после оплаты.
6.Can вы принять OEM?
Да, мы делаем подгонянный дизайн для наших клиентов.