| Модель | Емкость танка (л) | Давление деятельности (МПа) | Подача решения | Время брызг решения пены 3% (минута) | |||
| ПКР4 | ПК8 | ПКР4 | ПК8 | ПК4&ПК8 | |||
| ПИ/50 | 50 | 0.5~1.2 | 4 | 8 | 7 | 3,5 | 2,3 |
| ПИ/100 | 100 | 14 | 7 | 4,5 | |||
| ПИ/200 | 200 | 28 | 14 | 9 | |||
| ПИ/300 | 300 | 41,5 | 20,5 | 13,5 | |||
| ПИ/400 | 400 | 55,5 | 27,5 | 18 | |||
| ПИ/500 | 500 | 69,5 | 34,5 | 23 | |||
Принцип деятельности
Эта система содержит блоки танка пены, типа порпортионер вакуума (встроенного индуктора), пожарного рукава, оружия пены и модулирующих ламп. Надутая вода пропустит через узкую часть когда она пропустит в пропортионер. Труба на узкой части которая была соединена с танком пены. Для скорости подачи на узкой части больше чем другие части которые свое давление получает более небольшим чем стандартная атмосфера, приводящ в вакууме на выходе. Таким образом концентрат пены был поглощен вне и был транспортирован к генератору пены. Танк имеет 2 выхода, который нужно выбрать от или использованный в то же время.
АФФФ: а.3% б.6%
Части: полейте из шланга монитор сопла В/фоам, латунный клапан, манометр, вагонетку, цилиндр в красный пайтинг, етк.

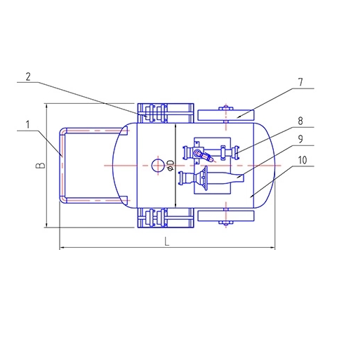
| НЕТ. | ИМЯ ДЕТАЛЯ | НЕТ. | ИМЯ ДЕТАЛЯ |
| 1 | Ручка | 6 | Всасывающая труба |
| 2 | Пожарный рукав | 7 | Заднее колесо |
| 3 | Руль | 8 | Индуктор пены |
| 4 | Вход питания | 9 | Сопло пены |
| 5 | Шариковый клапан | 10 | Тело |

| ЛИТРЫ ЕМКОСТИ | Л мм |
Б мм |
Х мм |
Д мм |
| 100 | 1100 | 750 | 900 | 450 |
| 200 | 1450 | 800 | 950 | 500 |
| 300 | 1520 | 900 | 1050 | 600 |
| 400 | 1850 | 900 | 1050 | 600 |
| 500 | 1750 | 1100 | 1250 | 800 |






1. Вы предлагаете свободный образец для ваших клиентов?
Да, мы можем предложить вам свободный образец.
2. Что МОК ваших продуктов?
МОК ОДИН ПК/набор.
3. Вы изготовитель с вашей собственной фабрикой?
Да, мы изготовитель на больше чем 20 лет
4. Что ваши условия оплаты?
Мы признаваем Т/Т, Л/К, западное соединение, ПайПал, етк.
5. Сколько времени срок поставки?
Обычно около 15 через дни после оплаты.
6. Вы имеете службу технической поддержки?
Да, мы имеем профессиональную команду инженерства.
7. Вы имеете гарантию?
Да, все продукты имеют одну гарантию года.
8. Можете вы принять ОЭМ?
Да, мы делаем подгонянный дизайн для наших клиентов.