Горизонтальная система танка пузыря пены 3000 литров для соблюдать пропорции пены
Горизонтальная система танка пузыря пены 3000 литров для соблюдать пропорции пены
ВВЕДЕНИЕ
Танк пузыря пены большинств оборудование комман в противопожарной системе пены. Источник решения пены в пожарной системе пены. Магазин танка пузыря концентрат пены обычно и смешивает пену с водой. Контракут танка Блададер обычно слабая сталь с антисептиковым финишем. Резиновый пузырь внутри танка для того чтобы хранить пена и изолировать вода от пены. Сытем с простой структурой но обеспечивает решение для того чтобы хранить агент пены и смешивать пена с водой
ПРИНЦИП
Надутая вода единственная сила потребности в этой системе, никаком моторе потребности, никаком дизеле потребности. Надутая вода от подачи пожарного насоса в пропортионер. Получат, что в танк от ответвления от трубопровода принудила концентрат пены вне от пузыря и после этого смешала некоторая вода с водой в пропортионер. Таким образом танк пузыря обеспечивает решение пены для разрядки пены и производит унтис как мониторы пены, сопла пены, камеры пены, етк.
ПАРАМЕТРЫ
| Ряд давления деятельности (МПа) | 0.6~1.2 (87~174 ПСИ) |
| Падение давления (МПа) | ≤0.2 |
| Испытательное давление (МПа) | 1,6 |
| Емкость танка (л) | 200~15000 (52~3963 галлона) |
| Размер Пропортионер (мм) | ДН80~ДН250 (3" ~10") |
| Емкость подачи (Л/С) | 4~360 (63~1513 ГПМ) |
| Смешивая коэффициент | 3% ИЛИ 6% |
УСТАНОВКА
Прибор должен быть установлен на места с укрытием для избежания солнца и дождя. Температура окружающей среды должна находиться в пределах 40°К и выйтись достаточный космос для деятельности. Прибор должен быть установлен на конкретный пол и прикреплен с гайками анкера.
Сделайте гидравлический тест после установки. Раскройте клапан сброса давления танка сперва после этого заполните воду в пузырь от трубы концентрата стекая. После этого закройте клапан сброса давления танка когда пузырь полон воды. Надуйте систему и держащ на 10 минут когда давление получает испытательное давление, танк должен не иметь никакую утечку. Близкий клапан клапана входа воды и клапана дренажа открытой воды и дренажа концентрата для того чтобы стечь воду прочь в танке и пузыре. (Мы сделаем этот тест когда продукты выйдут фабрика)


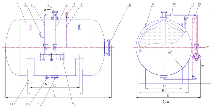
1. Танк
2. Манометр
3. Вход воды
вход 4.Фед
5. Выход пены
6. Предохранительный клапан
7. Сброс танка
8. Отверстие осмотра
9. Поднимаясь волочение
10. Задерживающий клапан
11. Сброс пузыря
12. Жидкостный индикатор
13. Кронштейн
14. Дренаж воды
15. Дренаж пены
16. Пропортионер
| ЛИТРЫ ЕМКОСТИ | Д мм |
Л мм |
Л1 мм |
Л2 мм |
Б мм |
Б1 мм |
Б2 мм |
Х мм |
Х1 мм |
ВЕС (КГ) |
| 500 | 800 | 1450 | 630 | 480 | 1250 | 705 | 400 | 1400 | 700 | 280 |
| 1000 | 1000 | 1800 | 800 | 625 | 1350 | 760 | 330 | 1600 | 800 | 350 |
| 1500 | 1000 | 2350 | 1270 | 1120 | 1350 | 760 | 340 | 1650 | 810 | 450 |
| 2000 | 1200 | 2300 | 1230 | 1025 | 1550 | 1000 | 390 | 1800 | 900 | 550 |
| 2500 | 1200 | 2650 | 1550 | 1350 | 1550 | 1000 | 400 | 1850 | 910 | 700 |
| 3000 | 1400 | 2500 | 1320 | 1120 | 1750 | 1200 | 400 | 2100 | 1000 | 800 |
| 3500 | 1400 | 2800 | 1450 | 1250 | 1750 | 1200 | 400 | 2100 | 1000 | 950 |
| 4000 | 1500 | 2750 | 1500 | 1300 | 1850 | 1300 | 500 | 2200 | 1100 | 1050 |
| 5000 | 1600 | 3100 | 1800 | 1500 | 1950 | 1400 | 850 | 2300 | 1100 | 1200 |
| 5500 | 1600 | 3250 | 1800 | 1500 | 1950 | 1400 | 850 | 2300 | 1100 | 1300 |
| 6000 | 1600 | 3400 | 1900 | 1700 | 1950 | 1400 | 850 | 2300 | 1200 | 1400 |
| 7500 | 1800 | 3500 | 2100 | 1800 | 2200 | 1800 | 850 | 2500 | 1200 | 1600 |
| 9000 | 2000 | 3500 | 2000 | 1800 | 2400 | 1800 | 1350 | 2700 | 1300 | 1900 |
| 10000 | 2000 | 3850 | 2000 | 1800 | 2400 | 1800 | 1350 | 2700 | 1300 | 2200 |
| 11000 | 2000 | 4100 | 2000 | 1800 | 2400 | 1800 | 1350 | 2700 | 1300 | 2600 |
| 13000 | 2200 | 4000 | 2350 | 2000 | 2600 | 2000 | 1400 | 2900 | 1400 | 3000 |
| 15000 | 2300 | 4300 | 2350 | 2000 | 2700 | 2000 | 1400 | 3000 | 1460 | 3500 |