Сбалансированный пожаротушением скид пены системы давления соблюдая пропорции
Введение:
Система насоса давления баланса скид-соблюдая пропорции точно контролирует подачу концентрата пены внутри к потоку воды. Система автоматически контролирует концентрат пены над широким диапазоном подачи и давления, без ручной регулировки. Система типично использована в фиксированной системе пены и специализированных мобильных оборудованиях для защиты фермы танка, оффшорной платформы, вешалки ремесла воздуха, морского дока, нагружая шкафа и в много других применений и во всех типах опасности.
Принцип:
Когда огонь случается, водяная помпа огня была начата. Давление и подача воды огня будут питанием назад для того чтобы сбалансировать клапан. Пена и вода будут смешаны в пропортионер пены для того чтобы получить решение пены. Если давление и подача от измененной воды, клапана огня баланса отрегулируют свою раскрывая степень для того чтобы отрегулировать подачу пены, то достигая динамическое равновесие для того чтобы гарантировать точный смешивая коэффициент. Атмосферический танк пены можно рефиллед даже когда система под работать, который увеличивает рабочее временя.
Параметры:
| Модель | Размер Пропортионер (мм) | Ряд давления деятельности (МПа) | Ряд подачи (Л/С) | Смешивая коэффициент |
| ПХП3/24 | ДН65 | 0.6~1.2 или 0.6~1.6 | 6~24 | 3%~3.9% или 6%~7% |
| ПХП6/24 | ||||
| ПХП3/42 | ДН100 | 18~42 | ||
| ПХП6/42 | ||||
| ПХП3/72 | 18~72 | |||
| ПХП6/72 | ||||
| ПХП3/100 | ДН150 | 24~100 | ||
| ПХП6/100 | ||||
| ПХП3/120 | 24~120 | |||
| ПХП6/120 | ||||
| ПХП3/160 | 24~160 | |||
| ПХП6/160 | ||||
| ПХП3/200 | ДН200 | 48~200 | ||
| ПХП6/200 | ||||
| ПХП3/260 | 48~260 | |||
| ПХП6/260 | ||||
| ПХП3/300 | ДН250 | 75~300 | ||
| ПХП6/300 | ||||
| ПХП3/400 | 75~400 | |||
| ПХП6/400 |
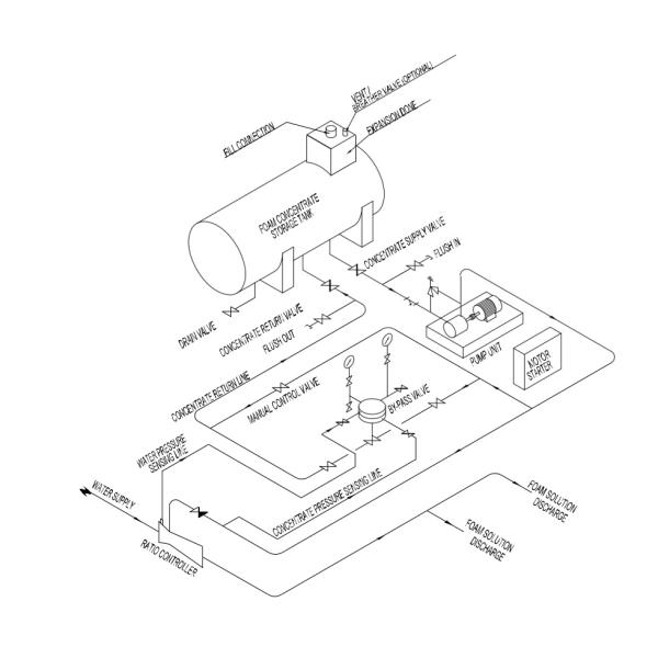
УСТАНОВКА
1. Построьте учреждение как для скида, так и для танка пены. 2 учреждения должны находиться в соответствующей высоте.
2. Установите скид и танк пены на их соответственно учреждениях с анкерными болтами.
3. Соедините выход пены танка пены с входом пены скида составной трубой.
4. Полный танк пены заполнения с концентратом пены от входа рефлюкса пены, после этого соединяет вход рефлюкса пены танка пены с трубой рефлюкса пены скида трубой нержавеющей стали.
ДЕЯТЕЛЬНОСТЬ
1. Держите клапан мытья закрытый и раскрывайте все другие ручные клапаны
2. Начните водяную помпу огня для того чтобы поставить надутую воду для этой системы.
3. Отожмите «кнопку клапана входа пены открытую» (зеленый цвет) на распределительном ящике для того чтобы позволить пене получите в систему.
4. Отожмите «кнопку клапана гидравлической турбины открытую» (зеленый цвет) на распределительном ящике для начала гидравлической турбины. Система находится под работать по настоящее время.
5. Отожмите «кнопку конца клапана входа пены» (красный цвет) для того чтобы остановить пену получая в систему.
6. Раскройте ручной клапан мытья для того чтобы позволить воде получите в систему. Держите пожарный насос побежать на несколько минут для того чтобы помыть систему с свежей водой.
7. Отожмите «кнопку конца клапана гидравлической турбины» (красный цвет) для того чтобы остановить гидравлическую турбину.
8. Остановите водяную помпу огня для того чтобы остановить водоснабжение.
9. Закройте все ручные клапаны на скиде для того чтобы установить его в резервное состояние.
вопросы и ответы
1. Вы предлагаете свободный образец для ваших клиентов?
Да, мы предлагаем образец для большего части из продуктов.
2. Что МОК ваших продуктов?
Наше МОК одна (1) часть/набор.
3. Вы изготовитель с вашей собственной фабрикой?
Да, мы изготовитель на больше чем 20 лет.
4. Что ваши условия оплаты?
Мы признаваем Т/Т, Л/К, западное соединение, етк.
5. Сколько времени срок поставки?
Обычно около 12 через дни после оплаты.
6. Вы имеете службу технической поддержки?
Да, мы имеем профессиональную команду инженерства.
7. Вы имеете гарантию?
Да, все продукты имеют одну гарантию года.
8. Можете вы принять ОЭМ?
Да, мы делаем подгонянный дизайн для наших клиентов.