Примечание:
Использованный для того чтобы испытать характеристику рабочое трением удара защитной одежды для водителей мотоцикла.
Стандарт:
Испытывая прибор для 17092-1:2017 prEN.
Технические параметры:
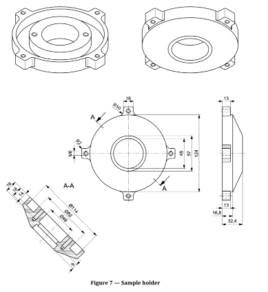
Номер несущей образца образцов:
- 3
Образец сползая диаметр:
- 900mm
Высота падения:
- (10±1) mm
Статическое давление на образце:
- 18,75kPa
Держатели образца и кольца держателя образца:

Поверхность держателя образца сползая:
- резиновая колодка
(такая же пусковая площадка размера будет использована в каждом держателе образца)
- диаметр 48mm, высота 12mm, твердость берега a (65±5)
Вес несущей образца:
- 10,83kg
Полная инерция ротора:
- 2 236 kgm ²
Механические и электрические системы включат следующие начальные условия:
Начальная скорость:
- 140~720rpm
Конкретная плитка:
Бортовая длина:
- по крайней мере квадрат 1m
Толщина:
- 5~6cm
Размер:
- 1.3m×1.5m×1.6m
Добро пожаловать для посещения нашей фабрики для осмотра достопримечательностей!
| Название фирмы поставщика | CO. оборудования аппаратуры Dongguan Daxian, ограничивалось |
| Адрес компании | Здание Changlian промышленное, дорога 168 Zhenan западная, община Xiabian, городок Chang'an, Dongguan, Guang Дун, Китай |
| Агента | Sophia Su |
| Мобильный номер | 86-13266221899 |
| Номер телефона | 86-0769-82759287 |