Тип фильтрация CF8/CF3 нержавеющей стали y клапана стрейнера эффективная
Спецификации
Номинальное давление: PN1.6-6.4
Давление прочности испытывая: PT1.5PN
Применимая температура: -29~180℃
Применимые средства массовой информации: Water.Oil.Gas
Применение
Y типа фильтр нет общего фильтра, и свои функциональные характеристики делают его гениальный в много фильтров. Он выдвигал структуру, низкое сопротивление и удобную разрядку нечистот. Необходимо снабдить сразу водоснабжение отдельно от сразу питьевой воды и другой воды используемых в жизни. Качественное водоснабжение неотделимо от фильтрации воды, и фильтр y обеспечивает защиту для вставки качественного водоснабжения.
Фильтр нержавеющей стали разрешал проблему загрязнения воды на земле. Из-за роли фильтра нержавеющей стали, была разрешена проблема загрязнения водных ресурсов земли, и она также гарантирует развитие водных ресурсов земли. Защита водных ресурсов равна к делать защитный слой для земли и построению учреждения для экологической конструкции источника земли.
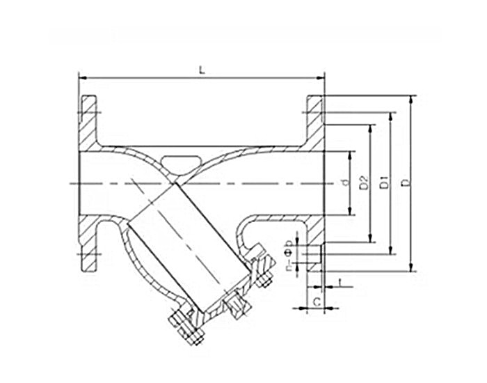
| РАЗМЕР | d | D | D1 | D2 | t | C | n-φb | L |
| DN15 | 15 | 95 | 65 | 45 | 2 | 14 | 4-14 | 120 |
| DN20 | 20 | 105 | 75 | 58 | 2 | 14 | 4-14 | 140 |
| DN25 | 25 | 115 | 85 | 68 | 2 | 14 | 4-14 | 155 |
| DN32 | 32 | 135 | 100 | 78 | 2 | 16 | 4-18 | 180 |
| DN40 | 40 | 145 | 110 | 88 | 3 | 16 | 4-18 | 200 |
| DN50 | 50 | 160 | 125 | 102 | 3 | 16 | 4-18 | 220 |
| DN65 | 65 | 180 | 145 | 122 | 3 | 18 | 4-18 | 250 |
| DN80 | 80 | 195 | 160 | 138 | 3 | 20 | 8-18 | 280 |
| DN100 | 100 | 215 | 180 | 158 | 3 | 20 | 8-18 | 320 |
| DN125 | 125 | 245 | 210 | 188 | 3 | 22 | 8-18 | 345 |
| DN150 | 150 | 280 | 240 | 212 | 3 | 24 | 8-23 | 380 |
| DN200 | 200 | 335 | 295 | 268 | 3 | 26 | 12-23 | 500 |
Особенность
Package&Delivery
Пакуя детали: Мы выбираем соответствующие деревянные случаи согласно различным клапанам и аранжируем квалифицированные рабочих для того чтобы упаковать в случае синяка. Долгосрочный объединенный товароотправитель запишет космос, пройдет таможенную очистку и транспортирует для нас без промедления. 3 пути для транспорта, морским путем, самолетом и поездом. Мы аранжируем транспорт согласно потребностям клиентов.
Детали доставки: согласно заказу, 7~60days
вопросы и ответы
Q: Вы торговая компания или изготовитель?
: Мы фабрика.
Q: Сколько времени ваш срок поставки?
: Согласно заказу, 7~60days.
Q: Вы обеспечиваете образцы? он свободно или дополнительные?
: Да, мы смогли предложить обязанность образца бесплатно но не оплачиваем цену перевозки.
Q: Что ваши условия платежа?
: Payment<=1000USD, 100% заранее. Payment>=1000USD, 30% T/T заранее, баланс перед пересылкой.