Высокая вафля платформы КФ8 СС304 ДН50 Италии шариковый клапан 1 части управляя приводами
Характеристики продукта
шариковый клапан вафли 1ПК
Применимые стандарты:
- Дизайн и производство: ГБ/Т12237/1989
- Соединение: ДЖБ/Т79
- Придайте огнестойкость тесту: ГБ/Т13927 - 1992
Ряд размера:
- ДН15 | ДН200
Номинальное давление:
- 1,6 | МПа 4,0
Диапазон температур:
- - °К 20 | °К 350
Сравненный с обычными шариковыми клапанами, шариковые клапаны вафли К71Ф имеют преимущества короткой структурной длины, легковеса, удобной установки. Место клапана принимает мягкую структуру запечатывания, которая надежна в запечатывании и легка для открытия и для того чтобы закрыть. Оборудовано с тугоплавкой структурой которая надежна и имеет хороший герметизировать в случае огня.

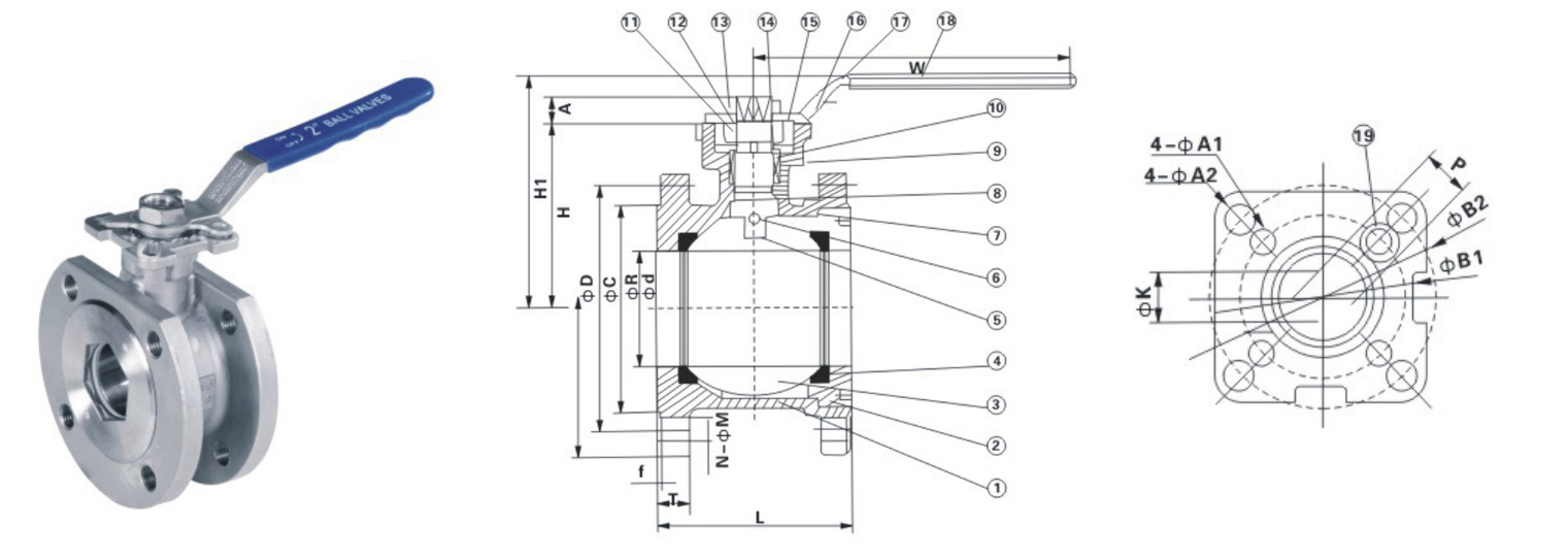
| Размер | φд | φР | φК | φД | Р | Т | Л | |
| 15 | 1/2» | 15 | 45 | 65 | 95 | 2 | 14 | 35 |
| 20 | 3/4" | 20 | 55 | 75 | 105 | 2 | 14 | 38 |
| 25 | 1" | 25 | 65 | 85 | 115 | 2 | 14 | 42 |
| 32 | 1 1/4" | 32 | 78 | 100 | 135 | 2 | 16 | 50 |
| 40 | 1 1/2» | 38 | 85 | 110 | 145 | 3 | 16 | 62 |
| 50 | 2" | 50 | 100 | 125 | 160 | 3 | 16 | 72 |
| 65 | 2 1/2» | 63,5 | 120 | 145 | 180 | 3 | 18 | 95 |
| 80 | 3" | 76 | 135 | 160 | 195 | 3 | 20 | 118 |
| 100 | 4" | 95 | 155 | 180 | 215 | 3 | 20 | 140 |
| 125 | ] 5" | 118 | 185 | 210 | 245 | 3 | 22 | 195 |
| 150 | 6" | 142 | 210 | 240 | 280 | 3 | 24 | 225 |
Применение
Шариковый клапан соответствующий для ПН1.0~2.5МПа, работающ температура 29~180°К (место усиленное ПТФЭ) или 29~300°К (место ППЛ) на различных трубопроводах, оно использовано для того чтобы отрезать или соединить средство в трубопроводе. Различные материалы можно использовать для воды, пара, масла, азотноводородной кислоты, укусной кислоты, окисляя средства, мочевины и других средств массовой информации.
Прочность
1. Уникальный дизайн ексцентрика делает бесфрикционную передачу между поверхностями для заклеивания, которая увеличивает срок службы клапана.
2. Эластично место произведенное вращающим моментом.
3. Изобретательный дизайн клина делает клапан иметь более плотную и более плотную автоматическую функцию запечатывания, с возмездной и зеро утечкой между поверхностями для заклеивания.
4. Небольшой размер, легковес, облегченный и легкий для установки.
5. Пневматические и электрические приборы можно установить согласно требованиям к потребителя отвечать потребностямы дистанционного управления и управления программы.
6. Материал места замены можно приложить к разнообразие средствам массовой информации.
Модельный выбор
Шариковый клапан вафли
| Не моделируйте никакое | Давление деятельности /Mpa |
Применимая температура /℃ |
Применимое средство |
| К71Ф-16П | 1,6 | ПТФЭ≤150 ППЛ≤250 |
Нитросе |
| К71Ф-25П | 2,5 | Нитросе | |
| К71Ф-16Ти | 1,6 | Окисляя въедливое средство | |
| К71Ф-25Ти | 2,5 | Окисляя въедливое средство |
