Двойник ДИН служил фланцем пусковая площадка шарикового клапана ИСО5211 с ручкой или приводом
Спецификации
Шариковый клапан брошенный ДИН плавая
Применимые стандарты:
- Дизайн и производство: ДИН 3357/1,2ЭН12516-1
- Соединение: ДИН2542~ДИН2545, Эн1092
- Придайте огнестойкость тесту: АПИ607 4-ое 1993
- Тест и осмотр: ДИН3230/3, Эн12266
Ряд размера:
- 1/2 " ~8"
Оценка давления:
- ДИН ПН10 ПН16 ПН25 ПН40
Диапазон температур:
- -20°К~185°К

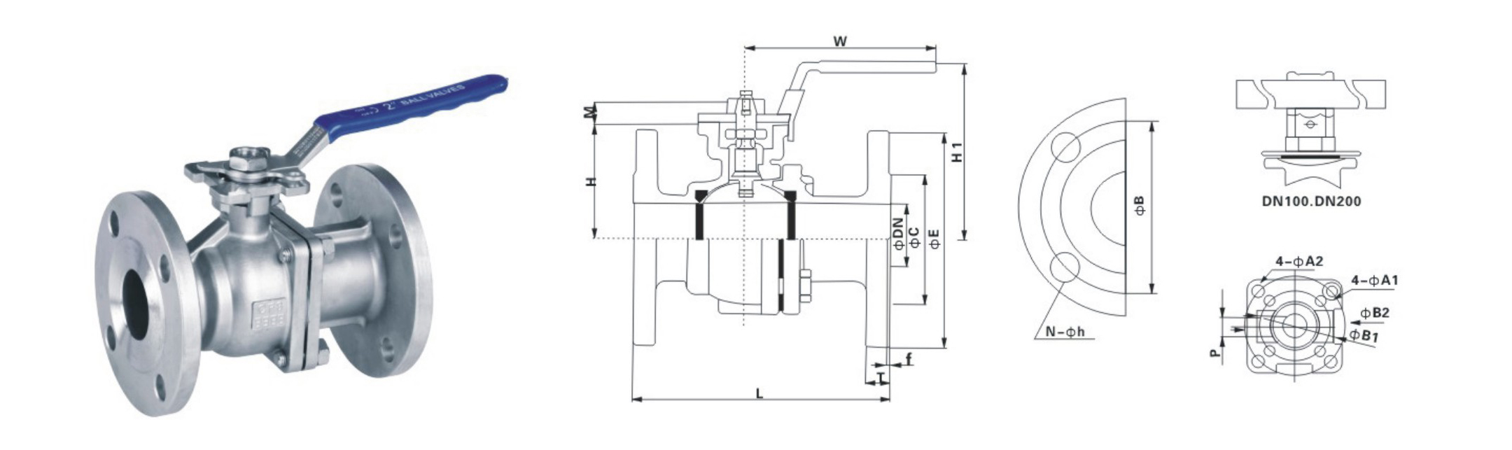
| ПН (Мпа) | ДН | Л | φЭ | φБ | φК | Т | ф | Н-φх | Х | Х1 | В | М | П | А1 | А2 | Б1 | Б2 |
| 1,6 | 15 | 115 | 95 | 65 | 45 | 16 | 2 | 4-14 | 48 | 79 | 135 | 9 | 9 | 6 | 6 | 36 | 42 |
| 20 | 120 | 105 | 75 | 58 | 18 | 2 | 4-14 | 53 | 84 | 135 | 9 | 9 | 6 | 6 | 36 | 42 | |
| 25 | 125 | 115 | 85 | 68 | 18 | 2 | 4-14 | 64 | 95 | 170 | 11 | 11 | 6 | 7 | 42 | 50 | |
| 32 | 130 | 140 | 100 | 78 | 18 | 2 | 4-18 | 71 | 103 | 170 | 11 | 11 | 6 | 7 | 42 | 50 | |
| 40 | 140 | 150 | 110 | 88 | 18 | 3 | 4-18 | 76 | 111 | 200 | 14 | 14 | 7 | 9 | 50 | 70 | |
| 50 | 150 | 165 | 125 | 102 | 18 | 3 | 4-18 | 85 | 120 | 200 | 14 | 14 | 7 | 9 | 50 | 70 | |
| 65 | 170 | 185 | 145 | 122 | 20 | 3 | 4-18 | 104 | 153 | 300 | 17 | 17 | 9 | 11 | 70 | 102 | |
| 80 | 180 | 200 | 160 | 138 | 20 | 3 | 8-18 | 114 | 163 | 300 | 17 | 17 | 9 | 11 | 70 | 102 | |
| 100 | 190 | 220 | 180 | 158 | 20 | 3 | 8-18 | 140 | 182 | 400 | 17 | 17 | НЕ | 11 | НЕ | 102 | |
| 125 | 325 | 250 | 210 | 188 | 22 | 3 | 8-18 | 183 | 260 | 500 | 27 | 27 | 14 | НЕ | 125 | НЕ | |
| 150 | 350 | 285 | 240 | 212 | 22 | 3 | 8-22 | 202 | 280 | 800 | 27 | 27 | 14 | НЕ | 125 | 140 | |
| 200 | 400 | 340 | 295 | 268 | 24 | 3 | 12-22 | 253 | - | 1100 | 27 | 27 | 14 | НЕ | 125 | 140 |
Применение
* широкий диапазон применений, от небольшого к немного миллиметров в диаметре, большие метры, от глубокого вакуума к высокому давлению можно приложить.
* шариковые клапаны широко были использованы в нефти, химикате, производстве электроэнергии, бумаге, атомной энергии, авиации, ракете и других отделах, так же, как жизнях Жэньминь Жибао.
Преимущество
1. Жидкое сопротивление, коэффициент сопротивления трубы с такой же длиной равно.
2. простая структура, небольшой размер, облегченный.
3. близкая и надежная пластмасса материала поверхности для заклеивания клапана широко используемая, запечатывание, и широко была использована в системе вакуума.
4. легкий для того чтобы работать, раскрывающ и закрывающ быстро, от полно открытого для полно закрытого покуда вращение 90°, для того чтобы облегчить дистанционное управление.
5. легкое обслуживание, простой шариковый клапан, уплотнения вообще деятельность, замена удаления более удобно.
6. В полно открытом или полно закрытый, поверхность для заклеивания и диэлектрические шарик и место изоляции, через средства массовой информации, не причинят размывание поверхности для заклеивания клапана.
Модельный выбор
Шариковый клапан полного порта ДИН 2ПК плавая
| Стандартный | АНСИ | ГБ | ДЖИС | ДИН |
| Давление | 150ЛБ 300ЛБ | ПН16/ПН25/ПН40 | 10К/20К | ПН16/ПН25/ПН40 |
| Матрайал | 1) КФ8/СС304 2) КФ8М/СС316 3) КФ3/СС304Л 4) КФ3М/СС316Л 5) ВКБ | |||
| Модель | 1) Высокая модель ручки модели платформы 2) | |||
