Тип вал вафли высокой эффективности стержня большого диаметра клапан-бабочки DN150 обнаженный
Спецификации
Применимые стандарты:
* дизайн и изготовлять: GB/T12238-2005
* соединение: JB/T79- 94(2)
* лицом к лицу размер: GB/T 12221(20)
* тест и осмотр: JB/T9092-1999
Ряд размера:
- DN50~DN500
Оценка давления:
- PN16~PN40
Диапазон температур:
- -20°C~185°C
Применение
Как вид компонента используемый для того чтобы осуществить включеный-выключеное и регулирование потока системы трубопровода, клапан-бабочка широко была использована в много полей как нефть, химикат, металлургия, гидроэлектроэнергия и так далее. В известной технологии клапан-бабочки, герметизируя форма главным образом загерметизирована, и герметизируя материал резинов, политетрафторэтилены или подобия. Должный к структурным ограничениям, не соответствующее для индустрий как высокотемпературное сопротивление, высокое сопротивление давления, коррозионной устойчивости и носки.

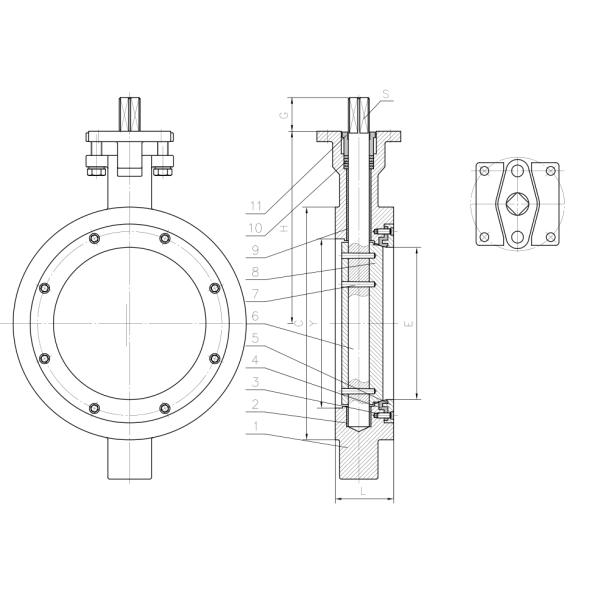
| РАЗМЕР | L | C | Y | E | G |
| 2" | 43 | 96 | 50 | 38 | 124 |
| 2 1/2» | 49 | 119 | 48 | 59 | 194 |
| 3" | 49 | 132 | 74 | 73 | 203 |
| 4" | 54 | 157 | 97 | 95 | 216 |
| 5" | 64 | 186 | 111 | 111 | 217 |
| 6" | 57 | 216 | 146 | 142 | 235 |
| 8" | 64 | 270 | 194 | 188 | 270 |
| 10" | 71 | 324 | 243 | 236 | 329 |
| 12" | 81 | 381 | 289 | 282 | 357 |
Особенность
Клапан-бабочка имеет характеристики простой структуры, небольшого тома, облегченного, материального потребления, небольшого размера установки, быстрого переключателя, вращения 90° reciprocating, небольшого крутящего момента на ведущем вале, etc. она использована для того чтобы отрезать, соединить и отрегулировать средство в трубопроводе. Жидкие пусковые характеристики и проведение запечатывания выключения.
Модельный выбор
| Стандарт | ANSI | GB | JIS | DIN |
| Давление | 150LB/300LB | PN16/PN25/PN40 | 10K/20K | PN16/PN40 |
| Matreial | 1) CF8/SS304 2) CF8M/SS316 3) CF3/SS304L 4) CF3M/SS316L 5) WCB | |||
| Модель | 1) Высокая модель ручки модели платформы 2) | |||
