Руководство задерживающего клапана щитка полного потока усаженное металлом
Спецификации
- Проектно-конструкторский стандарт: ASME B16.34, API6D
- Лицом к лицу: ASME B16.10, API6D
- Фланец конца: ANSI/ASME B16.5, API605
- Концы Buttwelding: ASME B16.25
- Осмотр и тест: API598, API6D
Применение
Задерживающий клапан со служить фланцем концами значит что он может легко соединиться с насосами и трубами. Может также быть удобным путем завершить систему путем приспосабливать несколько труб совместно. Разные виды соединений фланца, а именно продетый нитку, слепой, подол-соединения, выскальзывани-на, сваривать-шея, и гнезд-сварили.
В зависимости от системы и применения, служить фланцем задерживающий клапан можно сделать из нержавеющей стали, стали высоко-сплава, цветной стали, стали низко-сплава, и низкоуглеродистой стали.
Этот клапан широко использован в системах воды и отработанной воды, применениях газа и нефти, и транспортных обслуживаниях. Он можно также найти в других индустриях, как производство электроэнергии, химические удобрения, и химикаты.

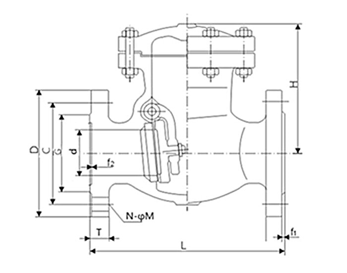
| РАЗМЕР | d | L | H | D | C | G | T | N-ΦM |
| 1/2» | 15 | 108 | 51 | 89 | 60,5 | 35 | 11,1 | 4-16 |
| 3/4" | 20 | 117 | 54 | 98 | 70 | 43 | 11,1 | 4-16 |
| 1" | 25 | 127 | 64 | 108 | 79,5 | 51 | 11,1 | 4-16 |
| 1 1/4" | 32 | 140 | 68 | 117 | 89,5 | 64 | 12,7 | 4-16 |
| 1 1/2» | 40 | 165 | 75 | 127 | 98,5 | 73 | 14,3 | 4-16 |
| 2" | 50 | 203 | 98 | 152 | 120,5 | 92 | 15,9 | 4-19 |
| 2 1/2» | 65 | 216 | 112 | 178 | 139,5 | 105 | 17,5 | 4-19 |

Особенность
Бросающ процессом литья точности, качество поверхности красиво, никакое поверхностно дефекты как липкий песок и холодно разделы; внутреннее качество стабилизировано, и никакие своиственные дефекты как разрыхленность, волдыри и отказы.
Package&Delivery
Пакуя детали: Мы выбираем соответствующие деревянные случаи согласно различным клапанам и аранжируем квалифицированные рабочих для того чтобы упаковать в случае синяка. Долгосрочный объединенный товароотправитель запишет космос, пройдет таможенную очистку и транспортирует для нас без промедления. 3 пути для транспорта, морским путем, самолетом и поездом. Мы аранжируем транспорт согласно потребностям клиентов.
Детали доставки: согласно заказу, 7~60days
вопросы и ответы
Q: Вы торговая компания или изготовитель?
: Мы изготовитель над 16 летами.
Q: Сколько времени ваш срок поставки?
: Согласно заказу, 7~60days.
Q: Вы обеспечиваете образцы? он свободно или дополнительные?
: Да, мы смогли предложить обязанность образца бесплатно но не оплачиваем цену перевозки.
Q: Что ваши условия платежа?
: Payment<=1000USD, 100% заранее. Payment>=1000USD, 30% T/T заранее, баланс перед пересылкой.