Двойной тип двойной задерживающий клапан DN150 вафли двери диска трубы плиты, место PN16 EPDM
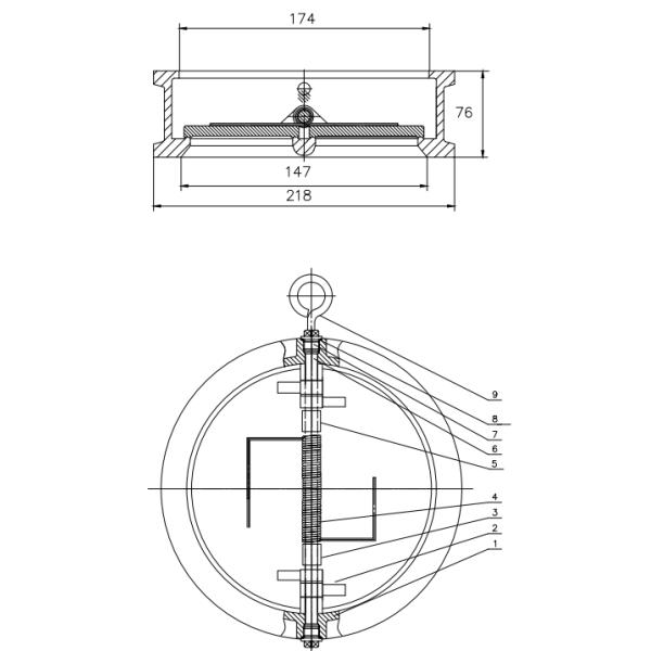
Габаритный чертеж

| DN | L | D | D2 | D3 |
| 150 | 76 | 218 | 147 | 174 |
Спецификации
Дизайн согласно AP1594
Лицом к лицу согласно DIN3202.
Оценка давления & температуры согласно DIN2526
Тест & осмотр согласно EN12266
Применение
Тип задерживающий клапан вафли всеобщий односторонний жидкий клапан. Общего назначения модель имеет преимущества облегченного, небольшого тома и легкий быть установленным между фланцами. Внутренность клапана составлена 2 полукруглых весен и поверхности плиты, и зафиксирована на теле клапана штырем, и весна деформирована для того чтобы закрыть плиту клапана, и давление жидкости причиняет весну раскрыть. Деформация быстра, которая защищает трубу от повреждения молотка воды.
Особенность
Когда расход потока замедлен, пружина кручения автоматически реагирует, причиняющ щиток клапана закрыть, причаливающ месту тела клапана, уменьшающ расстояние перемещения и время заключительного хода. Когда потоки жидкости назад, щиток клапана постепенно причаливают место клапана тела клапана, и динамическая характеристика клапана значительно ускорены ход. Это драматически уменьшает влияния явления молотка воды, приводящ в nonimpact представлении.
Закрыванный, действие силы весны причиняет подсказку щитка закрыть сперва. Это предотвращает возникновение сдерживать на корне щитка, позволяющ клапану обслуживать более равномерное уплотнение на более длинный период времени.
Package&Delivery
Пакуя детали: Мы выбираем соответствующие деревянные случаи согласно различным клапанам и аранжируем квалифицированные рабочих для того чтобы упаковать в случае синяка. Долгосрочный объединенный товароотправитель запишет космос, пройдет таможенную очистку и транспортирует для нас без промедления. 3 пути для транспорта, морским путем, самолетом и поездом. Мы аранжируем транспорт согласно потребностям клиентов.
Детали доставки: согласно заказу, 7~35days
вопросы и ответы
Q: Вы торговая компания или изготовитель?
: Мы фабрика.
Q: Сколько времени ваш срок поставки?
: Согласно заказу, 7~60days.
Q: Вы обеспечиваете образцы? он свободно или дополнительные?
: Да, мы смогли предложить обязанность образца бесплатно но не оплачиваем цену перевозки.
Q: Что ваши условия платежа?
: Payment=1000USD<>, 30% T/T заранее, баланс перед пересылкой.
