ASTM A234 класс WP22 B16.9 BW равный Tee
Сварки встык легированной стали тройника BW ASTM A234 WP22 B16.9 тройник равной равный
Тройник ASTM A234 WP22 тройники трубы легированной стали которые имеют емкость соединить 3 трубы или других штуцеры.
Информация о продукте
| Название продукта | Тройник сварки встык легированной стали BW ранга WP22 B16.9 ASTM A234 равный |
| Ряд размера | 1/2» до 48" |
| Толщина стены | Sch20S к Sch80S |
| Стандарты | ASTM A234 |
| Ранг | WP22 |
| Изготовляя стандарты | ASME B16.9 MSS SP-43 B |
| Покрытие | Черное покрытие праймера, горячее окунутое гальванизирование, покрытие хлопь цинка (electro-гальванизирование), масло ингибитирования ржавчины или покрытие политуры. |
Химический состав материала GR WP22 ASTM A234 (%)
| Si | S | Mn | P | C | Mo | Cr | Ni | Cu | |
| WP22 CL1 | 0,5 | 0,04 | 0.3-0.6 | 0,04 | 0.05-0.15 | 0.87-1.13 | 1.9-2.6 | ||
| WP22 CL3 | 0,5 | 0,04 | 0.3-0.6 | 0,04 | 0.05-0.15 | 0.87-1.13 | 1.9-2.6 |
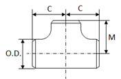
Размеры тройника ASME B16.9 (mm)

| NPS (дюйм) | Вне Dia. на наклоне | Центр-к-конец | |
| O.D. | Бег (c) | Выход (m) | |
| 1/2 | 21,3 | 25 | 25 |
| 3/4 | 26,7 | 29 | 29 |
| 1 | 33,4 | 38 | 38 |
| 1 1/4 | 42,2 | 48 | 48 |
| 1 1/2 | 48,3 | 57 | 57 |
| 2 | 60,3 | 64 | 64 |
| 2 1/2 | 73 | 76 | 76 |
| 3 | 88,9 | 86 | 86 |
| 3 1/2 | 101,6 | 95 | 95 |
| 4 | 114,3 | 105 | 105 |
| 5 | 141,3 | 124 | 124 |
| 6 | 168,3 | 143 | 143 |
| 8 | 219,1 | 178 | 178 |
| 10 | 273,1 | 216 | 216 |
| 12 | 323,9 | 254 | 254 |
| 14 | 355,6 | 279 | 279 |
| 16 | 406,4 | 305 | 305 |
| 18 | 457,2 | 343 | 343 |
| 20 | 508 | 381 | 381 |
| 22 | 559 | 419 | 419 |
| 24 | 610 | 432 | 432 |
| 26 | 660 | 495 | 495 |
| 28 | 711 | 521 | 521 |
| 30 | 762 | 559 | 559 |
| 32 | 813 | 597 | 597 |
| 34 | 864 | 635 | 635 |
| 36 | 914 | 673 | 673 |
| 38 | 965 | 711 | 711 |
| 40 | 1016 | 749 | 749 |
| 42 | 1067 | 762 | 711 |
| 44 | 1118 | 813 | 762 |
| 46 | 1168 | 851 | 800 |
| 48 | 1219 | 889 | 838 |
ASTM A234 класс WP22 B16.9 BW равный Tee