Тройник заварки гнезда углерода давления ASTM A105 ASME B16.11 высокий стальной выкованный (SW) прямой
Информация о продукте
| Название продукта | Тройник заварки гнезда углерода давления ASTM A105 ASME B16.11 высокий стальной выкованный (SW) прямой |
| Ряд размера | 1/8" до 4" |
| Класс давления | Класс 3000 6000 9000 |
| Стандарты | ASTM A105 |
| Приспосабливая тип | Сварка гнезда (SW) |
| Размеры | ASME B16.11 |
ASME B16.11 выковало тройник трехсторонний штуцер используемый для того чтобы наладить перпендикулярные связи с трубой. 3 выхода выкованного тройника могут быть поставлены с любым концом заварки гнезда (SW) или продели нитку конец (THD). Выкованные тройники можно более в дальнейшем расклассифицировать как прямой тип (все 3 выхода такой же размер трубы) или уменьшение типа (выход ветви более небольшой размер трубы). Тройники SW ASME B16.11 доступны в классе 3000, 6000, и 9000 оценки давления; Тройники ASME B16.11 THD доступны в классе оценки давления 2000, 3000, и 6000.
Стандарты & материалы: Химический состав штуцера ASTM A105 (%)
| Стальной класс |
C максимальный |
Si | Mn |
P максимальный |
S максимальный |
Ni максимальный |
Cr максимальный |
Mo максимальный |
V максимальный |
| A105 | 0,35 | 0.10-0.35 | 0.60-1.05 | 0,035 | 0,040 | 0,40 | 0,30 | 0,12 | 0,08 |
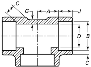
ASME B16.11 проставляет размеры выкованного прямого тройника с концами заварки гнезда (SW)

Технический чертеж ASME B16.11 выковал тройник с концами гнезда сваривая
| NPS | B максимальный. |
B MIN. |
3000# |
6000# |
| 1/8" | 11,2 | 10,8 | 11,0 | 11,0 |
| 1/4" | 14,6 | 14,2 | 11,0 | 13,5 |
| 3/8" | 18,0 | 17,6 | 13,5 | 15,5 |
| 1/2» | 22,2 | 21,8 | 15,5 | 19,0 |
| 3/4" | 27,6 | 27,2 | 19,0 | 22,5 |
| 1" | 34,3 | 33,9 | 22,5 | 27,0 |
| 1-1/4» | 43,1 | 42,7 | 27,0 | 32,0 |
| 1-1/2» | 49,2 | 48,8 | 32,0 | 38,0 |
| 2" | 61,7 | 61,2 | 38,0 | 41,0 |
| 2-1/2» | 74,4 | 73,9 | 41,0 | - |
| 3" | 90,3 | 89,8 | 57,0 | - |
| 4" | 115,7 | 115,2 | 66,5 | - |
| NPS | G 3000# MIN. |
G 6000# MIN. |
G 9000# MIN. |
J MIN. |
| 1/8" | 2,41 | 3,15 | - | 9,5 |
| 1/4" | 3,02 | 3,68 | - | 9,5 |
| 3/8" | 3,20 | 4,01 | - | 9,5 |
| 1/2» | 3,73 | 4,78 | 7,47 | 9,5 |
| 3/4" | 3,91 | 5,56 | 7,82 | 12,5 |
| 1" | 4,55 | 6,35 | 9,09 | 12,5 |
| 1-1/4» | 4,85 | 6,35 | 9,70 | 12,5 |
| 1-1/2» | 5,08 | 7,14 | 10,15 | 12,5 |
| 2" | 5,54 | 8,74 | 11,07 | 16,0 |
| 2-1/2» | 7,01 | - | - | 16,0 |
| 3" | 7,62 | - | - | 16,0 |
| 4" | 8,56 | - | - | 19,0 |
| NPS | 3000 | 6000 | 9000 | |||
| D максимальный. |
D MIN. |
D максимальный. |
D MIN. |
D максимальный. |
D MIN. |
|
| 1/8" | 7,6 | 6,1 | 4,8 | 3,2 | - | - |
| 1/4" | 10,0 | 8,5 | 7,1 | 5,6 | - | - |
| 3/8" | 13,3 | 11,8 | 9,9 | 8,4 | - | - |
| 1/2» | 16,6 | 15,0 | 12,5 | 11,0 | 7,2 | 5,6 |
| 3/4" | 21,7 | 20,2 | 16,3 | 14,8 | 11,8 | 10,3 |
| 1" | 27,4 | 25,9 | 21,5 | 19,9 | 16,0 | 14,4 |
| 1-1/4» | 35,8 | 34,3 | 30,2 | 28,7 | 23,5 | 22,2 |
| 1-1/2» | 41,6 | 40,1 | 34,7 | 33,2 | 28,7 | 27,2 |
| 2" | 53,3 | 51,7 | 43,6 | 42,1 | 38,9 | 37,4 |
| 2-1/2» | 64,2 | 61,2 | - | - | - | - |
| 3" | 79,4 | 76,4 | - | - | - | - |
| 4" | 103,8 | 100,7 | - | - | - | - |
| NPS | 3000 | 6000 | 9000 | |||
| C максимальный. |
C MIN. |
C максимальный. |
C MIN. |
C максимальный. |
C MIN. |
|
| 1/8" | 3,18 | 3,18 | 3,96 | 3,43 | - | - |
| 1/4" | 3,78 | 3,30 | 4,60 | 4,01 | - | - |
| 3/8" | 4,01 | 3,50 | 5,03 | 4,37 | - | - |
| 1/2» | 4,67 | 4,09 | 5,97 | 5,18 | 9,35 | 8,18 |
| 3/4" | 4,90 | 4,27 | 6,96 | 6,04 | 9,78 | 8,56 |
| 1" | 5,69 | 4,98 | 7,92 | 6,93 | 11,38 | 9,96 |
| 1-1/4» | 6,07 | 5,28 | 7,92 | 6,93 | 12,14 | 10,62 |
| 1-1/2» | 6,35 | 5,54 | 8,92 | 7,80 | 12,70 | 11,12 |
| 2" | 6,93 | 6,04 | 10,92 | 9,50 | 13,84 | 12,12 |
| 2-1/2» | 8,76 | 7,67 | - | - | - | - |
| 3" | 9,52 | 8,30 | - | - | - | - |
| 4" | 10,69 | 9,53 | - | - | - | - |
Общее примечание: все размеры в миллиметре
Примечание: : Центр-к-конец тройника; H: вне диаметра диапазона; G: минимальная толщина стены; B: минимальная длина идеального потока; L2: действительная длина внешнего потока.