Обрезанный конец WP304/L WP310S WP316/L WP321 сварки встык нержавеющей стали ASTM A403
Обрезанный конец сварки встык нержавеющей стали ASTM A403
Обрезанный конец (соединение подола) штуцер который использован заменяет сваренные фланцы когда необходима поддержка вращая резервного фланца. И его можно поставить в стандартном и нештатном размере ANSI который использован для промежуточных труб различного диаметра.
Информация о продукте
| Название продукта | Обрезанный конец нержавеющей стали сварки встык ASTM A815 UNS S31803 двухшпиндельный |
| Ряд размера | Размер: 1/2» до 24" |
| Толщина стены | Sch5S Sch10S Sch20S Sch10 Sch20 Sch30 STD Sch40 |
| Стандарты | ASTM A403 |
| Материал | WP304/L WP310S WP316/L WP321 |
| Изготовляя стандарты |
ASME B16.9 MSS SP-43 |
Типы обрезанного конца
Обрезанный конец предложен в 3 других способах, типе a, b и C. Тип и обрезанный конец b подобны выкованным штуцерам, как локти и тройники, и тип обрезанный конец c сделан в подгонянных размерах.
Тип a
Тип обрезанный конец a использован для стандартного фланца соединения подола. Толщина подола на обрезанном конце больше чем или равный к номинальной толщине стены трубы. К тому же, наружный радиус внешнего закругления типа a может получить фланец соединения подола. Внутренний угол квадратн. Подол обычно имеет, который подвергли механической обработке serrated сторону.
Тип b
Тип обрезанный конец b использован для стандартного выскальзывания на фланцах как фланцы подола. Толщина подола на этих коротких концах больше чем или равный к номинальной толщине стены трубы. Также, наружный радиус внешнего закругления типа b небольшой достаточно для того чтобы получить фланец выскальзывания o который можно использовать как резервный фланец. Внутренний угол квадратн. Подол обычно имеет, который подвергли механической обработке serrated сторону.
Тип c
Тип обрезанный конец c можно использовать для стандартного фланца и выскальзывания соединения подола на фланце. Он flared выходя округленный край на внутреннем диаметре подола. При необходимости, радиус можно сделать закрытый к квадрату. Толщина подола 75% из стены трубы. Тип c очень короток достаточно для того чтобы приспособить любой резервный фланец. Соединение подола на типе c ровно, и это нет машины.
Обрезанные концы обычно изготовлены в 2 путях, типе a и типах B. Они доступны в 2 стандартных длинах, длиной (ANSI) или короткой картине (MSS). Обрезанному концу Sch5s и 10s обычно предлагают вкратце длины, и длинные длины доступны заказанн специальное распоряжение. Обрезанный конец Sch 40s поставлен в или коротких или длинных длинах.
Химические составы материалов
Штуцеры трубы нержавеющей стали ASTM A403 ссылаются на материал выкованный и свернули аустенитовые нержавеющие штуцеры для труб давления. Общие ранги WP304/L, WP316/L. Их можно использовать в много полей как машиностроительная промышленность, заводы etc преобразования энергии
| Ранг a | Состав (%) | |||||||||
| Ранг WP | Обозначение UNS | C | Mn | P | S | Si | Ni | Cr | Mo | Ti |
| WP304 | S30400 | 0,08 | 2,00 | 0,045 | 0,030 | 1,00 | 8.0-11.0 | 18.0-22.0 | ﹍ | ﹍ |
| WP304L | S30403 | 0.030E | 2,00 | 0,045 | 0,030 | 1,00 | 8.0-12.0 | 18.0-22.0 | ﹍ | ﹍ |
| WP310S | S31008 | 0,08 | 2,00 | 0,045 | 0,030 | 1,00 | 19.0-22.0 | 24.0-26.0 | ﹍ | ﹍ |
| WP316 | S31600 | 0,08 | 2,00 | 0,045 | 0,030 | 1,00 | 10.0-14.0 | 16.0-18.0 | 2.00-3.00 | |
| WP316L | S31603 | 0.030E | 2,00 | 0,045 | 0,030 | 1,00 | 10.0-14.0 | 16.0-18.0 | 2.00-3.00 | ﹍ |
| WP321 | S32100 | 0,08 | 2,00 | 0,045 | 0,030 | 1,00 | 9.0-12.0 | 17.0-19.0 | ﹍ | G |
Примечание:
Где многоточие (﹍) появляется в таблицу, никакое требование и элементу нужно быть проанализированным для или сообщенным
Метод анализа для азота будет делом согласования между покупателем и изготовителем
Колумбий 0.10-0.30%; Ванадий 0.10-0.30%.
Для небольшого диаметра или тонких стен, или обоих, где много рисуя пропусков необходимы, максимум углерода 0,04% необходим в рангах TP304L и TP316L. Небольшие трубки внешнего диаметра определены как те меньше чем 0.500in. (23.7mm) во внешнем диаметре и светлых трубках стены как те меньше чем 0.049in. (1.24mm) в средней толщине стены
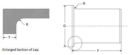
Размеры обрезанного конца ASME B16.9 (mm)

|
Номинальный размер трубы (Дюйм) |
Вне Dia. бочонка | Длина (f) |
Радиус (R) |
Диаметр (G) |
||
| Минута | Макс | Длинная картина | Короткая картина | |||
| 1/2 | 20,5 | 22,8 | 76 | 51 | 3 | 35 |
| 3/4 | 25,9 | 28,1 | 76 | 51 | 3 | 43 |
| 1 | 32,6 | 35,0 | 102 | 51 | 3 | 51 |
| 1-1/4 | 41,4 | 43,6 | 102 | 51 | 5 | 64 |
| 1-1/2 | 47,5 | 49,9 | 102 | 51 | 6 | 74 |
| 2 | 59,5 | 62,4 | 152 | 64 | 8 | 92 |
| 2-1/2 | 72,2 | 75,3 | 152 | 64 | 8 | 105 |
| 3 | 88,1 | 91,3 | 152 | 64 | 10 | 127 |
| 3-1/2 | 100,8 | 104,0 | 152 | 76 | 10 | 140 |
| 4 | 113,5 | 116,7 | 152 | 76 | 11 | 157 |
| 5 | 140,5 | 144,3 | 203 | 76 | 11 | 186 |
| 6 | 167,5 | 171,3 | 203 | 89 | 13 | 216 |
| 8 | 218,3 | 222,1 | 203 | 102 | 13 | 270 |
| 10 | 272,3 | 277,2 | 254 | 127 | 13 | 324 |
| 12 | 323,1 | 328,0 | 254 | 152 | 13 | 381 |
| 14 | 354,8 | 359,9 | 305 | 152 | 13 | 413 |
| 16 | 405,6 | 411,0 | 305 | 152 | 13 | 470 |
| 18 | 456,0 | 462,0 | 305 | 152 | 13 | 533 |
| 20 | 507,0 | 514,0 | 305 | 152 | 13 | 584 |
| 22 | 558,0 | 565,0 | 305 | 152 | 13 | 641 |
| 24 | 609,0 | 616,0 | 305 | 152 | 13 | 692 |