87691 штуцер шланга гидросистемы SAE СЛУЖАТ ФЛАНЦЕМ фланец 6000PSI для месторождения нефти, шахты Industriy
Descrioption:
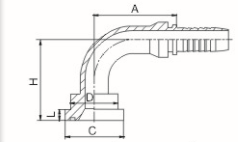
Штуцер шланга гидросистемы фланец 87691 SAE 90 градусов.
Применения:
Штуцер шланга гидросистемы широко использован в гидравлической и жидкой транспортируя системе машинного оборудования,
месторождение нефти, шахта, здание, транспорт и другие индустрии.
Спецификации:
90 ISO 12151-3-SAE J516 ФЛАНЦА 6000PSI SAE СТЕПЕНИ

| Номер детали. | БРОСАТЬ РАЗМЕР | Скважина шланга | Размеры | |||||
| DN | ЧЕРТОЧКА | C | D | H | L | |||
| 87691-08-08 | 1/2» | 12 | 08 | 41 | 31,7 | 24 | 48 | 7,75 |
| 87691-12-10 | 3/4" | 16 | 10 | 56 | 41,3 | 32 | 56,5 | 8,76 |
| 87691-12-12 | 3/4" | 20 | 12 | 65,5 | 41,3 | 32 | 66 | 8,76 |
| 89691-16-12 | 1" | 20 | 12 | 65,5 | 47,6 | 38 | 69 | 9,53 |
| 87691-16-16 | 1" | 25 | 16 | 76,7 | 47,6 | 38 | 74,5 | 9,53 |
| 87691-16-20 | 1" | 32 | 20 | 91,5 | 47,6 | 38 | 85,5 | 9,53 |
| 87691-20-16 | 1.1/4" | 25 | 16 | 76,7 | 54 | 44 | 78,5 | 10,29 |
| 87691-20-20 | 1.1/4" | 32 | 20 | 91,5 | 54 | 44 | 89,5 | 10,29 |
| 87691-24-20 | 1.1/2" | 32 | 20 | 91,5 | 63,5 | 51 | 94,5 | 12,57 |
| 87691-24-24 | 1.1/2" | 40 | 24 | 109,4 | 63,5 | 51 | 108 | 12,57 |
| 87691-32-24 | 2" | 40 | 24 | 109,4 | 79,4 | 67 | 116 | 12,57 |
| 87691-32-32 | 2" | 50 | 32 | 131,8 | 79,4 | 67 | 136,3 | 12,57 |
Примечание: 1 для пользы с рукавами с плетеной внутренней прокладкой, шлангами ткани и термопластиковыми шлангами, если польза со спиральными шлангами, номер серии штуцера шланга 87692-, то ** - **.


