Штуцер шланга гидросистемы 24291, уплотнение ORFS плоское для строительных промышленностей
Descrioption:
Уплотнение степени ORFS штуцера шланга гидросистемы 90 плоское (24291 t). Стиль одно Americal.
Применение:
Штуцер шланга гидросистемы широко использован в гидравлической и жидкой транспортируя системе машинного оборудования,
месторождение нефти, шахта, здание, транспорт и другие индустрии.
Спецификация:
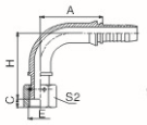
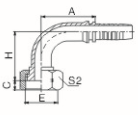
90 ISO 12151-1 МЕСТА СТЕПЕНИ ORFS ЖЕНСКИЙ ПЛОСКИЙ -- SAE J516

24291 24291-T 24291W
| Номер детали. | Поток e | Скважина шланга | Размеры | ||||
| DN | ЧЕРТОЧКА | H | C | S2 | |||
| 24291-04-04 | 9/16" x18 | 6 | 04 | 30 | 41 | 8,5 | 19 |
| 24291-04-05 | 9/16" x18 | 8 | 05 | 33 | 44 | 8,5 | 19 |
| 24291-06-05T | 11/16" x16 | 8 | 05 | 33 | 37,5 | 10 | 22 |
| 24291-06-06 | 11/16" x16 | 10 | 06 | 35,3 | 49,3 | 10 | 22 |
| 24291-06-08 | 11/16" x16 | 12 | 08 | 41 | 55 | 10 | 22 |
| 24291-08-06T | 13/16" x16 | 10 | 06 | 35,3 | 39,8 | 11 | 27 |
| 24291-08-08 | 13/16" x16 | 12 | 08 | 41 | 57,5 | 11 | 27 |
| 24291-08-10 | 13/16" x16 | 16 | 10 | 56,5 | 61,5 | 11 | 27 |
| 24291-10-08T | 1" x14 | 12 | 08 | 41 | 46 | 13,5 | 30 |
| 24291-10-10 | 1" x14 | 16 | 10 | 56 | 66 | 13,5 | 30 |
| 24291-10-12 | 1" x14 | 20 | 12 | 65,5 | 75,5 | 13,5 | 30 |
| 24291-12-10T | 1.3/16" x12 | 16 | 10 | 56 | 51,5 | 15 | 36 |
| 24291-12-12 | 1.3/16" x12 | 20 | 12 | 65,5 | 77 | 15 | 36 |
| 24291-12-16 | 1.3/16" x12 | 25 | 16 | 76,5 | 83,5 | 15 | 36 |
| 24291-16-12T | 1.7/16" x12 | 20 | 12 | 65,5 | 63 | 14,8 | 41 |
| 24291-16-14T | 1.7/16" x12 | 22 | 14 | 71,2 | 63 | 14,8 | 41 |
| 24291-16-16T | 1.7/16" x12 | 25 | 16 | 76,9 | 67,5 | 14,8 | 41 |
| 24211-20-16T | 1.11/16" x12 | 25 | 16 | 76,7 | 67,5 | 15 | 50 |
| 24291-20-20W | 1.11/16" x12 | 32 | 20 | 93 | 100 | 15 | 50 |
| 24291-24-20T | 2" x12 | 32 | 20 | 91,5 | 78,5 | 14,8 | 60 |
| 24291-24-24T | 2" x12 | 40 | 24 | 109,4 | 92 | 14,8 | 60 |



Packgaing и доставка:
Коробка: 5 слоев гофрировали коробку 24cm x 24cm x 16cm
Деревянный случай: 110cm x 80cm x 75cm
Обычно 42 коробки corragetd упакованы в деревянном случае.
Конкурентное преимущество:
- Наша фабрика имеет группу в составе высококачественная и высокотехнологичная профессиональная группа дизайнеров и персонала. Оно
обладает серией механических инструментов CNC полностью автоматического компьютера и токарных станков высокой точности,
множественные шпинделей машины тоже, hexangular машины инструмента и электрические нагретые машины изогнутой трубы. Мы
строго примите профессиональный персонал для того чтобы продолжить тесты и рассмотрения для наших продуктов
предусмотреть обеспечение в высококачественном для всех клиентов.
- Наш успех фабрики полно получил международную качественную систему сертификации: ISO9001: 2000 и
разрешение внутреннего производства штуцеров шланга гидросистемы.
- Наши штуцеры шланга гидросистемы были экспортированы к много странам и областей в Европе, Америке,
Ближний Восток, Юго-Восточная Азия и Южная Америка.
- Материал наших штуцеров шланга гидросистемы хорошая качественная коробка стальное #45.
- Наш склад на втором этаже, ем лучший для того чтобы держать сухой запаса штуцеров.
- Наши штуцеры шланга гидросистемы хорошо упакованы в коробках и деревянных коробках. Лучшее избежать приспосабливать
амортизировать.
- Клеймить можно напечатать на штуцерах.
- Штуцеры можно подгонять согласно образцам или чертежам.
- Мы имеем гофрируя машину для того чтобы гофрировать собрание шланга гидросистемы.
- Мы используем новый метод для того чтобы гальванизировать цинк. Он делает штуцер углерода стальной выглядит как нержавеющая сталь одно. Возникновение фантастическо.