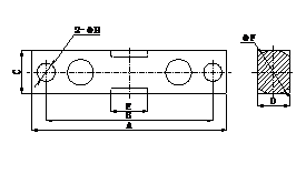
Спецификации:

| Кап/размер | А. | В. | В | D | Е | F | H | 
| 1 ~ 5KLB | 190.5 | 158.8 | 31 | 31 | 29 | 31.5 | 13 | 
| 10 ~ 25 КЛБ | 222.3 | 190.5 | 49.3 | 36.5 | 42 | 50.5 | 20.6 | 
| 35KLB | 222.3 | 190.5 | 63.5 | 38 | 50 | 63 | 20.6 | 
| 50 ~ 75 КЛБ | 343 | 292 | 75 | 62 | 83 | 76.2 | 33.3 | 
Размеры: единицы: мм
| Номинальная нагрузка | 1 ~ 75 кл. | Сопротивление изоляции: | ≥ 5000 МΩ | 
| Номинальный выход: | 1000000 | Диапазон температуры работы: | -30 ~ +70°C | 
| Баудская ставка: | 9600 Боуд | Максимальная безопасная перегрузка: | 150% F.S. | 
| Скорость измерения: | 80/сек | Превышение нагрузки: | 250% F.S. | 
| Режим связи: | RS485/4-провод | Рекомендую Возбуждение Vol.: | 10 ~ 12 В постоянного тока | 
| Комбинированная ошибка: | ± 0,03% F.S. | Максимальное возбуждение Vol.: | 15 В постоянного тока | 
| Ошибка ползания ((30 мин): | ± 0,02% F.S. | Класс уплотнения: | IP67/IP68 | 
| Нулевой баланс: | ± 1% F.S. | Материал элемента: | Сплав/нержавеющая сталь | 
| Температурный эффект на нулевой: | ± 0,017% F.S/10°C | Кабель: | Длина = 13 м | 
| Эффект на протяженность: | ± 0,017% F.S/10°C | Цитата: | GB/T7551-2008/ OIML R60 | 
| Режим подключения: | Красный ((Ввод +), Черный ((Ввод-), Зеленый ((Вывод +), Белый ((Вывод-) | ||
Описание:
Двухконечные грузовые ячейки LC106D - это надежная уплотнительная и механическая защита зоны измерения напряжения, обеспечиваемая использованием горшечного соединения с металлическим покрытием.Цифровой выходный сигнал (RS-485/4-Wire). Нормальная нагрузка 1 ~ 75 Кб. Самовосстанавливающийся рокер-прицеп. Легко устанавливается. Герметически герметичен. Производится в соответствии с OIML R60 до 3000d. Защита от перенапряжения.
Применение:
Функции взвешивания
Конкурентное преимущество:
1Профессиональный производитель с 10 лет
2. OEM/ODM услуги приемлемы
3. 100% проверка
4Гарантия: один год
Пожалуйста, свяжитесь с нами:
WhatsApp/Tel:0086 15995095496
skyer@skyerscale.com
www.floorweighingscales.com