Спецификации:
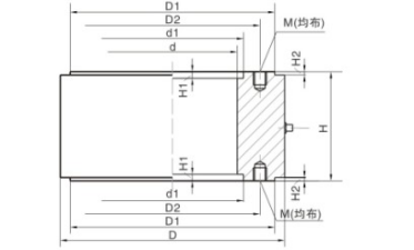
| Капитан / Размер | D | D1 | D2 | d | d1 | H | H1 | Н2 | М | ||||
| 600 | 160 | 140 | 120 | 80 | 100 | 100 | 5 | 5 | 4-M12 | ||||
| 1000 | 200 | 170 | 145 | 100 | 120 | 110 | 5 | 5 | 4-M12 | ||||
| 1500 | 225 | 190 | 160 | 120 | 135 | 120 | 5 | 5 | 4-M12 | ||||
| 2000 | 260 | 230 | 195 | 140 | 160 | 130 | 5 | 5 | 4-M12 | ||||
| 3000 | 270 | 245 | 225 | 160 | 180 | 150 | 10 | 5 | 4-M12 | ||||
| 4000 | 295 | 275 | 235 | 195 | 175 | 160 | 10 | 10 | 8-M16 | ||||
| 5000 | 340 | 310 | 265 | 196 | 215 | 165 | 10 | 10 | 8-M16 | ||||
| 6500 | 385 | 355 | 305 | 240 | 260 | 180 | 10 | 20 | 8-M16 | ||||
| Мощность: | 600/1000/1500/2000/3000/4000/5000/6500 кН | ||||||||||||
| Точность: | 00,2% ФС | Сопротивление изоляции: | > 2000 МΩ | ||||||||||
| Чувствительность: | 2.0 В/В | Влияние температуры на чувствительность: | < 0,1% FS/ 10°C | ||||||||||
| Нелинейность: | ≤ 0,2%FS | Влияние температуры на нулевой баланс: | < 0,1% FS/ 10°C | ||||||||||
| Повторяемость: | ≤ 0,05% FS | Справочное возбуждающее напряжение: | 10В (DC) | ||||||||||
| Гистерез: | ≤ 0,2%FS | Номинальный диапазон напряжения возбуждения: | 6 ~ 12В ((DC) | ||||||||||
| Сопротивление ввода: | 380Ω | Температура работы: | -30~70°C | ||||||||||
| Противодействие: | 350Ω | Ограничение безопасной нагрузки: | 120% ФС | ||||||||||

Описание:
1Алюминиевый сплав или нержавеющая структура
2Супер миниатюрный грузовой ячейка.
3Специально предназначен для измерения силы с ограниченным пространством
4Применение на весы для грузовых автомобилей, железнодорожных веса, весы для осей, весы для хранения и другие весы.
Применение:
Весы
Конкурентное преимущество:
1.Низкий MOQ:Это может очень хорошо соответствовать вашему рекламному бизнесу;
2.Хорошее обслуживание:Мы относимся к клиентам как к друзьям;
3.Высокое качество:У нас строгая система контроля качества, хорошая репутация на рынке.
Пожалуйста, свяжитесь с нами:
WhatsApp/Tel:0086 15995095496
skyer@skyerscale.com
www.floorweighingscales.com