Спецификации:
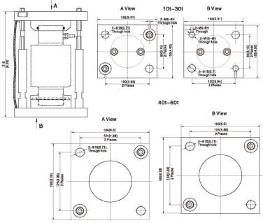
| Номинальная нагрузка | 10/20/25/30/40/50/60 т | Диапазон температуры работы: | -30 ~ +70°C |
| Чувствительность: | (2,0±0,1%) мВ/В | Максимальная безопасность. | 150% F.S. |
| Комбинированная ошибка: | ± 0,02% F.S. | Превышение нагрузки: | 300% F.S. |
| Ошибка ползания ((30 мин): | ± 0,02% F.S. | Рекомендую возбуждение: | 10 ~ 12 ВДС |
| Нулевой баланс: | ± 1% F.S. | Максимальное возбуждение: | 15 В постоянного тока |
| Температурный эффект на нулевой: | ± 0,02% F.S/10°C | Класс уплотнения: | IP67/IP68 |
| Эффект на протяженность: | ± 0,02% F.S/10°C | Материал элемента: | -Сплав / Нержавеющая сталь |
| Сопротивление ввода: | 750±5Ω | Кабель: | Длина = 13 м |
| Выходное сопротивление: | 702±2Ω | Цитата: | GB/T7551-2008/ OIML R60 |
| Сопротивление изоляции: | ≥ 5000 МΩ | Режим подключения: |
Красный ((Ввод +),Зелёный ((Вывод +, Черный ((Ввод-),Белый ((Вывод-) |

Описание:
1.Объемные элементы и модули взвешивания LC404M - это колонна, низкий профиль, компрессионная нагрузка.
2Мы можем производить грузовую ячейку с аналоговыми грузовыми ячейками, цифровыми грузовыми ячейками, беспроводными грузовыми ячейками, грузовыми ячейками из нержавеющей стали, грузовыми ячейками из сплавной стали, высокотемпературными грузовыми ячейками, антисветовыми грузовыми ячейками. 3Полностью протестированная сварная конструкция, продвинутый вход кабеля и встроенные трубы защиты от перенапряжения гарантируют, что этот продукт может успешно использоваться в суровой среде.
3.Этот продукт отвечает строгим требованиям весов и мер.
4.Этот продукт подходит для использования в автомобильных и железнодорожных взвешивающих мостах и приложениях для взвешивания процессов, грузовых и железнодорожных взвешивающих мостах, взвешивающих силосах и хопперах, взвешивающих и взвешивающих оборудованиях


Применение:
Подходит длясистема контроля пропорциональности,оборудование для обнаруженияи другие весы
Конкурентное преимущество:
1- Высокая точность.
2- Конструкция из нержавеющей стали.
3- Четыре колонны.
4Легкая установка и надежная производительность.
Пожалуйста, свяжитесь с нами:
WhatsApp/Tel:0086 15995095496
skyer@skyerscale.com
www.floorweighingscales.com