Применение
Особенность
Введение
Умная память давления умная, высокоточная, высокая надежность, высокая стабильность
продукт. ГСПС605А конструировано для давления трубопровода контроля огня, контроля
надавите изменения статуса трубы огня внутри 24 часа в сутки. Смогите записать сцену
надавите значение, так же, как соответствуя время
Через ПК взаимодействуйте для того чтобы установить рекордный цикл так же, как время тарировки
использующий энергию Батаре, самые длинные рабочие часы до 6 месяцев. Память ГСПС605Б
умный рост давления дисплей ЛКД на основании ГСПС605А, главным образом приложил к
поле или электропитание нет удобного случая, облегчить вставку
контролировать записывает и показывает значение давления процесса контроля.
Электронное определение интерфейса и сигналов
| Соединения ГСПС605Б электрические | |
| Определенное соединение | Терминальная метка |
| РС485+ | А |
| РС485- | Б |
| Сила | + |
| Сила | - |
| ГСПС605А электрический кабель соединения для стандарта УСБ | |

Параметр
| Спецификации. | Значение | |
| Тип | ГСПС605А | ГСПС605Б |
| Ряд давления | 0~2МП ...... 100МПа | |
| Над сейфом нагрузки | номинальное давление 1.5тимес (1.5С) | |
| Вторичное сдерживание | номинальное давление 3тимес (3С) | |
| Точность | ±0.5%Ф.С | |
| Стабильность | Типичное 0.25%Ф.С/еар | |
| Компенсированный диапазон температур | -10℃~60℃ | |
| Рабочая температура | -10℃~60℃ | |
| Выходной сигнал | УСБ | РС485 |
| Электропитание | батарейный шкаф 9ВДК | основные батареи ли 3.6ВДК |
| Электрическое соединение | Линия стандарта УСБ | Фиксированные терминалы |
| Минимальная изоляция между случаем & прекращениями | >100М Ω@50В | |
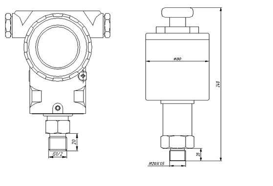
| Порт давления | М20×1.5, Г1/2, НПТ1/2 | |
| Тип давления | Давление датчика, загерметизированный датчик | |
| ЭМИ/ЭМК | ЭМИ: ЭН50081-1/-2; ЭМК: ЭН50082-2 | |
Упорядочение информации
Длин-пакет соединени-кабеля ГС-Тип-Ряд-Выход-Сил-давления порт-электрический