Введение
Датчик входного сигнала жидкостный ровный вид датчика давления для измерять жидкостный уровень. Основанный на принципе что измеренное гидростатическое давление пропорционально к высоте жидкости, статическое давление преобразовано в электрический сигнал путем использование изолированного отраженного элемента кремния чувствительного или керамического емкостного давления - чувствительного датчика, и после этого преобразовано в стандартный электрический сигнал через компенсацию влияния температуры и линейную коррекцию. Вообще соответствующее для жидкостного ровного измерения различных средств массовой информации в петрохимическом, металлургии, электричестве, фармацевтическом, водоснабжение и дренаж, охрана окружающей среды и другие системы и индустрии.
Основанный на принципе что измеренное гидростатическое давление пропорционально к высоте жидкости, типа погружени жидкостный ровный передатчик использует пьезорезистивное влияние отраженного кремния или керамического датчика для того чтобы преобразовать статическое давление в электрический сигнал. После компенсации влияния температуры и линейной коррекции. Новообращенный к выходу сигнала 4-20 MADC стандартному настоящему. Часть датчика передатчика уровня входного сигнала можно сразу положить в жидкость, часть передатчика может быть зафиксирована фланцом или кронштейн, установка и польза очень удобны.
Передатчик уровня серии GXPS400M сильно надежная, высокая стабильность, высокая точность, небольшой размер, разделенный ровный передатчик. Широко использованный в обнаружении трубы небольшого диаметра и жидкостном уровне в высоте жидкости резервуара. Как вода, масло, слабо въедливые жидкости.
Продукт использует структуру нержавеющей стали 1Cr18Ni9Ti с ядром давления импорта маслонаполненным, преданным сигналом и передатчиком v/I цепь преобразования, которая может облегчить их нул и в натуральную величину тарировку и внешний нул и регулировку пяди programmable.
Ссадину, масло, кислоту и алкали устойчивые, высокопрочный особенный breathable кабель можно использовать в зависимости от конфигурации места.
Внутреннеприсуще безопасный сертификат; взрывозащищенный; Сертификат CE.
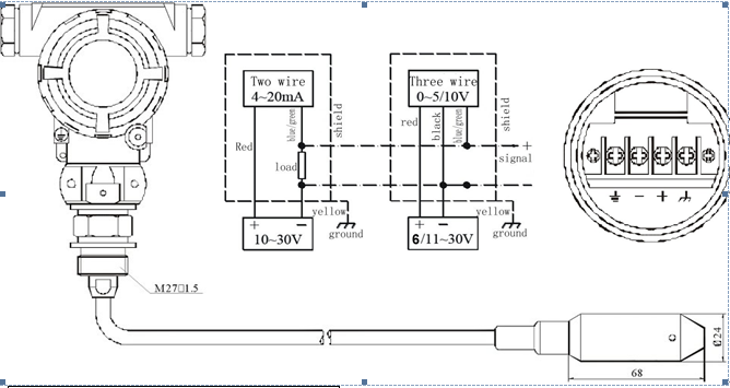
Не полярность; руководство выхода циркуляции выхода двухпроводных и 3-провода напряжения тока как для AC, так и для DC.
Применение
Особенность
Электронное определение интерфейса и сигналов

| Задняя крышка внутри определения соединения терминального | ||||
| Марк | + | - | ||
| Настоящий | 24Vdc | 4~20mA | Защищенный | |
| Напряжение тока | 24V (+) | Vout | 24V (-) | Защищенный |
Параметр
| Спецификации. | Значение | |||
| Ряд давления |
0~1 ...... 200mH20 9.8KPa… 1900KPa 0.09bar… 19.6bar 0.09atm… 19.3atm 1.4psi… 284psi 2.8inchHg… 579inchHg |
|||
| Давление груза | 1,5 раз давление номинальной стоимости | |||
| Давление повреждения | 3 раза давление номинальной стоимости | |||
| Точность | 0.1%F.S, 0.25%F.S, 0.5%F.S | |||
| Стабильность | Типичное значение 0.1%F.S/year, максимальное 0,2% F.S | |||
| Рабочая температура | -40°C~85°C | |||
| Температура компенсации | -10°C~70°C | |||
| Средняя совместимость | Полностью каустическое средство совместимое с 1Cr18Ni9Ti | |||
| Электрическое представление | система 2 проводов | система 3 проводов | ||
| Выходной сигнал | 4~20mA | 0/1~5Vdc | 0~10V | |
| Электропитание | 10~30Vdc | 6~24Vdc/ac | 11~30Vdc/ac | |
| Давление груза | (U-10)/0,02 (Ω) | >100kΩ | ||
| Изоляция | >100M Ω@50V | |||
| Электрическая прочность | 500V@60 второе | |||
| Вибрация/удар | 10g/5~2000Hz, синус 11ms осей X/Y/Z20g | |||
| Электрическое соединение | Сделайте кабель водостойким outlet+ 2 прямоугольное ring+ герметизируя клей уплотнения gum+ ring+; IP68 | |||
| Порт давления | Тип погружающийся, передавая размер M27×1.5 соединения wellhead коробки | |||
| Тип давления | G | Время на ответ: 10ms | ||
| EMI/EMC | EMI: EN50081-1/-2; EMC: EN50082-2 | |||
Упорядочение информации
Длин-пакет соединени-кабеля GX-Тип-Ряд-Выход-Сил-давления порт-электрический
Данные по Compamy
Сиань Kacise аттестован ISO 9001-2008, GJB 9001B-2009, CE, внутреннеприсущая безопасность взрывозащищенная и изолированная безопасность взрывозащищенная, etc. которые уверяют наши продукты соответствуют международным стандартам. Мы специализируем в изготовляя аппаратурах давления, уровня и подачи измеряя и родственных продуктах на 10 лет. Мы испытывали техническое и административно-управленческий аппарат, через усилия нашего всего штата, мы были профессиональными изготовителем измеряя аппаратуры и поставщиком решения. И мы непрерывно пробуем улучшить качество продукции. В настоящее время, датчик Kacise уже экспортирован к Америке, Испании, Австралии, Чили и 20 другим странам и регионам, и получил много благоприятных обратных связей. Наши международные раздатчики также увеличивают. Мы считаем «умеренные цен, эффективное время продукции и хорошее послепродажное обслуживание» как наш принцип, и надежду объединить с больше клиентов для взаимного развития.
Наше обслуживание