модуль датчика акселерометра широких линеарностей измеряя ряда 0.5~4.5В одноосный
1. Характер продукции
Аппаратура для измеряя ускорения, типично этого автомобиля, корабля, воздушного судна, или корабля, или этого, который включили в вибрацию машины, здания, или другой структуры. Она имеет функции выхода аналогового напряжения, небольшого размера, легковеса, широкого измеряя ряда, сопротивления удара, проведения вибрации.
Акселерометр, также известный как датчик ускорения, использован для того чтобы измерить силу ускоренного движения. Обычно он представлен с относительным коэффициентом ускорения силы тяжести (г). Акселерометры совмещенные с ведущей в отрасли технологией иМЭМС имеют характеристику высокой стабильности, небольшого размера, низкого веса, мгновенного запуска, етк. они могут быть используемым измерением вибрации и статическим аккливитоус измерением угла.

2.Параметер
| Тип | К-ДЖСДЖ-001 |
| Электрический характер | |
| Ввод напряжения | 5±0.25 ВДК |
| Течение входного сигнала | мамы ≤2 |
| Режим выхода | 0.5~4.5В |
| Индекс представления | |
| Осевое направление | С |
| Ряд | ±1 г |
| Ширина полосы частот | ≥50 Хз |
|
Чувствительность |
1000±30 мВ/г |
| Разрешение (°/с) | ≤ 0,001 г |
| Нелинейный (%ФС) | ≤ 0,5% Фс |
| Смещение | 2.5±0.1 в |
| Старт-уп время (госпожа) | ≤1 с |
| Экологические характеристики | |
| Температура (°К) | -40℃~+70℃ |
| Температура хранения | -40℃~+125℃ |
| Устойчивый к удару | 4000г |
| Физические характеристики | |
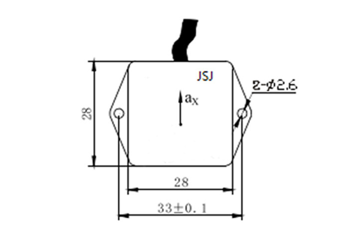
| Вес (г) | 40г |
| Размеры | 19.5×18.8×8.4 мм |


3.Феатуре
Выход аналогового напряжения
Широкий измеряя ряд
сопротивление удара, хорошее проведение вибрации
Небольшой размер, облегченный
Хорошие линеарности
поле 4.Аппликатион
Управление стабильности воздушных судн
сейсмическое обнаружение