Цифров РС422 вывели наружу модуль датчика акселерометра 10~30 ВДК триаксиальный
1. Характер продукции
Аппаратура для измеряя ускорения, типично этого автомобиля, корабля, воздушного судна, или корабля, или этого, который включили в вибрацию машины, здания, или другой структуры. Она имеет функции выхода аналогового напряжения, небольшого размера, легковеса, широкого измеряя ряда, сопротивления удара, проведения вибрации.
Акселерометр, также известный как датчик ускорения, использован для того чтобы измерить силу ускоренного движения. Обычно он представлен с относительным коэффициентом ускорения силы тяжести (г). Акселерометры совмещенные с ведущей в отрасли технологией иМЭМС имеют характеристику высокой стабильности, небольшого размера, низкого веса, мгновенного запуска, етк. они могут быть используемым измерением вибрации и статическим аккливитоус измерением угла.

2.Параметер
| Тип | К-3ДЖСДЖ-100 | ||
| Электрический характер | |||
| Ввод напряжения | 10~30 ВДК | ||
| Течение входного сигнала | мамы ≤ 70 | ||
| Режим выхода | РС 422 В | ||
| Скорость передачи информации в бодах | 115200 бпс | ||
| Тариф данных об объеме продукции | 200 Хз | ||
| Формат данных об объеме продукции | шестнадцатиразрядный комплект 2 | ||
| Индекс представления | |||
| Осевое направление | С | И | З |
| Ряд | ±2 г | ||
| Ширина полосы частот | ≥50 Хз | ||
| Разрешение (°/с) | 0,002 г | ||
| Нелинейный (%ФС) | ≤ 0,5% Фс | ||
| Смещение | ≤ 0.01г | ||
| Старт-уп время (госпожа) | ≤1с | ||
| Экологические характеристики | |||
| Температура (°К) | -40℃~+70℃ | ||
| Температура хранения | -40℃~+125℃ | ||
| Устойчивый к удару | 4000г | ||
| Физические характеристики | |||
| Вес (г) | 150 г | ||
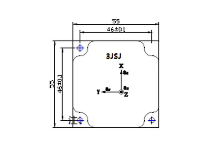
| Размеры | 55×55×35 мм | ||


3.Феатуре
Выход цифров РС422
Широкий измеряя ряд, нелинейная коррекция
Вся компенсация диапазона температур
сопротивление удара
поле 4.Аппликатион
машина нефти сверля
сейсмическое обнаружение