OEM Мобильное управление GPRS беспроводное орошение расстояния водоснабжения топливного уровня датчика ROLA
1.описание
Датчик уровня (гидростатический датчик уровня/передатчик уровня/датчик уровня/датчик уровня воды) - датчик давления для измерения уровня жидкости.Передатчик уровня жидкости при вводе статического давления (измеритель уровня жидкости) основан на принципе пропорциональности измеренного гидростатического давления высоте жидкости.Он использует изолированный диффузный чувствительный кремний элемент или керамический емкостный чувствительный к давлению датчик для преобразования статического давления в электрический сигнал, а затем преобразует его в стандартный электрический сигнал (обычно 4 ~ 20mA / 1 ~ 5VDC) после компенсации температуры и линейной коррекции.Он подходит для измерения уровня жидкости различных сред в нефтехимической, металлургической, электроэнергетической, фармацевтической, водоснабжения и водоотведениях,охрана окружающей среды и другие системы и отрасли.
2. Резюме системы
Система измерения высоты жидкости в режиме связи GPRS включает в себя терминальное оборудование для измерения высоты жидкости в режиме связи GPRS, программное обеспечение для управления сервером и конфигурационную линию.Он используется для измерения времени значение высоты жидкости, значение температуры, данные о долготе и широте, информация о дате и времени и показывают эти значения в программном обеспечении управления сервером.
Примечание 1: Система измерения высоты жидкости в режиме связи GPRS (сокращённо "Система") описана ниже.
Примечание 2: Терминальное оборудование для измерения высоты жидкости в режиме связи GPRS (сокращенно "Terminal") описывается следующим образом.
Примечание 3: "Программное обеспечение для управления сервером" (сокращенно "программное обеспечение") как описано ниже.
Примечание 4: "Конфигурационная линия" для сокращения "Линия" в следующем описании.
Терминал используется для измерения времени значения высоты жидкости и значения температуры и передачи этих значений измерения в программное обеспечение в режиме связи GPRS.Пользователь может использовать программное обеспечение для просмотра значения высоты жидкости и управления этим терминалом..
Программное обеспечение является только демо-программным обеспечением для пользователя, его функция очень проста, и он не имеет мощной функции, чтобы взять много терминалов, работающих одновременно.Если пользователю необходима большая система Software с мощной функциейПожалуйста, свяжитесь с компанией Xi'an Kacise Optronics Tech Co., Ltd.
Линия используется только для настройки терминала пользователем, это соединение между терминалом и серийным портом RS232 компьютера.
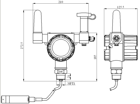
3. ¢Терминальный ¢Структурный чертеж
Рисунок структуры терминала GXPS609 ((GPRS): как на рисунке 1

Задняя часть терминала GXPS609 ((GPRS): как на рисунке 2

4.Технологический стандарт и использование источника питания
| Диапазон измерений | 0-3 м дизельного топлива. |
| Точность измерения | 00,5% Ф.С. |
| Путь питания |
3.6VDC аккумулятор и 10VDC35VDC внешнее питание. |
| Защитите класс | IP65 |
| Рабочая температура | -25°С ≈85°С. |
| Температура хранения | -25°С ≈85°С. |
| Частота общения | GSM/GPRS 850/900/1800/1900 МГц. |
| Тип интерфейса | НПТ1. |
| Время работы | 3 минуты 1000 минут (можно установить). |
| Функция добавления | ЖК-дисплей, клавиатура, GPS. |
| Ограничение времени использования аккумулятора | например, используйте номер один аккумулятор ¥ER34615M, его емкость составляет 14,5AH, частота работы ¥System ¥ работает один раз в час: терминал GXPS609 (GPS) может работать около 120 дней. |
| Выбрать модель батареи |
рекомендуется использовать номер один батареи ER34615M. Если пользователь хочет выбрать батарею самостоятельно, пожалуйста, согласно стандарту батареи следующим образом. напряжение батареи: 3.0VDC 3,6VDC; максимальный выходный ток:более 0.5A; мощность импульсного выходного тока: более 1A.
|
| Использование источника питания освещено |
Терминал может использовать аккумулятор или внешний источник питания. см. чертеж конструкции терминала, положение внешнего источника питания в интерфейсе внешнего электрического интерфейса. 1 это анод, 2 это катод.
|