2020 высококачественных метров молока
Введение 2020 высококачественных метров молока
2020 высококачественных метров молока состоит из датчика массового распространения и передатчика массового распространения. Оно не измеряет том согласно с время блока (например, кубические метры в секунду) пропуская через прибор, но измеряет массу согласно с время блока (например, килограммы в секунду) пропуская через прибор. Результат объемного метра меняет с температурой, давлением, составом, etc., но массовый измеритель прокачки не имеет такую проблему.
Принцип действия 2020 высококачественных метров молока
2020 высококачественных метров молока конструирован согласно влиянию Coriolis. Рука входа и рука выхода вибрируют с та же самой частотой как общая вибрация, но когда массовое распространение 2 вибрации из синхронизации: рука входа задняя, рука выхода вперед. 2 вибрации перенесены в участок по отношению к одину другого, и степень сдвига фазы измерение для количества массы которая пропускает через трубки.
Feartures:
² уменьшило время заполнения с более высокой емкостью расхода потока
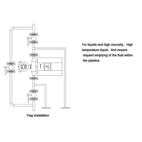
Компактный дизайн ² без требуемых двигающих частей, никакой особенной установки и никакого подготовлять подачи
Доставка ² быстрая и глобальная поддержка
Применение массового измерителя прокачки
Семья измерителя прокачки KMF Coriolis измеряет сразу массовые расходы потока жидкостей и газов в виртуально всех применениях без особенной тарировки. Безопасность, надежность, качество, и наши новаторские технологии позволяют мы обеспечить широкий ряд отраслевых продуктов и услуга — и экспертиза, который нужно положить их для работы для вас.
Альтернативная энергия
Масло & газ
Химикат
Еда & напиток
Промышленная энергия
Науки о жизни
Морской пехотинец
Металлы и минирование
Сила
Пульпа & бумага
Рафинировка
Вода & отработанная вода
Другие


Размеры широкомасштабной аппаратуры
Модель | Фланц-ANSI B16.5 шеи сварки |
|
B |
C |
E |
F |
W |
G |
K |
d |
D | |
DN | LB | |||||||||||
KMF-1-6c | 100 | 150 | 670 | 510 | 740 | 858 | 1092 | 260 | 19,1 | 190,5 | 157,2 | 228,6 |
KMF-1-6CD | 125 | 150 | 670 | 510 | 740 | 858 | 1092 | 260 | 22,4 | 215,9 | 185,7 | 254 |
KMF-1-6D | 150 | 150 | 860 | 670 | 950 | 1130 | 1370 | 280 | 22,4 | 241,3 | 215,9 | 279,4 |











1.Q: Смог я положить мой собственный логотип на продукт?
: Конечно. Логотип можно напечатать на снабжении жилищем, и название фирмы можно выгравировать на nameplate.
2.Q: Как о проверке качества?
: Все продукты будут испытаны для 3 раза раньше упакованный.
3. Q: Смогявыпуститьпробныйзаказ,1ПКнапример?
: Определенно, пробный заказ приемлем. Вообще, мы имеем общие модели в запасе. Образец будет отправлен не позднее 1 неделя, после того как оплата будет получена.
4. Q: Смогливыконструироватьсогласномоимтребованиям?
: Конечно, наша команда конструирует для вас, сделать нашу работу метра молока совершенно на вашем конце.

Сиань Kacise аттестован ISO 9001-2008, GJB 9001B-2009, CE, внутреннеприсущая безопасность взрывозащищенная и изолированная безопасность взрывозащищенная, etc. которые уверяют наши продукты соответствуют международным стандартам.
Мы специализируем в изготовляя аппаратурах давления, уровня и подачи измеряя и родственных продуктах на 10 лет. Мы испытывали техническое и административно-управленческий аппарат, через усилия нашего всего штата, мы были профессиональными изготовителем измеряя аппаратуры и поставщиком решения. И мы непрерывно пробуем улучшить качество продукции.
В настоящее время, датчик Kacise уже экспортирован к Америке, Испании, Австралии, Чили и 20 другим странам и регионам, и получил много благоприятных обратных связей. Наши международные раздатчики также увеличивают. Мы считаем «умеренные цен, эффективное время продукции и хорошее послепродажное обслуживание» как наш принцип, и надежду объединить с больше клиентов для взаимного развития.