КЛД804 80 ГГц Радар Трансмитер уровня жидкости Слюнный резервуар для хранения Радар Датчик уровня жидкости
Введение
Радарный датчик уровня жидкости KLD804 на частоте 80 ГГц является высокоэффективным устройством.Работа с источником питания 15 - 28 ВДЦ, он использует радиолокационную технологию частоты 80 ГГц для точного измерения уровня жидкости, обеспечивая точные и надежные данные для промышленных операций.
Особенность
Условия труда на месте
Испытуемое устройство представляет собой рафинированный испаритель, который испаряет содержание воды в среде для получения этанола с более высокой чистотой, многослойное перемешивание и пенообразование 5-6 см.
Примечания: ранее использованный прибор для измерения уровня жидкости представляет собой передатчик уровня жидкости с дифференциальным давлением с двойным фланцем, и эффект измерения неудовлетворителен.
Процесс измерения
Это улучшение схемы измерения, поскольку установка порта реактора ограничена, а установка порта наклонна и не вертикальна.для достижения наилучших результатов измерений радиолокационный измеритель должен быть установлен вертикально сверху.При первоначальной установке, хотя она была установлена по диагонали, 80G FM радиолокационный уровень имеет относительно небольшой угол запуска, и сигнал не влияет на смешивание лезвия.После отладки, уровень может быть измерен.
|
KLD804
|
Средний: сильная коррозионная жидкость, пар, пену Диапазон измерений: 0,1 м~10/20/30/60/100 м Процессуальное соединение: фланц ≥ DN50 Температура обработки: -40°C-130°C Процессуальное давление: -0,1−1,0 МПа Размер антенны: 76 мм линзовая антенна Материал антенны: ПТФЕ Точность: ±1 мм Класс защиты: IP67 Центральная частота: 80 ГГц Угол запуска: 2° Источник питания: двухпроводный /DC24V четырехпроводная /DC12~24V четырехпроводная /AC220V Оболочка: алюминий/пластик/нержавеющая сталь Выходный сигнал: двухпроводной протокол /4...20mA/HART четырехпроводный 4...20mA/ RS485 Modbus |
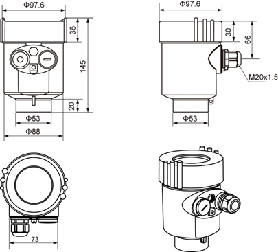
Размер корпуса
Единица в мм:

Способ установки
Установка фланца
При использовании фланцевой установки минимальное расстояние между прибором и стенкой резервуара должно быть 200 мм.

Установка подъема

Примечание: Пожалуйста, избегайте вибрации, сильных электромагнитных помех и нагрузок во время установки.
Способ неправильной выровненности:
1. Калибровка в режиме онлайн: необходимо остановить производство на производственном оборудовании;
2. Калибровка эталонной точки: полномасштабное регулирование;
3. верхняя калибровка компьютера: требуется 250Ω резистор, преобразователь Hart, интерфейс USB.
Результаты измерений и анализ
После испытаний на месте успешно был применен передатчик уровня 80 ГГц, модулируемый радиолокационным радиолокатором DCRD1000B4, для измерения уровня раствора этанола в испарителе.который преодолевает влияние пара, пенообразования и перемешивания на измерении, и достигает удовлетворительного для пользователей эффекта измерения.
Xi'an Kacise Optronics Tech Co., Ltd считает себя поставщиком решений и производителем. Мы предлагаем максимальную гибкость и оптимальное предложение для наших клиентов OEM.
Что мы можем предложить:
Сборник включает в себя настраиваемую версию оболочки / цвет, тип нити ((G-Thread / NPT Thread), настраиваемое программное обеспечение, печати, руководство и каталог.Радарный модуль доступен..