Кварцевый гибкий акселерометр серии KSJB5 представляет собой акселерометр средней точности с уникальным конструктивным размером (коротким).динамическая производительность ответа, хорошая устойчивость к вибрационным ударам и высокая надежность, которая может использоваться для статических и динамических испытаний, а также является стандартным датчиком вибрации и датчиком наклона.
Продукт имеет уникальную конструкцию и специальную цепь, выходный ток продукта и сила или ускорение линейны,пользователь может выбрать подходящее сопротивление отбора проб путем расчетаВстроенный датчик температуры может быть использован для компенсации значения смещения и коэффициента масштабирования для уменьшения воздействия температуры окружающей среды в соответствии с потребностями пользователя.
Области применения: мост, плотина, нефтяная скважина, испытание наклона угольной шахты, управление высокоскоростной железной дорогой, контроль стабильности судна.
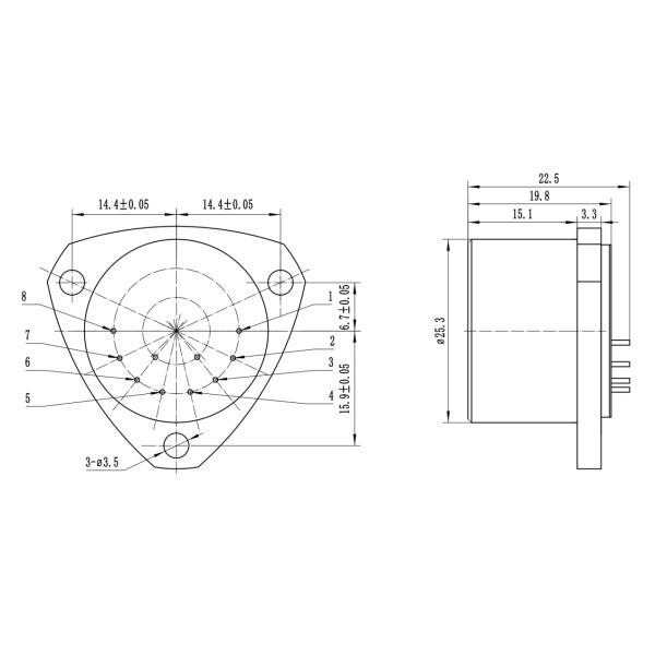
1Оригинальный размер и определение фиксатора JB5-A

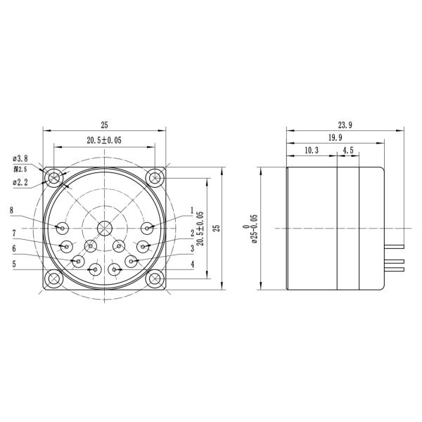
2Ориентировочный размер и определение фиксатора JB5-B

3- Очертание размера и определение фиксатора JB5-C

Определение пин:
1, выходный сигнал
2, воздух
3, мощность -15В
4, мощность +15В
5, энергоснабжение и сигнал наземного
6, 7, 8, пустой
9, -9В или pt1000
10, +9В или pt1000
технические параметры:
| Число | Параметры | KSJB5-01 | KSJB5-02 | KSJB5-03 |
| 1 | Сфера применения | ±50 г | ±50 г | ±50 г |
| 2 | соотношение разрешения | < 5 мкг | < 5 мкг | < 5 мкг |
| 3 | значение отклонения K0/К1 | < 5 мг | < 7 мг | < 10 мг |
| 4 | коэффициент масштаба K1 | 10,111,3 мА/г | 10,111,3 мА/г | 10,111,3 мА/г |
| 5 | Нелинейный коэффициент второго порядка K2 | ≤±20μg/g2 | ≤±20μg/g2 | ≤±20μg/g2 |
| 6 | Стойкость отклонения, повторность синтеза σK0(1σ, один месяц) | < 30 мкг | < 50 мкг | < 80 мкг |
| 7 | Интегрированная повторяемость по шкале σK1/К1(1σ, один месяц) | < 50 ppm | < 80 ppm | < 100 ppm |
| 8 | Полная повторяемость нелинейных коэффициентов K2/К1(1σ, один месяц) | ≤±20 мкг/г2 | ≤±20 мкг/г2 | ≤±20 мкг/г2 |
| 9 | Полная повторяемость нелинейных коэффициентов K2/К1(1σ, один месяц) | < 20 мкг/°С | < 30μg/°C | < 40μg/°C |
| 10 | значение отклонения Коэффициент температуры ((Среднее значение всей температурной зоны) | < 40 ppm | < 50 ppm | < 80 ppm |
| 11 | Шум ((Сопротивление отбора проб составляет 840Ω) | ≤ 5 мв | ≤ 5 мв | ≤ 5 мв |
| 12 | пропускной способности | > 300 Гц | > 300 Гц | > 300 Гц |
| 13 | Ошибка исправления вибрации | < 30μg/g2rms (50-500 Hz) | < 30μg/g2rms (50-500 Hz) | < 30μg/g2rms (50-500 Hz) |
| 14 | Случайные вибрации | 20g@20-2000Hz | 20g@20-2000Hz | 20g@20-2000Hz |
| 15 | забастовка | 250 г 4,5 мс | 250 г 4,5 мс | 250 г 4,5 мс |
| 16 | Ошибка установки | < 1500μrad | < 1500μrad | < 1500μrad |
| 17 | Диапазон температуры работы | -55 ≈96°C | -55 ≈96°C | -55 ≈96°C |
| 18 | Электрическое питание | ±13 ~ ±18В | ±13 ~ ±18В | ±13 ~ ±18В |
| 19 | Текущее потребление | < 20 мА | < 20 мА | < 20 мА |
| 20 | Датчик температуры | Пользователь может настроить | Пользователь может настроить | Пользователь может настроить |
| 21 | вес | < 55g | < 55 г | < 55 г |
| 22 | Диаметр установки | Ф25 мм | Ф25,3 мм | Ф25 мм |
| 23 | Материалы из оболочек | Серия 300 Нержавеющая сталь | Серия 300 Нержавеющая сталь | Серия 300 Нержавеющая сталь |
Примечание:
1. Коэффициент масштаба регулируется в соответствии с требованиями пользователя;
2.Сенсор температуры: разделен на AD590, pt1000, 18B20,
3. Цикл испытаний: разделен на 1 месяц, 3 месяца, 6 месяцев, 12 месяцев в соответствии с требованиями пользователя для испытаний;
4. Установка в соответствии с требованиями пользователя; Размеры могут быть слегка скорректированы в соответствии с требованиями пользователя, и другие требования испытаний могут быть выполнены в соответствии с требованиями клиента.

Xi'an Kacise сертифицирована по стандартам ISO 9001-2008, GJB 9001B-2009, CE, взрывостойкость внутренней безопасности и взрывостойкость изолированной безопасности и т. Д.которые гарантируют соответствие нашей продукции международным стандартам.
Мы специализируемся на производстве приборов для измерения давления, уровня и потока и связанных с ними продуктов в течение 10 лет.благодаря усилиям всего нашего персонала, мы стали профессиональным производителем измерительных приборов и поставщиком решений.
В настоящее время датчик Kacise уже экспортируется в Америку, Испанию, Австралию, Чили и 20 других стран и регионов и получил много благоприятных отзывов.Наши зарубежные дистрибьюторы также растут..
Мы поставляем высококачественные газовые газовые счетчики, надеемся, что мы сможем сотрудничать в ближайшем будущем, предоставляя вам подходящие продукты, хорошие услуги и разумные цены.