Описание продукта
Применение
ПГВсерийный заполненный датчикоснован на передовых технологиях процесса в мире. Он подходит для измерения давления или вакуума жидких, газообразных и парных сред, которые не будут взрываться,кристаллизировать или коррозировать элементы.
В частности, он обладает значительным эффектом подувки и утепления, поэтому может стабильно указывать на давление среды в условиях резкой пульсации.
Этот прибор широко используется в нефтяной промышленности, химической промышленности, промышленности химических волокон, металлургической промышленности, электростанции и так далее.Он может измерять давление всех видов жидкой среды в технологическом процессе, который имеет более высокие требования к коррозионно-устойчивым и вибрационным характеристикам..
Особенность
Измеритель имеет разумный дизайн со структурой, изысканным ремеслом, более высокой точностью измерения
Так как он продается за границу, он также является идеальным аксессуаром для отечественных потребителей, которые хотят сделать дома тот же габарит, который импортируется из-за рубежа.
Рабочий принцип
Помимо особенностей серии PG, серия PGV предлагает значительный эффект амортизации и амортизации.уменьшить повреждение внутреннего габарита и сохранить высокую точность измерения, а также обеспечить более длительный срок службы габарита путем заполнения увлажненного масла и установки увлажненной трубы- В общем-то.
Параметр

|
Наименование товара |
Диапазон масштаба (Mpa) |
Степень точности |
|
Дальномер из нержавеющей стали |
0-0. - Ну что?1,0.16,0.25,0.4,0.6,1, 1.6,2.5,4.6,10,16,25,40,60, -0,1-0,0.06,0.15,0.3,0.5, 0.9,1.5,2.4
|
2.5 или 1.6 |
|
Масляные стальные датчики |
||
|
Дальномер из нержавеющей стали с черным фланцем |
||
|
Заднее соединение датчика с передним фланцем, заполненным глицерином |
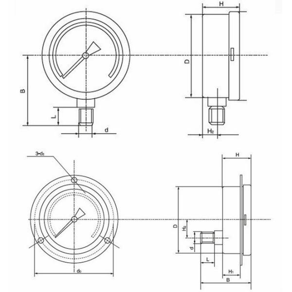
Размер
| Тип |
D |
H | Н2 | В. | D2 | d0 | d | Л | H1 |
| PGV60 | Ø60 | 32 | 13 | 55 | М14х1.5 | 14 | 22 | ||
| PGV60AT | 0 | 65 | 4.5 | 76 | |||||
| PGV100 | Ø100 | 44 | 18 | 90 | М20х1.5 | 20 | 27 | ||
| PGV100AT | 30 | 90 | 5.5 | 118 | |||||
| PGV150 | Ø150 | 44 | 18 | 120 | М20х1.5 | 20 | 27 | ||
| PGV150AT | 55 | 95 | 5.5 | 165 |
Изображения продукции




Упаковка и перевозка


| Принцип качества: Качество - это лучшие продажи |
| Оплата:Мы принимаем T / T, PayPal, Western Union, MoneyGram, Escrow |
| Перевозка: |
| 1.Все детали будут отправлены в течение 1 - 3 рабочих дней после подтверждения оплаты |
| 2.DHL / FEDEX / UPS / EMS / TNT / China Post / Aramex |
| 3.Мы не несем ответственности за несчастные случаи форс-мажорных обстоятельств, задержки или другие проблемы, такие как доставка. |
| 4.Любые импортные сборы или сборы несут покупатели. |
| Служба: |
| 1.Предоставить вам единый сервис электронных компонентов |
| 2. Конкурентное ценовое преимущество помогает сэкономить на покупке и принести вам больше прибыли |
| 3. Наличие передовых возможностей электронной коммерции |
| 4. Быстрая и точная доставка и гибкая логистическая поддержка |
| 5.Персонализированное обслуживание, основанное на ваших программах и идеях для обслуживания вас |
