Кварцевый гибкий акселерометр серии KSJB1 представляет собой высокоточный военный инерциальный навигационный акселерометр.адаптируемость к окружающей среде и высокая надежностьОн может использоваться для статического испытания и динамического испытания, а также является стандартным датчиком вибрации и датчиком наклона.
Выходной ток продукта линеен с силой или ускорением, и пользователь может выбрать подходящее сопротивление отбора проб с помощью расчета для достижения высокоточности выхода.И может быть встроен в датчик температуры в соответствии с требованиями пользователя, используется для компенсации частичного значения и масштаба коэффициента, уменьшить влияние температуры окружающей среды.
Применение: Инерциальное измерение и испытание вибрационной изоляции высокоточных инерциальных навигационных систем в аэрокосмической, авиационной, судовой, оружейной и других областях.

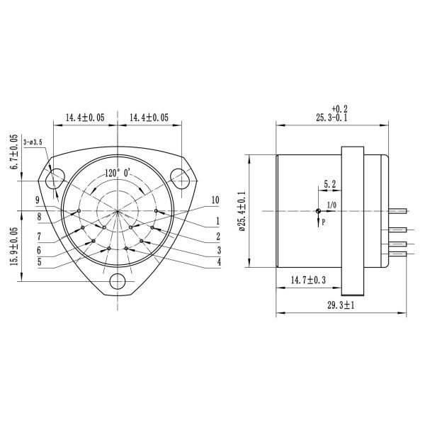
Диаграмма обзора и определение пин:

Рисунок I: Универсальный акселерометр
Обычное определение пин: 1, выход сигнала; 2. Пустой; 3, -15V; 4, +15V; 5, питание и сигнал наземного питания; 6. Пустой; 7. Пустой; 8. Пустой; 9, -9V выход; 10, +9V выход.

Дверь для установки имеет форму U.

Установка отверстие в форме U и штифт 8 штифтов

Внешнее измерение квадратное
технические параметры:
| Число | Параметры | KSJB1-01 | KSJB1-02 | KSJB1-03 |
| 1 | Сфера применения | ±50 г | ±50 г | ±50 г |
| 2 | Предельное значение | 5 мкг | 5 мкг | 5 мкг |
| 3 | отклонениезначение K0/К1 | ≤ ± 3 мг | ≤ ± 3 мг | ≤ ± 5 мг |
| 4 | коэффициент масштаба K1 | 10,05 - 1,30 мА/г | 10,05 - 1,30 мА/г | 10,05 - 1,30 мА/г |
| 5 | Нелинейный коэффициент второго порядка K2 | ≤±10μg/g2 | ≤±15μg/g2 | ≤±20μg/g2 |
| 6 | 0g 4 часа краткосрочная стабильность | ≤ 10 мкг | ≤ 10 мкг | ≤ 15 мкг |
| 7 | 1g 4 часа краткосрочная стабильность | ≤ 10 ppm | ≤ 10 ppm | ≤ 15 ppm |
| 8 | Стойкость отклонения, повторность синтеза σK0(1σ, один месяц) | ≤ 10 мкг | ≤ 20 мкг | ≤ 30 мкг |
| 9 | Интегрированная повторяемость по шкале σK1/К1(1σ, один месяц) | ≤ 15 ppm | ≤ 30 ppm | ≤ 50 ppm |
| 10 | Полная повторяемость нелинейных коэффициентов K2/К1(1σ, один месяц) | ≤±10 мкг/г2 | ≤±20 мкг/г2 | ≤±30 мкг/г2 |
| 11 | значение отклонения Коэффициент температуры ((Среднее значение всей температурной зоны) | ≤ ± 10 мкг /°C | ≤±30 мкг /°C | ≤±50 мкг /°C |
| 12 | Фактор масштаба Коэффициент температуры ((Среднее значение всей температурной зоны) | ≤ ± 10 ppm /°C | ≤±30 ppm /°C | ≤±50 ppm /°C |
| 13 | Шум ((Сопротивление отбора проб составляет 840Ω) | ≤ 5 мв | ≤ 8,4 мв | ≤ 8,4 мв |
| 14 | Естественная частота | 400-800 Гц | 400-800 Гц | 400-800 Гц |
| 15 | пропускной способности | 800-2500 Гц | 800-2500 Гц | 800-2500 Гц |
| 16 | Случайные вибрации | 6g ((20-2000Hz) | 6g ((20-2000Hz) | 6g ((20-2000Hz) |
| 17 | забастовка | 100 грамм, 8 мс, 1/2 си | 100 грамм, 8 мс, 1/2 си | 100 грамм, 8 мс, 1/2 си |
| 18 | Диапазон температуры работы | -55 ~ + 85°C | -55 ~ + 85°C | -55 ~ + 85°C |
| 19 | Диапазон температуры хранения | -60 ~ + 120°C | -60 ~ + 120°C | -60 ~ + 120°C |
| 20 | Электрическое питание | ± 12 ~ ± 15 В | ± 12 ~ ± 15 В | ± 12 ~ ± 15 В |
| 21 | Текущее потребление | ≤ ± 20mA | ≤ ± 20mA | ≤ ± 20mA |
| 22 | Датчик температуры | Пользователь может настроить | Пользователь может настроить | Пользователь может настроить |
| 23 | Размер | Ф25.4х30мм | Ф25.4х30мм | Ф25.4х30мм |
| 24 | вес | ≤ 80 г | ≤ 80 г | ≤ 80 г |
Примечание:
1. Коэффициент масштаба регулируется в соответствии с требованиями пользователя;
2.Сенсор температуры: разделен на AD590, pt1000, 18B20,
3. Цикл испытаний: разделен на 1 месяц, 3 месяца, 6 месяцев, 12 месяцев в соответствии с требованиями пользователя для испытаний;
4В соответствии с требованиями установки пользователя; Размеры могут быть слегка скорректированы в соответствии с требованиями пользователя,и другие требования к испытаниям могут быть выполнены в соответствии с требованиями клиента.