Кварцевый гибкий акселерометр серии KSJB4 представляет собой вид акселерометра высокой температуры и сопротивления вибрации, продукт имеет отличную повторяемость, производительность запуска,устойчивость к высокой температуре и высокая надежность, может использоваться для статического испытания или динамического испытания, также является стандартным датчиком вибрации.
Продукт имеет уникальную высокотемпературную и сейсмическую конструкцию, технологию упаковки и специальную схему, выходный ток продукта пропорционален измеренному ускорению,обеспечивает измерение статического и динамического ускорения, пользователи могут выбрать подходящее сопротивление отбора проб с помощью расчета, чтобы достичь высокой точности выхода, и может быть встроен в датчик температуры в соответствии с потребностями пользователя,для компенсации за смещение и масштабный факторМы можем заменить QA650, T185, T160, продукты серии JAE на месте, но мы используем структуру двойного крутящего момента, которая отличается от продуктов других компаний,может сделать акселерометр смещения значение и масштабного фактора более стабильнымЭтот продукт был запущен с 2010 года, и количество поставок достигло тысяч.Он стал зрелым продуктом., особенно для измерения во время бурения нефтяных скважин
Области применения: мост, плотина, нефтяная скважина, испытание наклона угольной шахты, управление высокоскоростной железной дорогой, контроль стабильности судна.

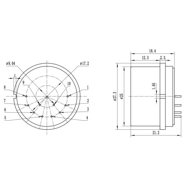
1.JB4-01 Структурные размеры и определение булавок

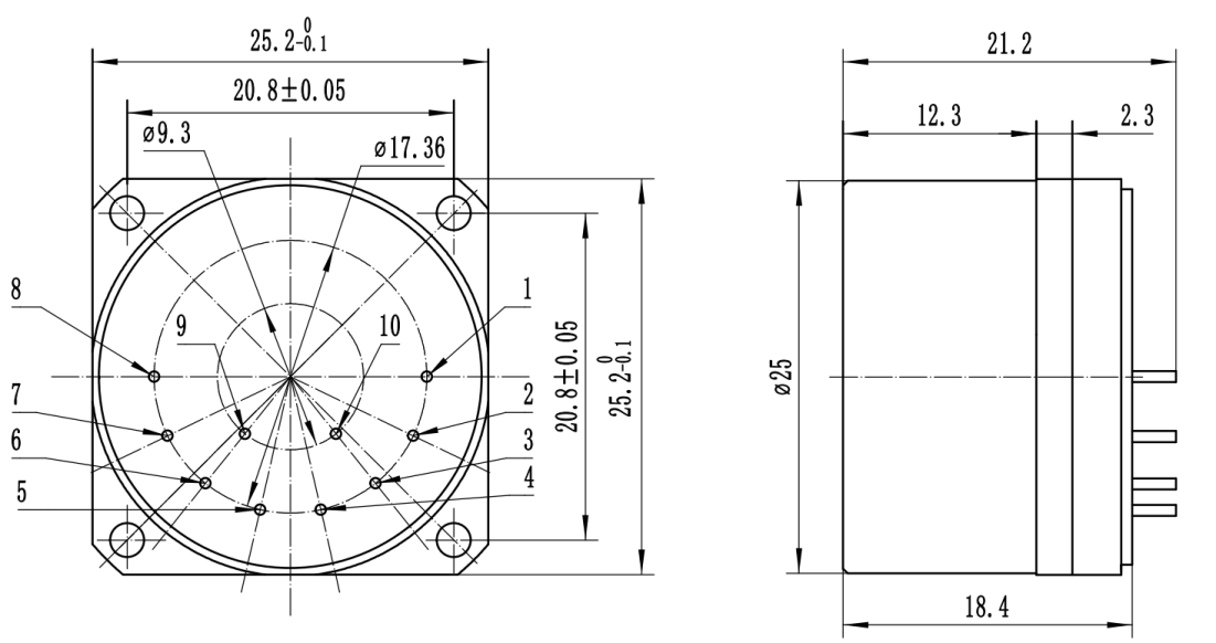
2.JB4-02A и JB4-03A Структурные размеры и определения штифтов

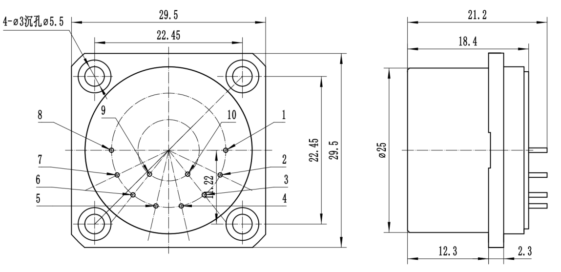
3.Размеры конструкции JB4-02B и JB4-03B и определения штифтов

(Фигура 1 изображения продукта типа B)

(Обзор продукции типа В, рисунок 2)
4.Размеры конструкции JB4-02C и JB4-03C и определения штифтов

5.Размер и определение конструкции JB4-02D и JB4-03D

Определение пин:
1, выходный сигнал
2, воздух
3, мощность -15В
4, мощность +15В
5, энергоснабжение и сигнал наземного
6, 7, 8, пустой
9, -9В или pt1000
10, +9В или pt1000
технические параметры:
| Число | Параметры | KT-JB4-01 | KT-JB4-02 | KT-JB4-03 |
| 1 | Сфера применения | ± 30 г | ± 30 г | ± 30 г |
| 2 | значение отклонения K0/К1 | < 10 мг | < 15 мг | < 15 мг |
| 3 | Сигнализация отклонения в значениях повторяемости σk0 (1σ,один месяц) | < 50 мкг | < 200 мкг | < 200 мкг |
| 4 | коэффициент температуры | < 50μg/°C | < 100μg/°C | < 100μg/°C |
| 5 | коэффициент масштаба K1 | 10,111,3 мА/г | 10,111,3 мА/г | 1.1 ∙ 1.3 мА/г |
| 6 | Интегрированная повторяемость с коэффициентом масштаба σk1/k1 (1σ, один месяц) | < 80 ppm | < 150 ppm | < 150 ppm |
| 7 | значение отклонения Коэффициент температуры ((Среднее значение всей температурной зоны) | < 100 ppm | < 200 ppm | < 200 ppm |
| 8 | Ошибка установки | < 1500μrad | < 1500μrad | < 1500μrad |
| 9 | Ошибка исправления вибрации | < 30μg/g 2rms (50-500Hz) | < 100 мкг/г 2 рм (50-500 Гц) | < 100 мкг/г 2 рм (50-500 Гц) |
| 10 | Шум | < 3000μg-rms (0-10000Hz) | < 3000μg-rms (0-10000Hz) | < 3000μg-rms (0-10000Hz) |
| 11 | Диапазон температуры работы | -55 ≈96°C | -55 ≈155°C | -55 ≈ 180°C |
| 12 | забастовка | 500 г 0,5 мс | 1000 г 0,5 мс | 1000 г 0,5 мс |
| 13 | Случайные вибрации | 25 г @30-500 Гц | 25 г @30-500 Гц | 25 г @30-500 Гц |
| 14 | соотношение разрешения | < 10 мкг | < 10 мкг | < 10 мкг |
| 15 | пропускной способности | > 300 Гц | > 300 Гц | > 300 Гц |
| 16 | Текущее потребление | < 20 мА | < 20 мА | < 20 мА |
| 17 | рассеивание мощности @ ±15VDC | < 480 мВт | < 480 мВт | < 480 мВт |
| 18 | Электрическое питание | ±13 до ±18В | ±13 до ±18В | ±13 до ±18В |
| 19 | вес | < 55 г | < 55 г | < 55 г |
| 20 | Диаметр установки | Ф25 мм | Ф25 мм | Ф25 мм |
| 21 | высота | < 21,5 мм | < 21,5 мм | < 21,5 мм |
| 22 | Материалы из оболочек | Серия 300 Нержавеющая сталь | Серия 300 Нержавеющая сталь | Серия 300 Нержавеющая сталь |
Примечание:
1. Коэффициент масштаба регулируется в соответствии с требованиями пользователя;
2.Датчик температуры: разделен на AD590, pt1000,
3. Цикл испытаний: разделен на 1 месяц, 3 месяца, 6 месяцев, 12 месяцев в соответствии с требованиями пользователя для испытаний;
4. Установка в соответствии с требованиями пользователя; Размеры могут быть слегка скорректированы в соответствии с требованиями пользователя, и другие требования испытаний могут быть выполнены в соответствии с требованиями клиента.

Xi'an Kacise сертифицирована по стандартам ISO 9001-2008, GJB 9001B-2009, CE, взрывостойкость внутренней безопасности и взрывостойкость изолированной безопасности и т. Д.которые гарантируют соответствие нашей продукции международным стандартам.
Мы специализируемся на производстве приборов для измерения давления, уровня и потока и связанных с ними продуктов в течение 10 лет.благодаря усилиям всего нашего персонала, мы стали профессиональным производителем измерительных приборов и поставщиком решений.
В настоящее время датчик Kacise уже экспортируется в Америку, Испанию, Австралию, Чили и 20 других стран и регионов и получил много благоприятных отзывов.Наши зарубежные дистрибьюторы также растут..
Мы поставляем высококачественные газовые газовые счетчики, надеемся, что мы сможем сотрудничать в ближайшем будущем, предоставляя вам подходящие продукты, хорошие услуги и разумные цены.