KSJB3 серии кварцевый гибкий акселерометр является небольшой, высокой точностью, большое количество военных инерциальной навигации уровня акселерометра, продукт имеет отличную долгосрочную стабильность, повторяемость,стартовые характеристики, адаптивность к окружающей среде и высокая надежность и другие характеристики, могут использоваться для статических испытаний могут использоваться для динамических испытаний,Это также стандартный датчик вибрации и датчик наклона.
Продукт имеет уникальную миниатюрную конструкцию и процесс упаковки, выходный ток и сила или ускорение линейны,пользователь может выбрать подходящее сопротивление отбора проб путем расчетаВстроенный датчик температуры может использоваться для компенсации значения смещения и коэффициента масштабирования для уменьшения воздействия температуры окружающей среды в соответствии с потребностями пользователя.
Приложения: Инерциальное измерение военной инерциальной навигационной системы и испытание вибрационной изоляции и испытание наклона точных приборов и оборудования в аэрокосмической, авиационной, судовой отраслях,оружие и другие области.
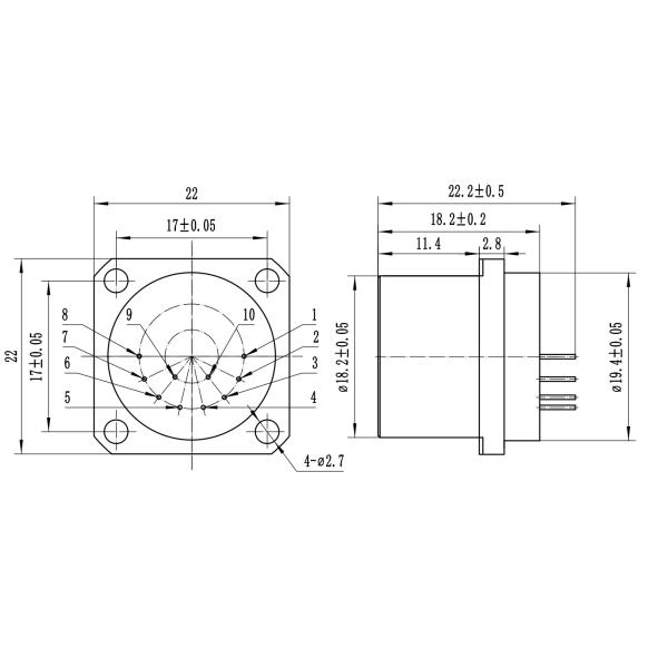
1.Площадь фланца
Определение пин:
1, выходный сигнал
2, воздух
3, мощность -15В
4, мощность +15В
5, энергоснабжение и сигнал наземного
6, 7, 8, пустой
9, -9В или pt1000
10, +9В или pt1000
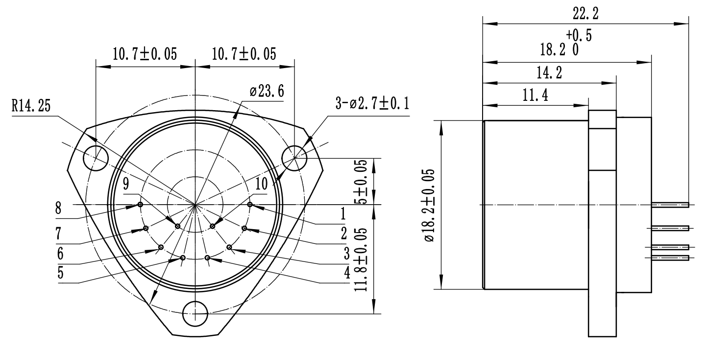
2.Размеры треугольного фланца
Размеры фланца перевернутого треугольника

4.технические параметры
| Число | Параметры | KSJB3-01 | KSJB3-02 | KSJB3-03 |
| 1 | Сфера применения | ± 60 г | ± 60 г | ± 60 г |
| 2 | Предельное значение | 5 мкг | 5 мкг | 5 мкг |
| 3 | значение отклонения K0/К1 | ≤ ± 5 мг | ≤ ± 7 мг | ≤ ± 5 мг |
| 4 | коэффициент масштаба K1 | 10,0±0,2 мА/г | 10,0±0,2 мА/г | 00,6±0,2 мА/г |
| 5 | Нелинейный коэффициент второго порядка K2 | ≤±20μg/g2 | ≤±30μg/g2 | ≤±20μg/g2 |
| 6 | 0g 4 часа краткосрочная стабильность | ≤ 10 мкг | ≤ 20 мкг | ≤ 20 мкг |
| 7 | 1g 4 часа краткосрочная стабильность | ≤ 10 ppm | ≤ 20 ppm | ≤ 20 ppm |
| 8 | Стойкость отклонения, повторность синтеза σK0(1σ, один месяц) | ≤ 15 мкг | ≤ 50 мкг | ≤ 50 мкг |
| 9 | Интегрированная повторяемость по шкале σK1/К1(1σ, один месяц) | ≤ 15 ppm | ≤ 50 ppm | ≤ 50 ppm |
| 10 | Полная повторяемость нелинейных коэффициентов K2/К1(1σ, один месяц) | ≤±20 мкг/г2 | ≤±30 мкг/г2 | ≤±30 мкг/г2 |
| 11 | значение отклонения Коэффициент температуры ((Среднее значение всей температурной зоны) | ≤±15 мкг /°C | ≤±50 мкг /°C | ≤±50 мкг /°C |
| 12 | Фактор масштаба Коэффициент температуры ((Среднее значение всей температурной зоны) | ≤±15 ppm /°C | ≤ ± 80 ppm /°C | ≤±50 ppm /°C |
| 13 | Шум ((Сопротивление отбора проб составляет 840Ω) | ≤ 5 мв | ≤ 8,4 мв | ≤ 8,4 мв |
| 14 | Естественная частота | 350-800 Гц | 350-800 Гц | 350-800 Гц |
| 15 | пропускной способности | 800-2500 Гц | 800-2500 Гц | 800-2500 Гц |
| 16 | Случайные вибрации | 10 г ((20-2000 Гц) | 10 г ((20-2000 Гц) | 10 г ((20-2000 Гц) |
| 17 | забастовка | 150 г,40,5 мс, 1/2 си | 150 г,40,5 мс, 1/2 си | 150 г,40,5 мс, 1/2 си |
| 18 | Диапазон температуры работы | -55 ̊+85°С | -55 ̊+85°С | -55 ̊+85°С |
| 19 | Диапазон температуры хранения | -60 ~ + 120°C | -60 ~ + 120°C | 60~+120°C |
| 20 | Электрическое питание | ± 12 ~ ± 15 В | ± 12 ~ ± 15 В | ± 12 ~ ± 15 В |
| 21 | Текущее потребление | ≤ ± 20mA | ≤ ± 20mA | ≤ ± 20mA |
| 22 | Датчик температуры | Пользователь может настроить | Пользователь может настроить | Пользователь может настроить |
| 23 | Размер | Ф18.2х23 мм | Ф18.2х23 мм | Ф18.2х23 мм |
| 24 | вес | ≤ 30 г | ≤ 30 г | ≤ 30 г |
5.Примечание
1. Коэффициент масштаба регулируется в соответствии с требованиями пользователя;
2.Сенсор температуры: разделен на AD590, pt1000, 18B20,
3. Цикл испытаний: разделен на 1 месяц, 3 месяца, 6 месяцев, 12 месяцев в соответствии с требованиями пользователя для испытаний;
4В соответствии с требованиями установки пользователя; Размеры могут быть слегка скорректированы в соответствии с требованиями пользователя,и другие требования к испытаниям могут быть выполнены в соответствии с требованиями клиента.