Мониторинг CO2 для воды - датчики качества воды
1, Введение
KWS-5000 может использоваться для измерения концентрации растворенного газа CO2 в воде.мониторинг процессов производства в сельском хозяйстве и животноводстве, мониторинг состояния хранения сельскохозяйственной продукции, и может быть установлен в домашних сетях, вентиляционных системах и контроллерах, настенных, роботизированных и автомобильных приложениях.Он также может применяться к другому оборудованию для контроля качества воздуха или мониторинга гипоксии.
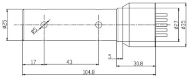
KWS-5000 - это модуль обнаружения газа для обнаружения концентрации углекислого газа в водном растворе.импортированный источник света и двухканальный детектор для реализации пространственной двойной компенсации отсчета.
2, Технические спецификации
Условия труда
|
Описание
|
Символ |
Стоимость |
Единица |
|
Температура хранения |
TСтg |
- От 20 до 80 |
В |
|
Рабочая температура |
TА. |
-20 до +60 |
В |
|
Рабочая влажность |
HА. |
от 0 до 90 |
% RH |
|
Рабочее давление |
ПА. |
0.8 к 1.2 |
банкомат |
Примечание: диапазон pH рабочей среды KWS-5000: значение pH: 3 ~ 12
Электрические характеристики
| Описание | Символ | Минуточку. | Типичный | Макс. Макс. | Единица |
| Электрическое питание | Vс | 5 | 5 | 5.5 | V |
| Текущий | Я...средняя | 100 | 120 | 150 | mA |
Примечание: RS485, питание 4-20mA - 12 В
Характеристики производительности
| Описание | Минуточку. | Типичный | Макс. Макс. | Единица | |
| Диапазон | 2000 | ppm | |||
| Точность | ±20ppm или ±5% | ppm | |||
| T90 | диффузия | - | 20 | 60 | Второй |
|
Повторяемость |
Нулевая точка | < ± 50 | ppm | ||
| 50% FS | - | < ± 5% | - | ||
| жизнь | 3 | 5 | 10 | год | |

4Выходный сигнал
Выход сигнала: аналоговый выход напряжения, выход IIC, выход UART, выход PWM, выход 485/4-20mA. Пользователи могут настроить выход в соответствии со своими потребностями.и 4 - стандартные выходы, и 5, 6 пользователи могут настроить в соответствии со своими потребностями.
Нажмите здесь, чтобы узнать больше