KCZ-101 Ключ для нагрузки под подъемным пучком
Описание
Датчик взвешивания стали типа подъемной балки спроектирован с одним концом фиксированным, а другим концом загруженным, используя передачу силы стального шара.Он включает в себя либо верхний и нижний подшипники головки давления, либо двойную конструкцию головки с шаромДатчик демонстрирует автоматическое выравнивание после наложения силы, обеспечивая легкую установку, удобную эксплуатацию и отличную взаимозаменяемость.
В частности, датчик взвешивания KCZ-101 выделяется своей удобной установкой, стабильной производительностью и высокой точностью.Он предлагает гибкий выбор материалов на основе условий окружающей среды, обеспечивающий интеллектуальную компенсацию, высокоскоростное отбор проб, возможность передачи на большие расстояния и сильные антиинтерферентные свойства.он известен своей простотой использования и поддерживается технической поддержкой.
Этот датчик имеет различные применения, включая наземные весы, платформенные весы, весы для хопперов, весы для кранов, системы взвешивания самолетов, традиционные весы для системы рычагов и конверсии.Подходит для измерения потоков твердых и жидких веществДатчик KCZ-101 известен своими общими преимуществами в производительности, адаптивности,и поддерживается технической поддержкой.
1Особенности и применение
Изготовлен из нержавеющей стали, высокая устойчивость;
Используется в различных автоматических применениях штамповки, защита IP68;
В основном используется для упаковочных весов, валовых весов и промышленных весов.
2Технические характеристики
| Мощность | 0.11, 0.22, 0.55, 1.1, 1.76, 2.2, 4,4 т |
| Точность | C3 |
| Чувствительность | 10,94±0,1% мВ/В |
| Баланс нулевой | ± 2% F.S. |
| Нелинейность | 0.017% Ф.С. |
| Гистерез | 0.017% Ф.С. |
| Повторяемость | 0.017% Ф.С. |
| Стриптиз (30 мин) | 0.0166%F.S. |
| Температурное воздействие на выход | 0.014%F.S/10°C |
| Температурный эффект на нулевом уровне | 0.0125%F.S/10°C |
| Импеданс ввода | 390±3Ω |
| Импеданс выхода | 350±5Ω |
| Изоляция | ≥ 5000MΩ/100VDC |
| Рекомендуемое возбуждение | 5В |
| Максимальное возбуждение | 15 В |
| Компенсированный диапазон температур | -10~40°C |
| Диапазон температуры работы | -30~70°C |
| Безопасная перегрузка | 150% F.S. |
| Окончательная перегрузка | 300% F.S. |
| Размер кабеля | Φ5,4x1500 мм |
| Вес приблизительно. |
00,9 кг (0,55 - 1,76 т) 10,6 кг (2,2 т) 2.2 кг (4,4 т) |
| Материал | Нержавеющая сталь |
| Класс IP | IP68 |
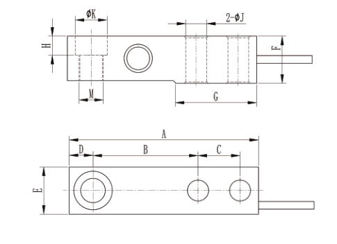
3Размеры и связь


4Размеры монтажа
| Кап (t) | А. | В. | В | D | Е | F | G | H | J | К | М |
| 0.11 ~ 1.76 | 133.4 | 76.2 | 25.4 | 15.4 | 30.7 | 30.2 | 57.7 | 14.2 | 13 | 20.6 | M12 |
| 2.2 | 136.7 | 76.2 | 25.4 | 18.4 | 36.8 | 36.6 | 55.6 | 16.6 | 13 | 12.5 | M12 |
| 4.4 | 171.5 | 95.3 | 38.1 | 21.4 | 43.9 | 432.9 | 73.8 | 22.9 | 20.5 | 22.2 | M20 |
5.Информация о компании
Xi'an Kacise сертифицирована по стандартам ISO 9001-2008, GJB 9001B-2009, CE, взрывостойкость внутренней безопасности и взрывостойкость изолированной безопасности и т. Д.которые гарантируют соответствие нашей продукции международным стандартамМы специализируемся на изготовлении приборов для измерения давления, уровня и потока и связанных с ними продуктов в течение 10 лет.благодаря усилиям всего нашего персонала, мы стали профессиональным производителем измерительных приборов и поставщиком решений. и мы постоянно пытаемся улучшить качество продукции.Кацидный датчик уже экспортируется в Америку., Испания, Австралия, Чили и 20 других стран и регионов, и получил много благоприятных отзывов. Наши зарубежные дистрибьюторы также растут.эффективное время производства и хорошее послепродажное обслуживание как наш принцип, и надеемся на сотрудничество с большим количеством клиентов для взаимного развития.
6.Наша служба