Описание
Ультразвуковый датчик уровня воды на большие расстояния может точно измерять уровень жидкости в этом широком диапазоне.С его ультразвуковой технологией, он обеспечивает точные и надежные данные, что делает его подходящим для различных приложений, где дальнее обнаружение и мониторинг уровня имеют решающее значение для эффективной работы.
Особенности
Разработан для наружных или внутренних помещений
Высокая чувствительность
Читания могут происходить до каждых 50 мС (20 Гц) в пределах 2 метров.
. Свободная работа может постоянно измерять и выводить информацию рейнджера
. 13-30 подача с очень низким средним расходом тока
. 0-10В с интерфейсом RS485.
Датчик работает на частоте 125 кГц.
Угол луча датчика 7 градусов.
Аналоговый выход может устанавливаться между 0-10В, может работать с выходом переключателя.
Параметр
GэнерральныйсПечИФИкошкаЯon
| Модель: KUS550 | |
| Диапазон измерений |
0.25м~3м (5м настраиваемо) KUS550A 0.15м-0.6м ((1м настраивается) KUS550B; |
| Слепое пятно | Мертвая зона KUS550A составляет 0... 250 мм (в пределах 250 мм - нестабильная рабочая зона, не рекомендуется работать в этом диапазоне); Мертвая зона KUS550B составляет 0-150 мм; |
| Напряжение питания | 3.3... 30 VDC, риппл 10 %SS |
| Рабочий ток | ≤ 45 mA (наиболее быстрая скорость измерения), типичное потребление энергии ≤ 10 mA; |
| Выходной сигнал | 0-10V. 0-3V 0-5V /4-20mA/NPN/PNP/RS485 Аналоговый выход. |
| Точность измерений | ≤ 1 % F.S. |
| Компенсация температуры | Да, да. |
| Диапазон разрешения | 0.1 мм; |
Условия труда
| Рабочая температура | -40...85°C (233...358K) |
| Температура хранения | -40...85°C (233...358K) |
Другие инструкции
| Электрическое соединение | 5-ядерный кабель (аналоговый выход), 6-ядерный кабель (выход коммутатора). |
| Класс защиты | IP68 |
| Материал раковины | ПВХ/ПВДФ/ПТФЕ/АБС |
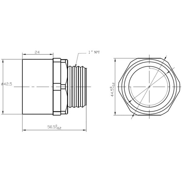
Размеры

Проводка
Диаграмма проводки аналогового вывода

Диаграмма проводки типа выхода коммутатора

Применение
Сиань Кациссертифицирован по стандартам ISO 9001-2008, GJB 9001B-2009, CE, внутренней безопасности взрывозащищенной и изолированной безопасности взрывозащищенной и т.д., что гарантирует соответствие наших продуктов международным стандартам.
Мы специализируемся на производстве приборов измерения давления, уровня и потока и связанных с ними продуктов в течение 10 лет.благодаря усилиям всего нашего персонала, мы стали профессиональным производителем измерительных приборов и поставщиком решений.
В настоящее время датчик Kacise уже экспортируется в Америку, Испанию, Австралию, Чили и 20 других стран и регионов, и получил много благоприятных отзывов.Наши зарубежные дистрибьюторы также растут.Мы рассматриваем "разумные цены, эффективное время производства и хорошее послепродажное обслуживание" как наш принцип и надеемся на сотрудничество с большим количеством клиентов для взаимного развития.
1В: Какую информацию необходимо предоставитьВыберите подходящую модель?
О: Пожалуйста, предоставьте нам:область применения,диапазон , выходный сигнал,средний ((жидкий тип),
ипитание,Так мы сможем быстро выбрать модель и сделать предложение.
2Вопрос: Вы торговая компания или производитель?
О: Мы являемся сертифицированным производителем ISO, специализирующимся на приборах для измерения уровня и потока.
OEM и ODM услуги доступны. Добро пожаловать к нам.
3. Q: Каков ваш MOQ?
О: Для начала нашего сотрудничества приемлем заказ на образцы.
4Вопрос: Какова ваша дата доставки?
О: Дата доставки составляет около 3-15 рабочих дней после получения оплаты.
5Вопрос: Каковы ваши условия оплаты?
О: Мы поддерживаем T/T, PayPal и торговое обеспечение.
Для заказа массового производства, это 30% депозит заранее и 70% баланс до отправки.
6. Вопрос: Какой способ оплаты Trade Assurance:
О: Это бесплатная услуга, которая может защитить ваши заказы от оплаты до доставки.
И теперь у нас есть 104 доллара,000.00 залога, чтобы обеспечить ваши заказы.
7Вопрос: У вас есть гарантия?
О: Да, у нас гарантия 12 месяцев.