Описание
Как инерционный навигационный стандарт, по которому измеряются другие, Honeywell производит QA2000.Это преобладающий датчик, используемый в современных коммерческих и военных авиационных системах инерциальной навигацииДолгосрочная повторяемость и превосходные характеристики надежности QA2000 делают его лучшим инерциальным акселерометром, доступным на рынке сегодня.
Как и все акселерометры семейства Q-Flex, QA2000 оснащен запатентованной сейсмической системой Q-Flex® с гравированным кварцевым изгибом.коэффициент масштаба, и повторяемость выравнивания оси.
Интегральная электроника развивает пропорциональный ускорению выходный ток, обеспечивающий измерение как статического, так и динамического ускорения.надлежащим образом масштабирована для диапазона ускорения приложения, выходный ток может быть преобразован в напряжение.
QA2000 также включает в себя внутренний датчик температуры.и оси дисбаланс производительность значительно улучшилась.
Особенности
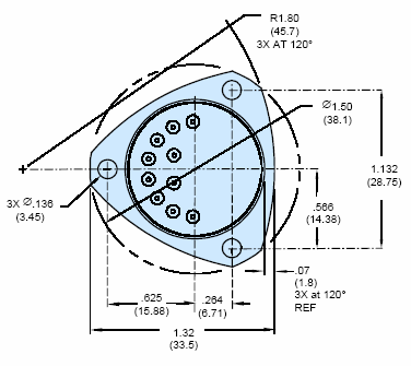
Рисунки конфигурации


Технические спецификации
