☆Дигитал выход РС485
ряд ☆Виде измеряя, нелинейная коррекция
размер ☆Смалл, легковес,
компенсация диапазона температур ☆Вхоле
сопротивление ☆импакт, проведение вибрации
управление стабильности ☆Айркрафт
☆сайсмик обнаружение
| Тип | К-2ДЖСДЖ-100 | |
| Электрический характер | ||
| Ввод напряжения | 6~8 ВДК | |
| Течение входного сигнала | мамы ≤60 | |
| Режим выхода | РС 485 | |
| Скорость передачи информации в бодах | 115200 бпс | |
| Тариф данных об объеме продукции | 200 Хз | |
| Формат данных об объеме продукции | шестнадцатиразрядный комплект 2 | |
| Индекс представления | ||
| Осевое направление | С | И |
| Ряд | ±10 г | |
| Ширина полосы частот | ≥50 Хз | |
| Разрешение (°/с) | 0,005 г | |
| Нелинейный (%Ф.С.) | ≤ 0,5% Ф.С. | |
| Смещение | ≤ 0,05 г | |
| Старт-уп время | ≤1с | |
| Экологические характеристики | ||
| Температура (°К) | -40℃~+70℃ | |
| Температура хранения | -40℃~+125℃ | |
| Устойчивый к удару | 2000г | |
| Физические характеристики | ||
| Вес (г) | 80г | |
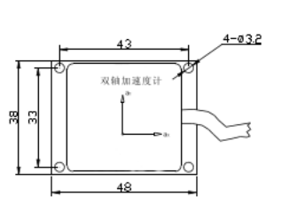
| Размеры | 48×38×18 мм | |
Ширина полосы частот может выбрать ≤400 Хз

