


Особенность
☆ Точность: 0,5% F.S.
☆Импорт высококачественного ядра
☆Многочисленный диапазон давления и выходный сигнал
☆Различные разъемы и порты давления
☆Неполярный 2-линейный выход тока
☆Выход DC&AC
☆Сертификат CE, по своей сути безопасный, предотвращает взрыв
Применение
☆Установка для хранения газа
☆Машина для охлаждения
☆Гидравлические и смазочные устройства
☆Постоянное подача воды под давлением
☆Напряжение в трубопроводе
☆Напряжение сосуда
☆Петрохимия
☆Промышленный контроль процессов
Введение
Передатчик давления серии GXPS100 предназначен для больших объемов гражданского и промышленного использования,
широко используются в газовых, жидкостных системах обнаружения давления, таких как вода,
масло, легкие коррозионные жидкости и газы.
Продукт использует структуру из нержавеющей стали 1Cr18Ni9Ti, импортирует
известный бренд диффузии наполненного маслом корпуса давления ядра, специальный датчик
Схема усилителя приборов, которая может облегчить калибровку его нулевой и полной шкалы.
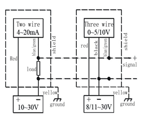
Определение электронного интерфейса и сигналов

| Выходной сигнал | |
| Два провода. | 4 ~ 20 мА |
| Три провода | 0 ~ 5 В,0.5 ~ 4.5 В, 1 ~ 5 В, 0 ~ 10 В ((DC) |
| 2 провода | 3 провода | Кабель | Хиршман | Коннектор |
| Сила | Сила | Красный | 1 | 1 |
| Выпуск | Выпуск | Синий/зеленый | 2 | 2 |
| Силовое заземление | Черный | 3 | 3 |
Параметр
| Спецификация. | Стоимость | |||||
| Диапазон давления |
0 ~ 0,2 МПа......60 МПа 2 бара... 600 бара. 29 пси... 8700 пси. 20000MmH20...6118000mmH2O 1.97atm... 592atm |
|||||
| Давление нагрузки | 1.5 раз номинальное давление (1.5X) | |||||
| Давление разрыва | 3 раза номинальное давление (3X) | |||||
| Точность | ± 0,5% F.S ((PT 300 или MARS для более высокой точности доступны) | |||||
| Стабильность | Типичное значение 0,25% F.S., максимальное значение: 0,4% F.S. | |||||
| Рабочая температура | -40°C~120°C | |||||
| Компенсационная температура | -10°C~70°C | |||||
| Средняя совместимость | Все каустические среды совместимы с 1Cr18Ni9Ti | |||||
| Электрическая производительность | 2 системы проводов | 3 системы проводов | ||||
| Выходной сигнал | 4 ~ 20 мА | 0 ~ 5 В | 1 ~ 5 В | 0.5 ~ 4.5 В | 0 ~ 10 В | |
| Электрическое питание | 10 ~ 30 Вдц | 8 ~ 30 Вдц | 5В (отношение) | 11 ~ 30 Вдц | ||
| Давление нагрузки | (U-10)/0.02 ((Ω) | 100 кОм | ||||
| Изоляция | ¥100M Ω@50В | |||||
| Электрическая мощность | 500В@60 секунд | |||||
| Вибрация/Удар | 10g/5~2000Hz, оси X/Y/Z20g синус 11ms | |||||
| Устойчивый к давлению | 2х106Круг давления @25°C | |||||
| Дисплейный диапазон | -999~1999@(PT110&PT111) | |||||
| Контактная способность | (24В, 1А)@PT111 | |||||
| Электрическое соединение | Hirsmann, воздушные розетки, фиксированный кабель, водостойкий кабель | |||||
| Порт давления | M20x1.5, G1/4, G1/2, R1/2, NPT1/2 | |||||
| Тип давления | G, S | Время ответа: 10 мс. | ||||
| Сертификат | Внутренне безопасный режим E, CE | |||||
| EMI/EMC | EMI: EN50081-1/-2; EMC: EN50082-2 | |||||
Информация о заказах
GX-тип-диапазон-вывод-мощность-давление-порт-электрическое соединение-длина кабеля-пакет
1.Тип: PS100=универсальный тип, PS100E=внутренне безопасный режим, PS110=индикатор PS100+
2Диапазон: 0 ~ 0,2... 60 МПа, 0 ~ 2 бар... 600 бар = верхнее ограничение диапазона
3.Выход:: A=4~20mA, V=0~5Vdc, V05=0.5~4.5Vdc, V1=1~5Vdc, V2=0~10Vdc
4.Сила: 5Vdc, 24Vdc, 6~24Vdc, 10~30Vdc, 11~30Vdc
5.Ворт давления: M=M20×1.5, G=G1/4, G2=G1/2, R2=R1/2, N2=NPT1/2
6.Электрическое соединение: H=DIN43650-A, GX=GX16-7, C=фиксированный выход кабеля, CW=водонепроницаемый выход соединения
7Длина кабеля: XX м=XX м 1-150 м
8.Опаковка: Bb, Пенопласт
например, GXPS100-3MPa- A-0,5-DC24-P-Foam
PS100, диапазон испытаний 0-3MPa, точность 0,5%, 24Vdc питание 4-20mA выход, порта давления с M20X1.5, упакованные в пену.