КСС574Инфракрасный Датчик углеводорода
Таблица 1 История версий
| версия | свидание | описание |
| V1.0 | 2016-10-12 | Выпущена версия 1.0 |
| V2.2 | 2018-03-06 | Адаптировать изменения атрибутов продукта |
Оглавление
KSS574 — это датчик газа, основанный на принципе поглощения инфракрасного излучения NDIR и подходящий для измерения концентрации метана в промышленных условиях.
KSS574 использует запатентованный оптический резонатор, импортный источник света и двухканальный детектор для реализации эталонной компенсации двойных оптических путей в космосе.KSS574 обладает хорошей селективностью, отсутствием зависимости от кислорода и длительным сроком службы.
KSS574 имеет режим вывода UART, обеспечивает калибровку нулевой точки, калибровку чувствительности и команды калибровки чистым воздухом, а также предоставляет клиентам откалиброванный вручную вывод MCDL, что удобно для клиентов, использующих свободный поток чистого воздуха снаружи для выполнения относительной калибровки нуля датчика. модуль.
KSS574 использует метод диффузионной вентиляции и имеет время отклика менее 30 секунд.KSS574 подходит для нефтехимической энергетики и других применений.
KSS574 доступен в различных комплектациях, которые можно настроить в соответствии с потребностями заказчика.Есть три общих пакета: первый пакет, второй пакет (шесть контактов 4-20 мА), третий пакет (семь контактов 485 интерфейсов), из которых второй и третий пакеты имеют одинаковый размер.
| параметр | символ | минимум | Типичные значения | максимум | Ед. изм | |
| Температура хранения | Тстг | -20 | - | 80 | °С | |
| Рабочая Температура | ТА | -20 | 60 | °С | ||
| Рабочая влажность | ЧАСА | 0 | 90 | % относительной влажности | ||
| Рабочее давление | пА | 0,8 | 1,2 | банкомат | ||
| Напряжение питания | Вс | 9 | 12 | 18 | В | |
| Максимальный рабочий ток | ясреднее | 100 | 120 | 150 | мА | |
| Диапазон обнаружения (настраиваемый). | Ра | 0 | 50000 | частей на миллион | ||
| Разрешение | Разрешение | 1000 | частей на миллион | |||
| Точность измерения | Точность | ± 50 ppm или ± 5% истинного значения больше | % об. | |||
| Тип трубопровода Т90 | распространение | 30 | второй | |||
| Повторяемость | Нуль | Менее ±50 | частей на миллион | |||
| Диапазон | Менее ±5% от измеренного значения | |||||
| срок жизни | 3 | 5 | 10 | год | ||
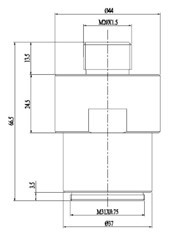
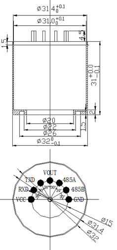
Единица: мм

Упакуйте габаритный чертеж конструкции

Пакет 2 (6-контактный 4-20 мА).

Пакет третий (семиконтактные разъемы 485).
Размеры монтажной резьбы датчика указаны на блок-схеме.
Датчик следует регулярно калибровать, рекомендуется не более 3месяцы;
Не используйте датчик длительное время в среде с высокой плотностью пыли;
Пожалуйста, используйте датчик в пределах диапазонапитание датчика.
3) Датчикточность измерения и режим вывода и т. д.
Например, SW741, 0-50000 частей на миллион, ± 5% от показания или 50 частей на миллион, в зависимости от того, что больше;
| Информационный лист заказа | |||||
| КСС574 | Датчик концентрации CO2 KSS574 | ||||
| хххх | Датчик измеряет диапазон концентрации CO2 в частях на миллион, с минимальным значением 2000 и максимальным значением 50000 частей на миллион. | ||||
| 2000 г. | Диапазон 200 частей на миллион (по умолчанию). | ||||
| 10000 | Диапазон 10000 частей на миллион | ||||
| 50000 | Диапазон 50000 частей на миллион | ||||
| кодировать | Скорость реакции делится на два типа: быстрая и медленная | ||||
| С | Медленно (по умолчанию). | ||||
| Вопрос | быстро | ||||
| кодировать | Выбор скорости передачи данных, поддержка широко используемой скорости передачи данных 2400 9600 19200 38400 бит/с, 8 бит данных, 1 бит стопового бита, без контрольного бита: подтвердите особые потребности перед заказом. | ||||
| Обычай | Подтвердите скорость передачи перед заказом | ||||
| 2400 | скорость передачи данных 2400 бит/с | ||||
| 9600 | скорость передачи данных 9600 бит/с | ||||
| 19200 | скорость передачи данных 19200 бит/с | ||||
| 38400 | Скорость передачи данных 38400 бит/с (по умолчанию) | ||||
| кодировать | Протокол последовательного порта | ||||
| Modbus-RTU | Стандартный протокол Modbus-RTU (по умолчанию). | ||||
| Modbus-ASCII | Стандартный протокол Modbus-ASCII | ||||
| Modbus-Self | Частный протокол Modbus | ||||
| КСС574 | -2000 | -С | -38400 | -Modbus-RTU | |
URL-адрес:www.kacise.com
Тел: +86-29-17719566736
Электронная почта: sales@kacise.com
Адрес: Tangyan South Road, город Сиань, провинция Шэньси, Китай.
| Стенография | ФИО |
| ОБЪЕМ | 1% VOL относится к 1% объема определенного газа в воздухе. |
| PPM | 1PPM означает, что объем определенного газа в воздухе составляет одну миллионную. |
| О2 | Молекулы кислорода |
| ЖК | ЖК дисплей |
| РС485 | Асинхронный последовательный порт 485 |
| ОКРУГ КОЛУМБИЯ | постоянный ток |
| переменный ток | Коммуникация |
| ПВХ | поливинил хлорид |