1.Features
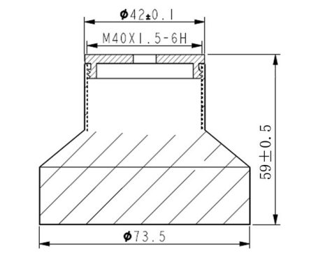
2. Размеры
Блок в диаграмме mm.


3. Электрические соединения и определения сигнала
| Линия заказ | Цвет | Определение |
| 1 | Красный | Сила положительна |
| 2 | Черный | земля возвращения силы |
| 3 | Желтый цвет | Аналогового выхода, выход напряжения тока, выход переключателя текущего объема производства |
| 4 | Синь | RS485 A+ или uart TXD |
| 5 | Зеленый цвет | RS485 B- или uart RXD |
| Цвет кабеля | Линия заказ | Опишите | Примечание |
| красный | 1 | приведенный в действие мимо | Широкий входной сигнал напряжения тока 3.3V-30V |
| черный | 2 | GND | |
| желтый | 3 | Выход переключателя | Терминал переключателя, емкость нагрузки 1A 60V, поддерживает до 2 выхода переключателя с независимой логикой, 2 терминала 2 контакта переключателя, не различает между положительными и отрицательными поляками, и может быть соединен по желанию. |
| Белый | 4 | Выход переключателя | |
| коричневый | 4 | RS485A+ | |
| зеленый | 5 | RS485B- |
описание 4.Parameter
|
Работа настоящая |
мамы ≤ 45 (самая быстрая скорость измерения) Маломощная версия, расход энергии сна более менее чем 0.3mA, отправка расхода энергии 20mA (более менее чем 2ms), и получать расход энергии нет больше чем 8mA (более менее чем 150ms) |
|
Выходной сигнал |
1: Programmable аналогового выхода 0-10V. 2: Выход RS485. 3: Выход Uart серийный выход 4:4-20mA 5: Выход переключателя |
| Точность измерения | ≤ 1% |
| Компенсация влияния температуры | да |
условия труда
| Работая температура | -25… 70℃ (248… 343K) |
| Температура хранения | -40… 85℃ (233… 358K) |
другие инструкции
| Электрическое соединение | кабель 5-core (аналогового выхода), кабель 6 ядров (выход переключателя); |
| Класс защиты | IP68 |
| Материал раковины | PVC /PVDF/PTFE/ABS |
5. Функция датчика
аналог
Аналогового выхода может быть установленным через RS485, и датчик может работать в 8 режимах. Определенная ссылка следующим образом:
Раздел 1: Подключите с главной ЭВМ через ассистент серийной гавани отлаживая или ассистент отладки модуса.
Раздел 2, установил пункт расстояния ссылки близко пункта.
Раздел 3, установил контрольную точку далекого пункта
Раздел 4, установил напряжение тока выхода или течение близко-точечной контрольной точки.
Раздел 5, установил напряжение тока выхода или течение контрольной точки далекого пункта.
Раздел 6, установил аналогового выхода для того чтобы переключить характерный выбор.
Раздел 7, установил аналогового выхода как линейный выход или переключает вариант выхода.
Раздел 8, переустановил датчик для того чтобы сделать новые параметры принять влияние.
8 работая режимов датчика.
1: Режим открытого окна по умолчанию
2: Режим Windowed повернут по умолчанию
3: Одноточечный режим повернут дальше по умолчанию
4: Одноточечный режим повернут по умолчанию
5: Одноточечный режим гистерезиса повернут дальше по умолчанию
6: Одноточечный режим гистерезиса повернут по умолчанию
7: Присутсвие или отсутствие режима обнаружения повернуты дальше по умолчанию
8: Присутсвие или отсутствие режима обнаружения повернуты по умолчанию
485 данных об объеме продукции
485 данных об объеме продукции в формате MODBUS-RTU. См. руководство по эксплуатации программного обеспечения для деталей.
порт 6.Serial устанавливая пример формы выхода

7. Упорядочение информации
| KUS | Модель | Выход | Ряд | Опишите |
| 630A | Модель и форма серии продукта, доставка дефолта TypeA, изготовление на заказ поддержки | |||
| 630B | ||||
| 630C | ||||
| Custommade | ||||
| 0-10V | Сетноой-аналогов выход 0-10V | |||
| 0-5V | Сетноой-аналогов выход 0-5V | |||
| 0-3V | Сетноой-аналогов выход 0-3V | |||
| 4-20mA | Сетноой-аналогов выход 4-20mA | |||
| SW | Выход переключателя | |||
| Uart | Протокол выхода MODBUS RTU Uart серийный | |||
| RS485 | RS485 протокол выхода MODBUS RTU | |||
| XXX mm |
Mmmeans XXX максимальное расстояние измерения (default1000mm) |
|||
| KUS | 550 | RS485 | 10000mm | |